LEMON Manuals: Even more car manuals for everyone: 1960-2025
Home >> Honda >> 2013 >> Ridgeline RTL >> Repair and Diagnosis >> Engine Performance >> System >> Fuel And Emissions Systems >> System Description >> PCM Electrical Connections
April 5, 2026: LEMON Manuals is launched! Read the announcement.

PCM Electrical Connections

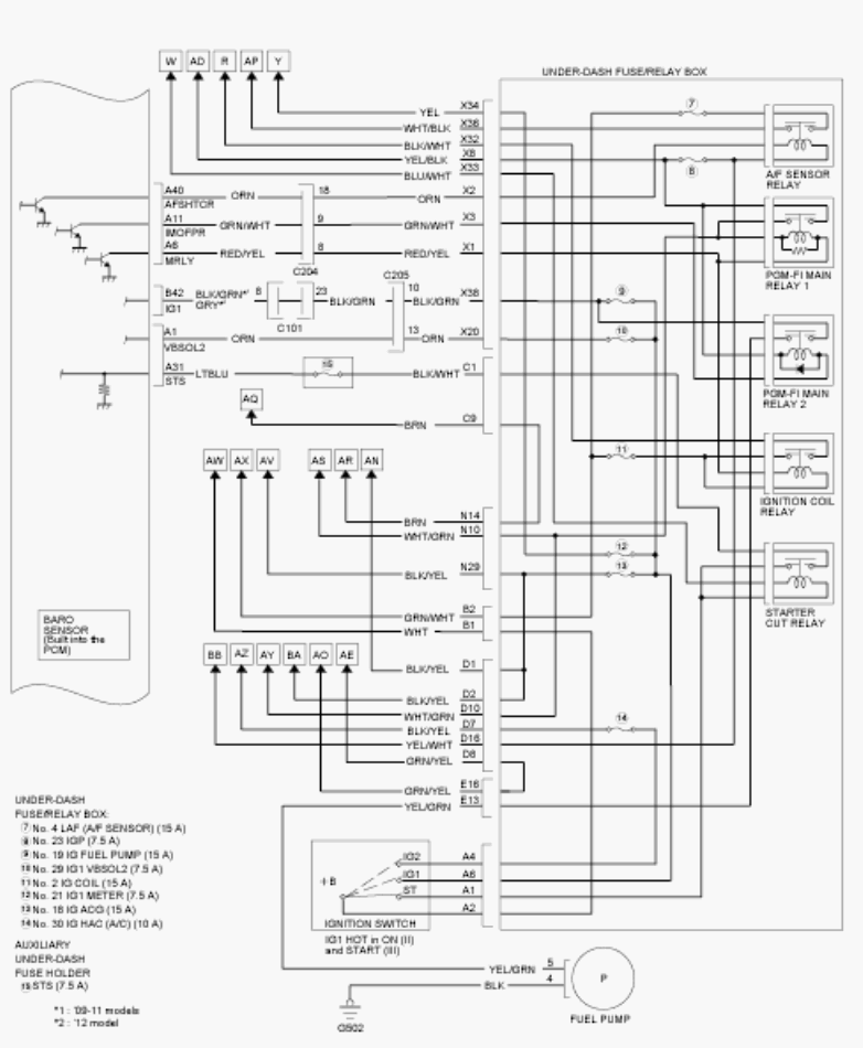
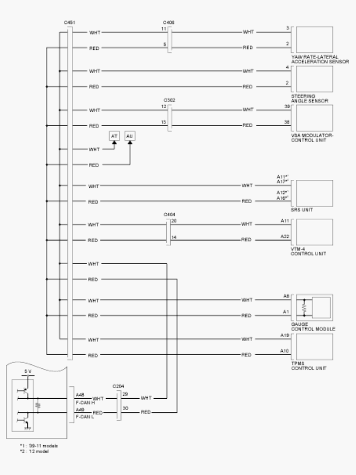
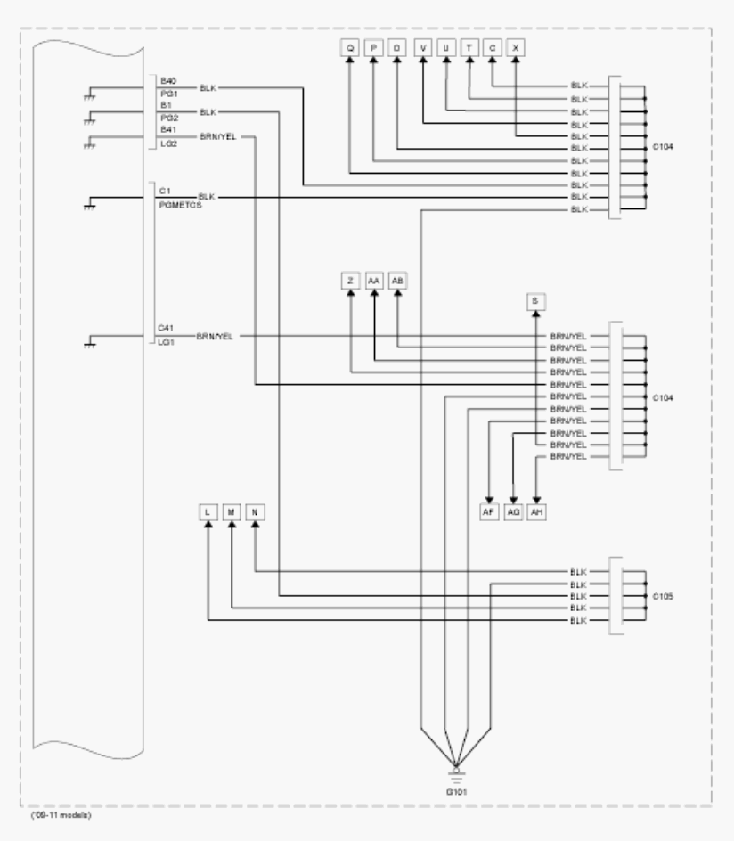
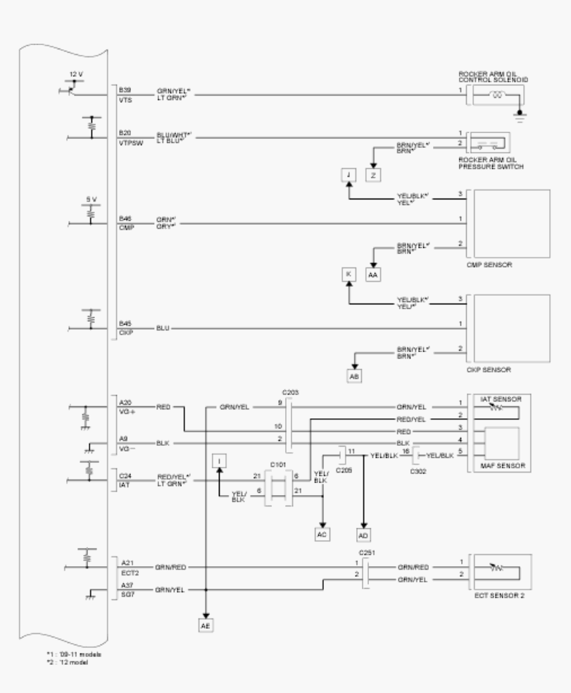
Fig 1: PCM Electrical Connections - Circuit Diagram (1 Of 21)
G00511982Courtesy of AMERICAN HONDA MOTOR CO., INC.
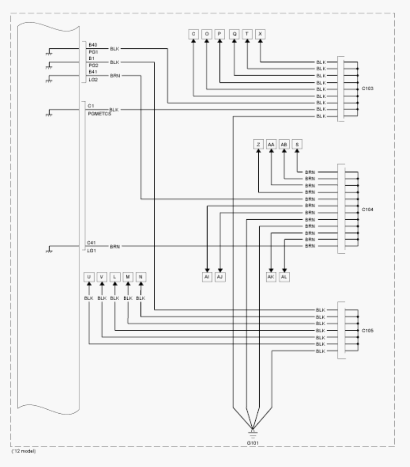
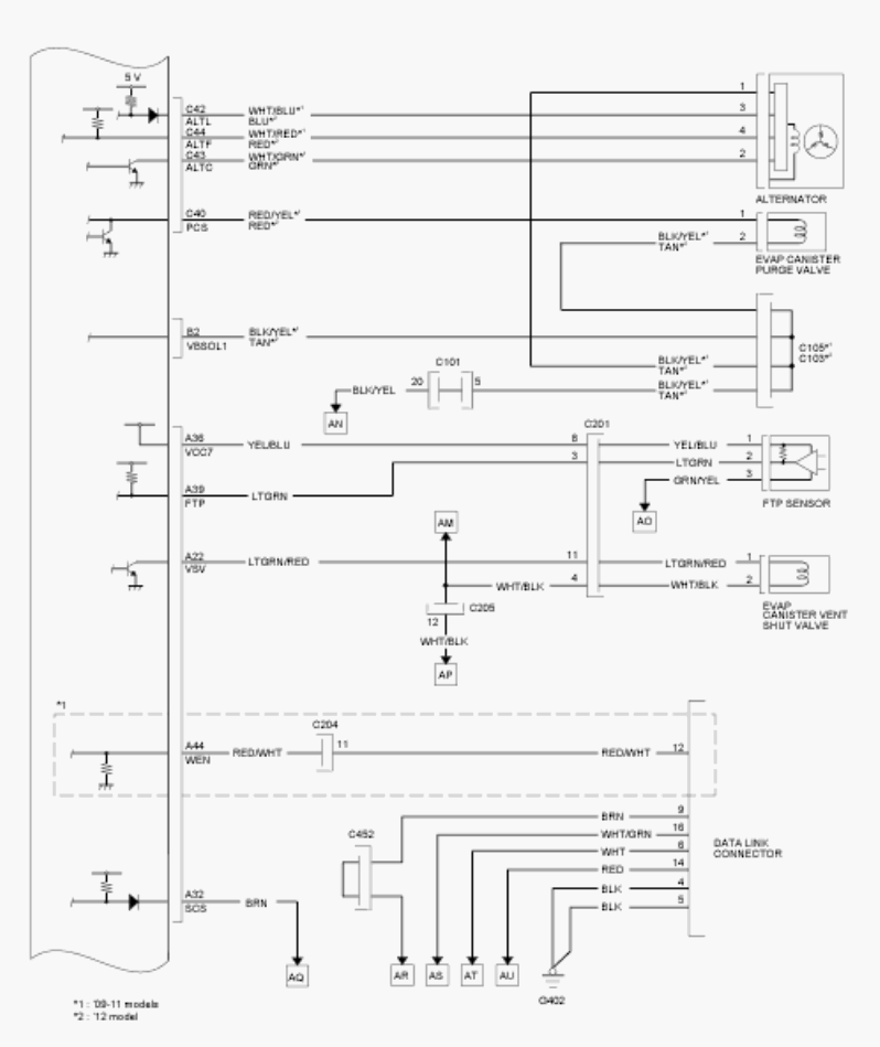
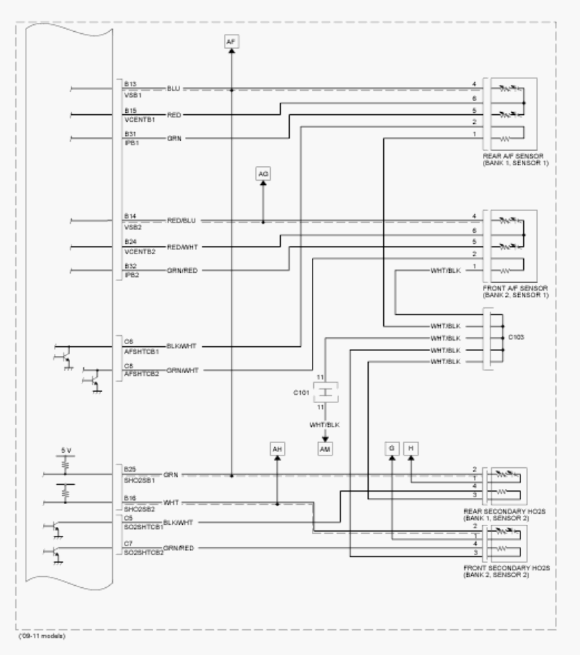
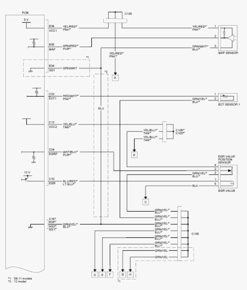
Fig 2: PCM Electrical Connections - Circuit Diagram (2 Of 21)
G00511982Courtesy of AMERICAN HONDA MOTOR CO., INC.
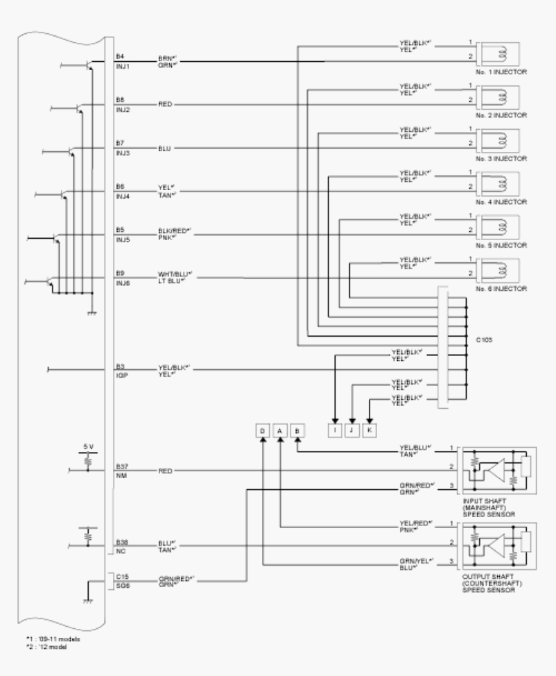
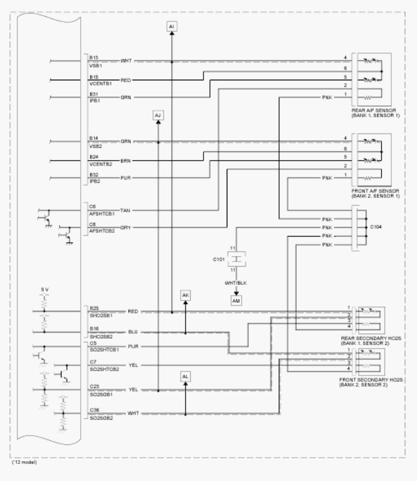
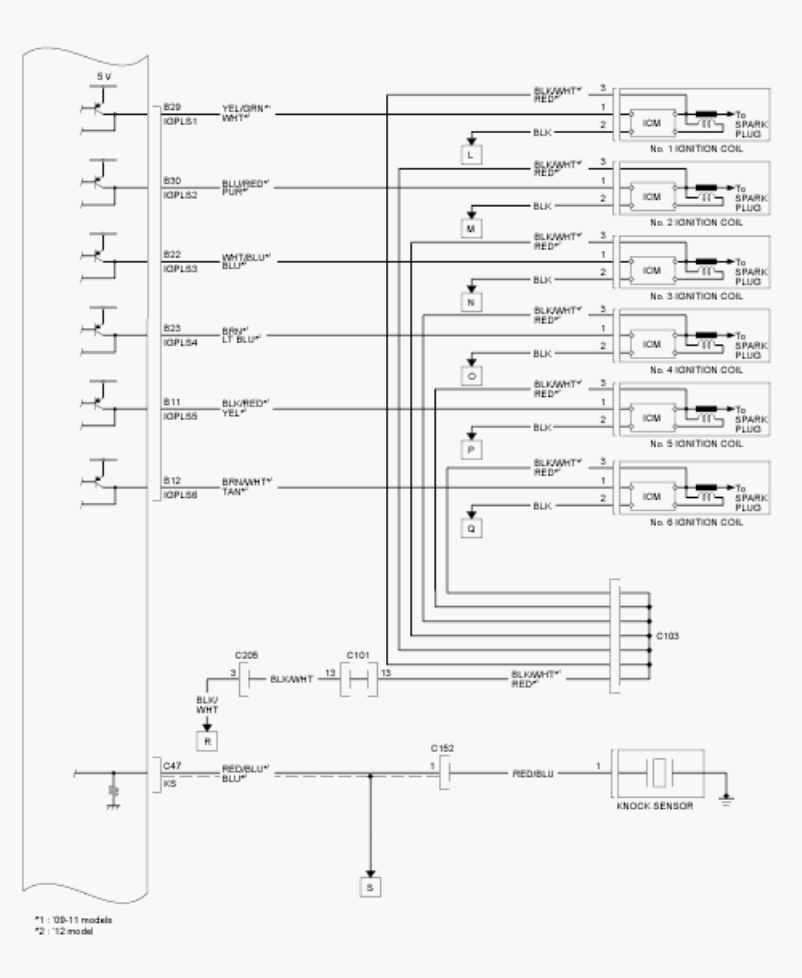
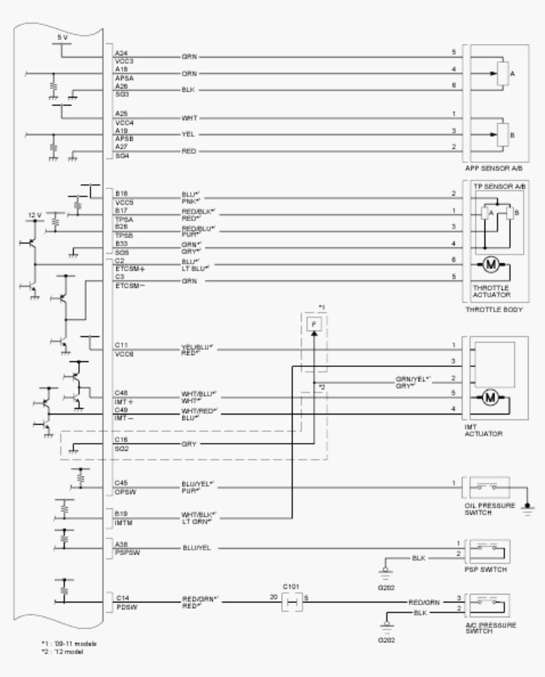
Fig 3: PCM Electrical Connections - Circuit Diagram (3 Of 21)
G00511984Courtesy of AMERICAN HONDA MOTOR CO., INC.
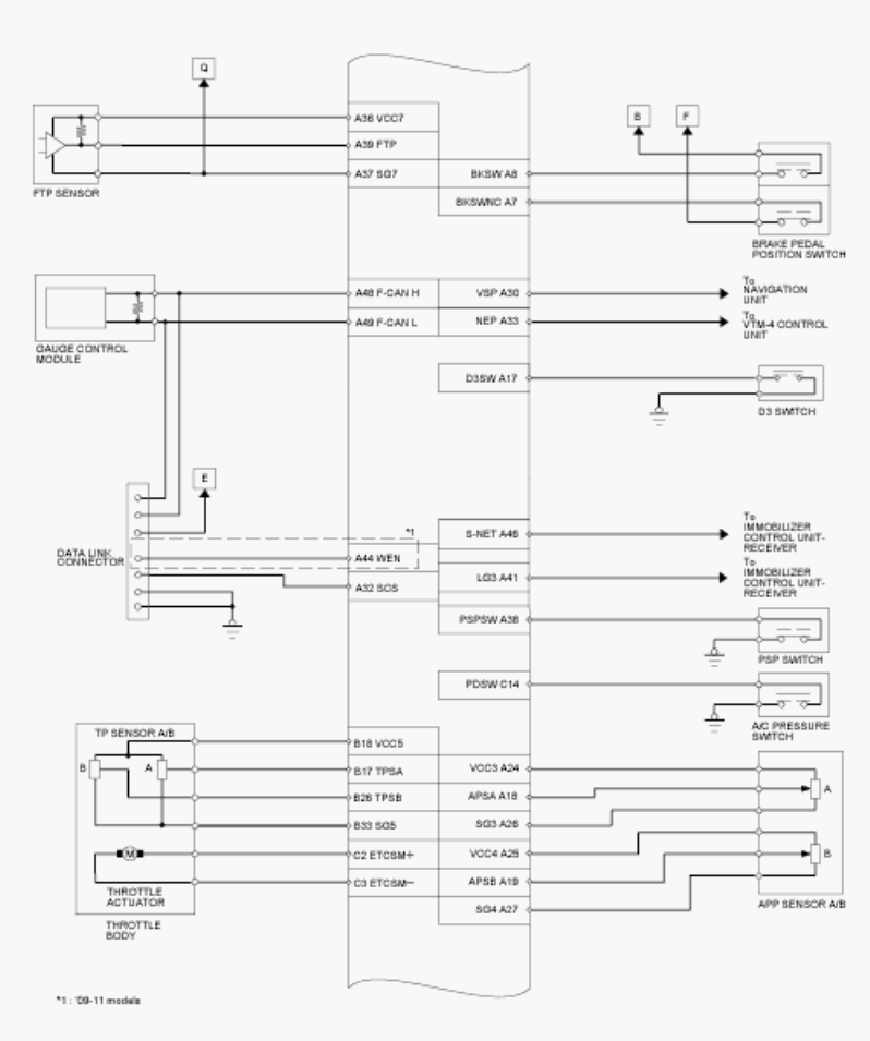
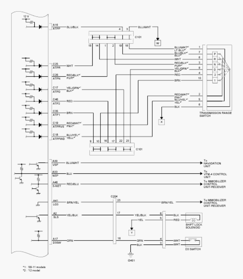
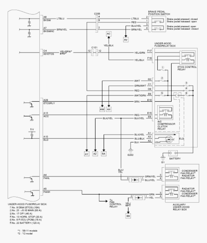
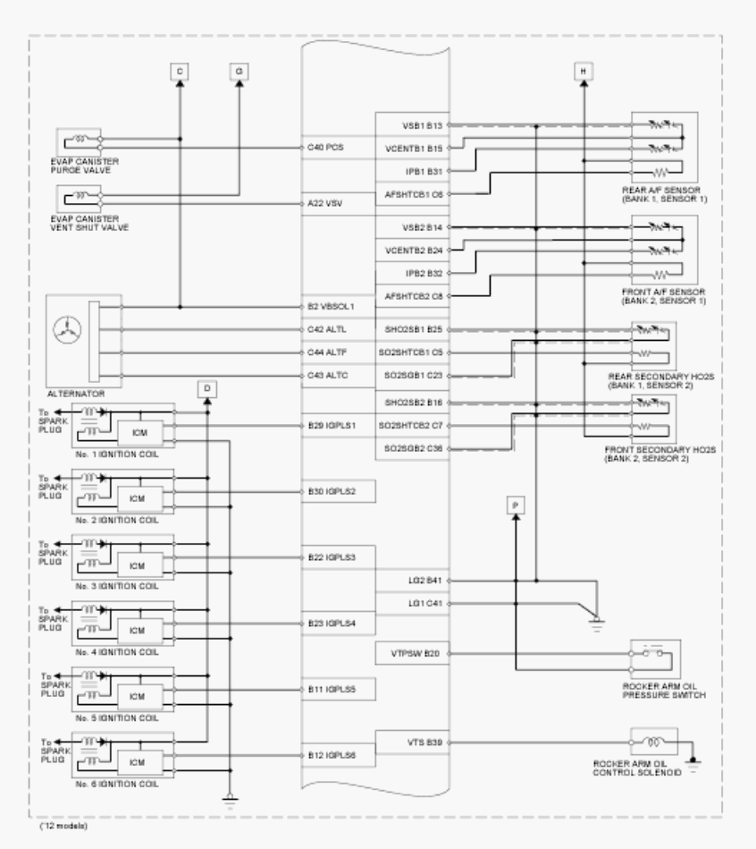
Fig 4: PCM Electrical Connections - Circuit Diagram (4 Of 21)
G00511985Courtesy of AMERICAN HONDA MOTOR CO., INC.
Fig 5: PCM Electrical Connections - Circuit Diagram (5 Of 21)
G00511986Courtesy of AMERICAN HONDA MOTOR CO., INC.
Fig 6: PCM Electrical Connections - Circuit Diagram (6 Of 21)
G00511987Courtesy of AMERICAN HONDA MOTOR CO., INC.
Fig 7: PCM Electrical Connections - Circuit Diagram (7 Of 21)
G00511988Courtesy of AMERICAN HONDA MOTOR CO., INC.
Fig 8: PCM Electrical Connections - Circuit Diagram (8 Of 21)
G00511989Courtesy of AMERICAN HONDA MOTOR CO., INC.
Fig 9: PCM Electrical Connections - Circuit Diagram (9 Of 21)
G00511990Courtesy of AMERICAN HONDA MOTOR CO., INC.
Fig 10: PCM Electrical Connections - Circuit Diagram (10 Of 21)
G00511991Courtesy of AMERICAN HONDA MOTOR CO., INC.
Fig 11: PCM Electrical Connections - Circuit Diagram (11 Of 21)
G00511992Courtesy of AMERICAN HONDA MOTOR CO., INC.
Fig 12: PCM Electrical Connections - Circuit Diagram (12 Of 21)
G00511993Courtesy of AMERICAN HONDA MOTOR CO., INC.
Fig 13: PCM Electrical Connections - Circuit Diagram (13 Of 21)
G00511994Courtesy of AMERICAN HONDA MOTOR CO., INC.
Fig 14: PCM Electrical Connections - Circuit Diagram (14 Of 21)
G00511995Courtesy of AMERICAN HONDA MOTOR CO., INC.
Fig 15: PCM Electrical Connections - Circuit Diagram (15 Of 21)
G00511996Courtesy of AMERICAN HONDA MOTOR CO., INC.
Fig 16: PCM Electrical Connections - Circuit Diagram (16 Of 21)
G00511997Courtesy of AMERICAN HONDA MOTOR CO., INC.
Fig 17: PCM Electrical Connections - Circuit Diagram (17 Of 21)
G00511998Courtesy of AMERICAN HONDA MOTOR CO., INC.
Fig 18: PCM Electrical Connections - Circuit Diagram (18 Of 21)
G00511999Courtesy of AMERICAN HONDA MOTOR CO., INC.
Fig 19: PCM Electrical Connections - Circuit Diagram (19 Of 21)
G00512000Courtesy of AMERICAN HONDA MOTOR CO., INC.
Fig 20: PCM Electrical Connections - Circuit Diagram (20 Of 21)
G00512001Courtesy of AMERICAN HONDA MOTOR CO., INC.
Fig 21: PCM Electrical Connections - Circuit Diagram (21 Of 21)
G00512002Courtesy of AMERICAN HONDA MOTOR CO., INC.