LEMON Manuals: Even more car manuals for everyone: 1960-2025
Home >> Honda >> 2015 >> CR-V EX-L, AWD >> Repair and Diagnosis >> Engine Performance >> Engine Control Systems >> Engine Control System & Engine Mechanical - Testing & Troubleshooting >> Circuit Diagram >> Fuel and Emissions Systems Circuit Diagram
April 5, 2026: LEMON Manuals is launched! Read the announcement.

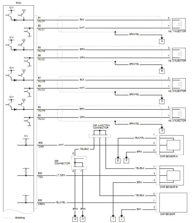
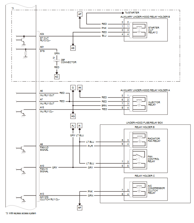
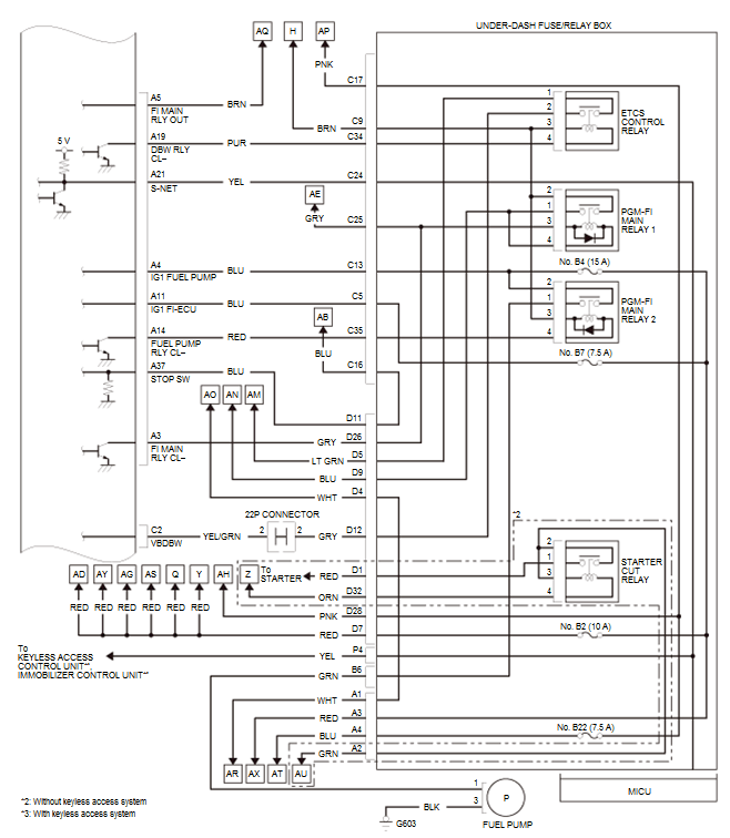
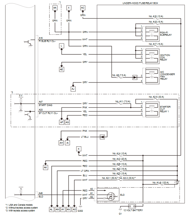
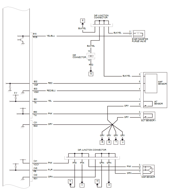
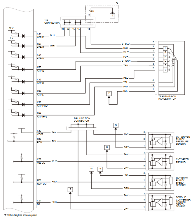
Fuel and Emissions Systems Circuit Diagram

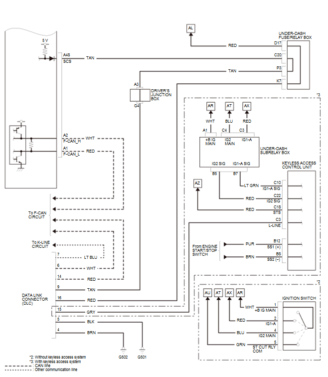
GHH49256Courtesy of HONDA, U.S.A., INC.
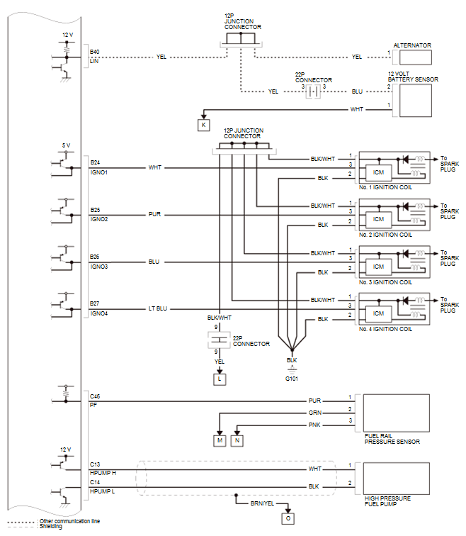
GHH49257Courtesy of HONDA, U.S.A., INC.
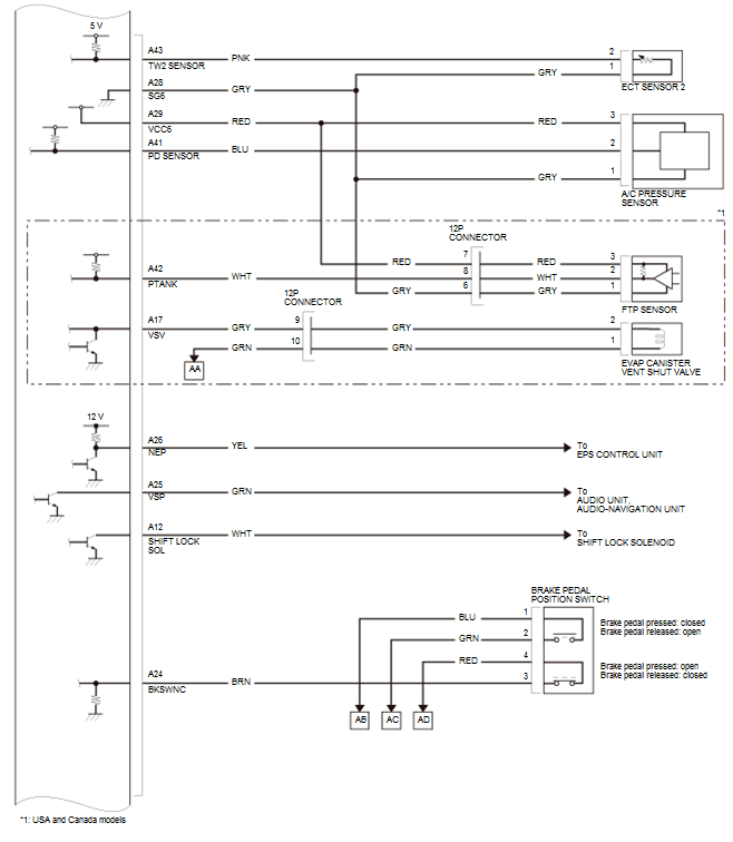
GHH49258Courtesy of HONDA, U.S.A., INC.
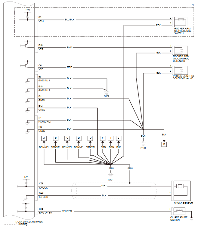
GHH49259Courtesy of HONDA, U.S.A., INC.
GHH49260Courtesy of HONDA, U.S.A., INC.
GHH49261Courtesy of HONDA, U.S.A., INC.
GHH49262Courtesy of HONDA, U.S.A., INC.
GHH49263Courtesy of HONDA, U.S.A., INC.
GHH49264Courtesy of HONDA, U.S.A., INC.
GHH49265Courtesy of HONDA, U.S.A., INC.
GHH49266Courtesy of HONDA, U.S.A., INC.
GHH49267Courtesy of HONDA, U.S.A., INC.