LEMON Manuals: Even more car manuals for everyone: 1960-2025
Home >> Honda >> 2015 >> Odyssey EX-L >> Repair and Diagnosis (Single Page) >> Body & Frame >> Seats >> Driver Position Memory System (DPMS) >> Circuit Diagram - Power Mirror
April 5, 2026: LEMON Manuals is launched! Read the announcement.

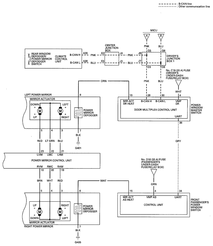
Circuit Diagram - Power Mirror

Fig 1: Power Mirror Circuit Diagram (1 Of 2)
G06970145Courtesy of AMERICAN HONDA MOTOR CO., INC.
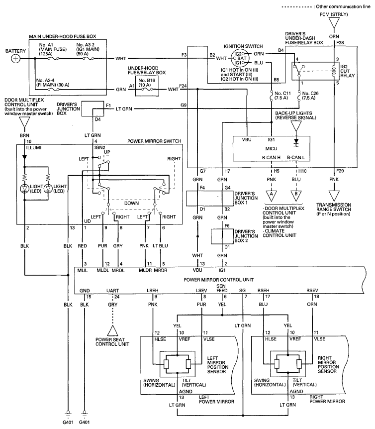
Fig 2: Power Mirror Circuit Diagram (2 Of 2)
G06970146Courtesy of AMERICAN HONDA MOTOR CO., INC.