LEMON Manuals: Even more car manuals for everyone: 1960-2025
Home >> Honda >> 2015 >> Pilot EX, 4WD >> Repair and Diagnosis (Single Page) >> Engine Performance >> System >> Advanced Diagnostics >> DTC P0506: Idle Control System RPM Lower than Expected >> Notes
April 5, 2026: LEMON Manuals is launched! Read the announcement.

DTC P0506: Idle Control System RPM Lower than Expected: Notes

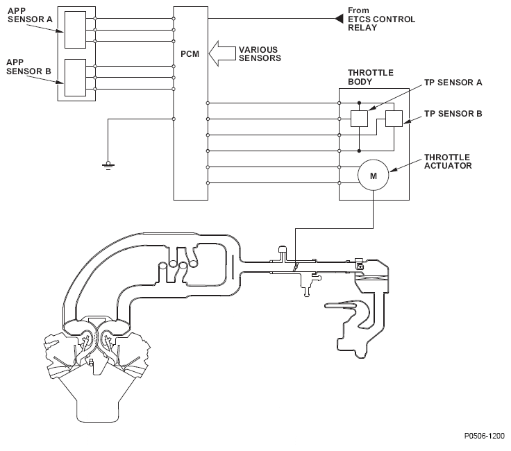
Fig 1: Idle Control System - Circuit Diagram
G08568839Courtesy of AMERICAN HONDA MOTOR CO., INC.
Fig 2: Idle Control System Characteristics Graph
G08568840Courtesy of AMERICAN HONDA MOTOR CO., INC.