LEMON Manuals: Even more car manuals for everyone: 1960-2025
Home >> Honda >> 2015 >> Pilot EX, FWD >> Repair and Diagnosis (Single Page) >> Accessories & Equipment >> Wiper/Washer Systems >> Wiper System / Washer System >> Circuit Diagram-Rear Window
April 5, 2026: LEMON Manuals is launched! Read the announcement.

Circuit Diagram-Rear Window

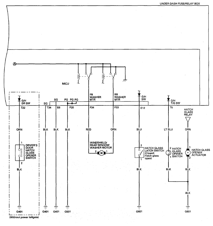
Fig 1: Rear Window - Circuit Diagram (1 Of 2)
G08089057Courtesy of AMERICAN HONDA MOTOR CO., INC.
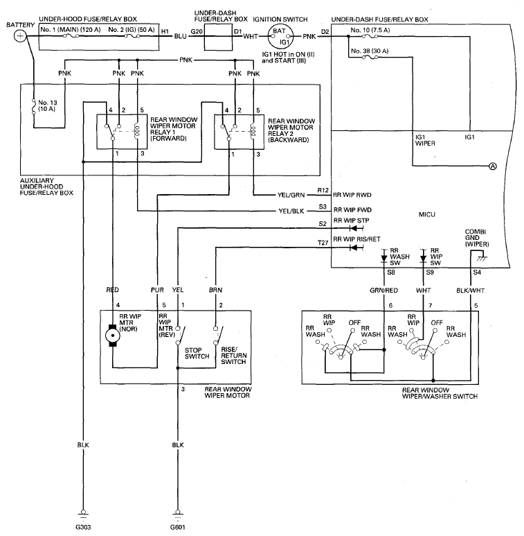
Fig 2: Rear Window - Circuit Diagram (2 Of 2)
G08089058Courtesy of AMERICAN HONDA MOTOR CO., INC.