LEMON Manuals: Even more car manuals for everyone: 1960-2025
Home >> Honda >> 2015 >> Pilot EX, FWD >> Repair and Diagnosis >> External Pages >> Different car >> Section 68 (Entry Lights Control System) >> Circuit Diagram
April 5, 2026: LEMON Manuals is launched! Read the announcement.

Circuit Diagram

WARNING: This page is about a different car, the 2011 Honda Pilot, 2010 Honda Pilot, and 2009 Honda Pilot. However, it is still accessible from the selected car via links, so may be relevant.
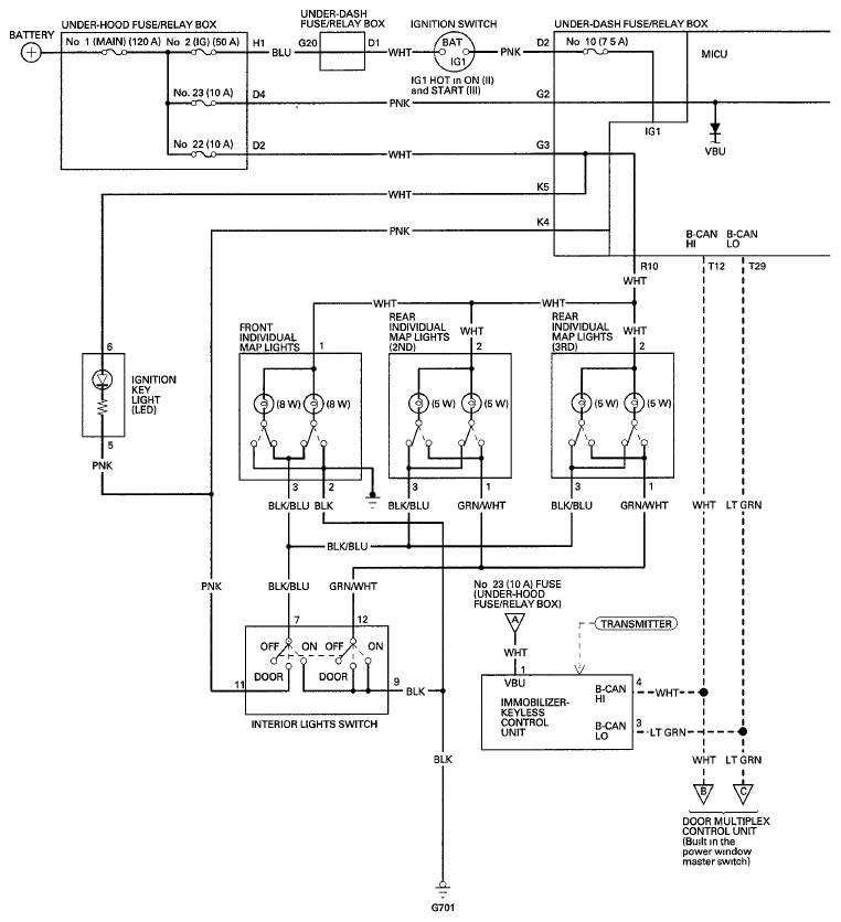
Fig 1: Identifying Entry Lights Control System - Circuit Diagram (1 Of 2)
G05966349Courtesy of AMERICAN HONDA MOTOR CO., INC.
Fig 2: Identifying Entry Lights Control System - Circuit Diagram (2 Of 2)
G00509882Courtesy of AMERICAN HONDA MOTOR CO., INC.