LEMON Manuals: Even more car manuals for everyone: 1960-2025
Home >> Honda >> 2015 >> Pilot LX, 4WD >> Repair and Diagnosis (Single Page) >> Engine Performance >> System >> Advanced Diagnostics >> DTC P2101: Electronic Throttle Control System (ETCS) Malfunction >> Notes
April 5, 2026: LEMON Manuals is launched! Read the announcement.

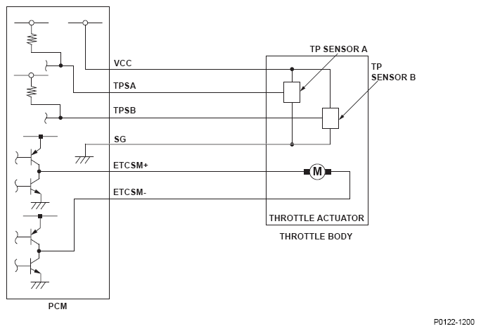
DTC P2101: Electronic Throttle Control System (ETCS) Malfunction: Notes

Fig 1: Throttle Position Sensor - Circuit Diagram
G08569010Courtesy of AMERICAN HONDA MOTOR CO., INC.