LEMON Manuals: Even more car manuals for everyone: 1960-2025
Home >> Honda >> 2016 >> CR-V SE, AWD >> Repair and Diagnosis (Single Page) >> Accessories & Equipment >> Entertainment Systems >> Audio Visual System - Testing & Troubleshooting >> Circuit Diagram >> Audio and Visual System Circuit Diagram(With Navigation, With Display Audio)
April 5, 2026: LEMON Manuals is launched! Read the announcement.

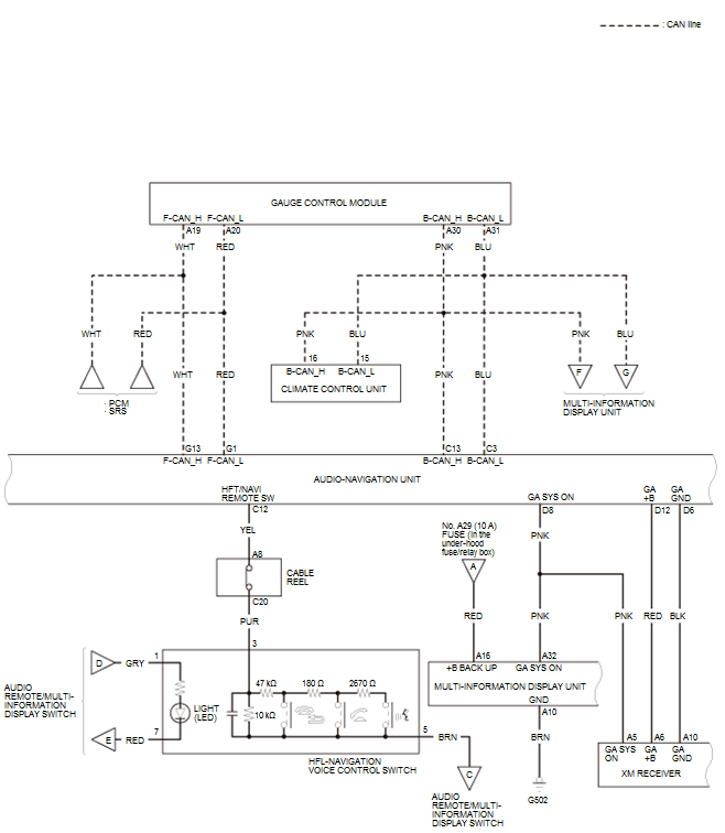
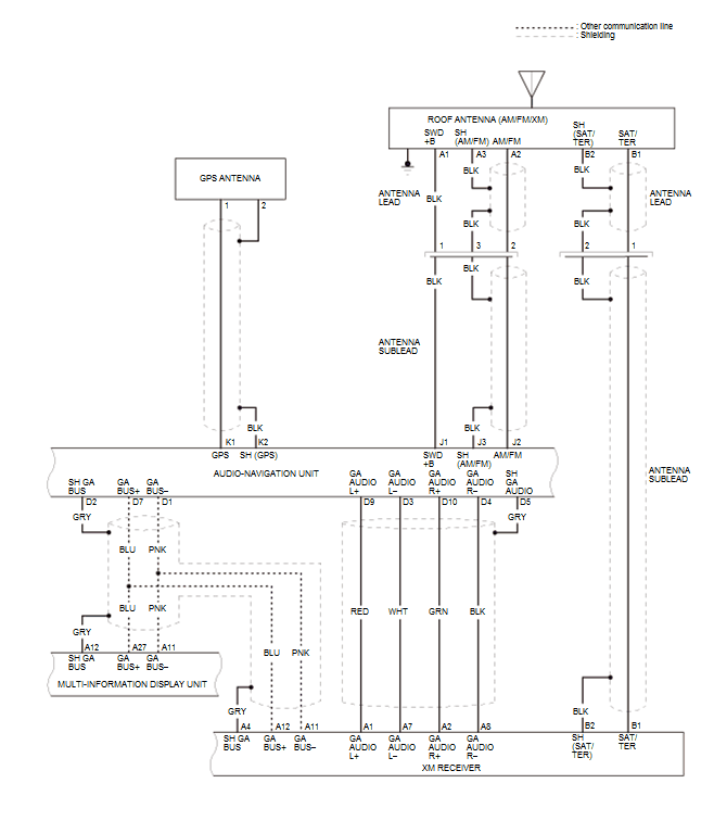
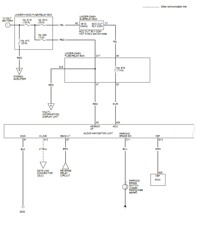
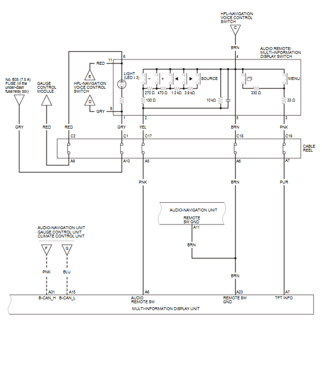
Audio and Visual System Circuit Diagram(With Navigation, With Display Audio)

GHH47398Courtesy of HONDA, U.S.A., INC.
GHH47399Courtesy of HONDA, U.S.A., INC.
GHH47400Courtesy of HONDA, U.S.A., INC.
GHH47401Courtesy of HONDA, U.S.A., INC.
GHH47402Courtesy of HONDA, U.S.A., INC.
GHH47403Courtesy of HONDA, U.S.A., INC.