LEMON Manuals: Even more car manuals for everyone: 1960-2025
Home >> Honda >> 2016 >> CR-V SE, AWD >> Repair and Diagnosis (Single Page) >> Engine Mechanical >> Cooling System (Mechanical) >> Engine Cooling System - Testing & Troubleshooting >> Component Location Index >> Cooling System Component Location Index
April 5, 2026: LEMON Manuals is launched! Read the announcement.

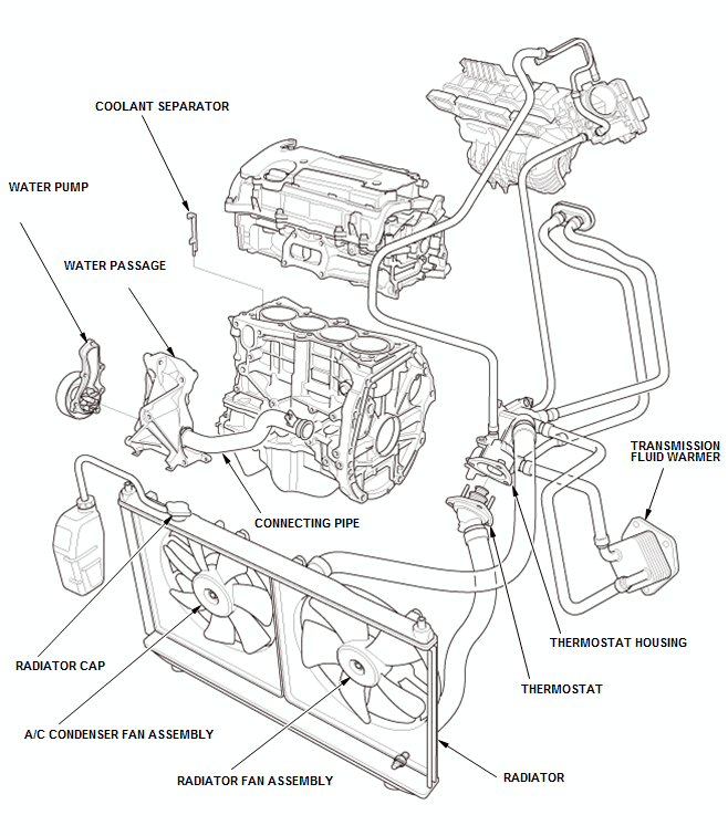
Cooling System Component Location Index

GHH49070Courtesy of HONDA, U.S.A., INC.