LEMON Manuals: Even more car manuals for everyone: 1960-2025
Home >> Honda >> 2016 >> CR-V SE, AWD >> Repair and Diagnosis >> Accessories & Equipment >> Anti-Theft Systems >> Security System / Keyless Entry System - Testing & Troubleshooting >> Circuit Diagram >> Immobilizer System Circuit Diagram
April 5, 2026: LEMON Manuals is launched! Read the announcement.

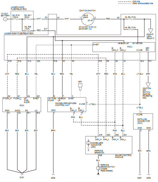
Immobilizer System Circuit Diagram

GHH51365Courtesy of HONDA, U.S.A., INC.