LEMON Manuals: Even more car manuals for everyone: 1960-2025
Home >> Honda >> 2016 >> CR-V Touring, AWD >> Repair and Diagnosis (Single Page) >> Accessories & Equipment >> Anti-Theft Systems >> Security System / Keyless Entry System - Testing & Troubleshooting >> Circuit Diagram >> Keyless Access System Circuit Diagram
April 5, 2026: LEMON Manuals is launched! Read the announcement.

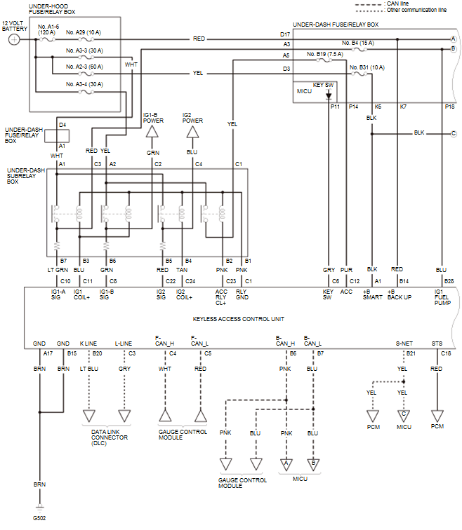
Keyless Access System Circuit Diagram

GHH51366Courtesy of HONDA, U.S.A., INC.
GHH51367Courtesy of HONDA, U.S.A., INC.
GHH51368Courtesy of HONDA, U.S.A., INC.