LEMON Manuals: Even more car manuals for everyone: 1960-2025
Home >> Honda >> 2016 >> CR-V Touring, AWD >> Repair and Diagnosis (Single Page) >> Accessories & Equipment >> Anti-Theft Systems >> Security System / Keyless Entry System - Testing & Troubleshooting >> Circuit Diagram >> Keyless/Power Door Locks/Security System Circuit Diagram (2015)
April 5, 2026: LEMON Manuals is launched! Read the announcement.

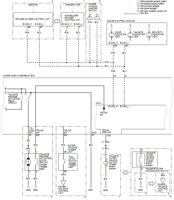
Keyless/Power Door Locks/Security System Circuit Diagram (2015)

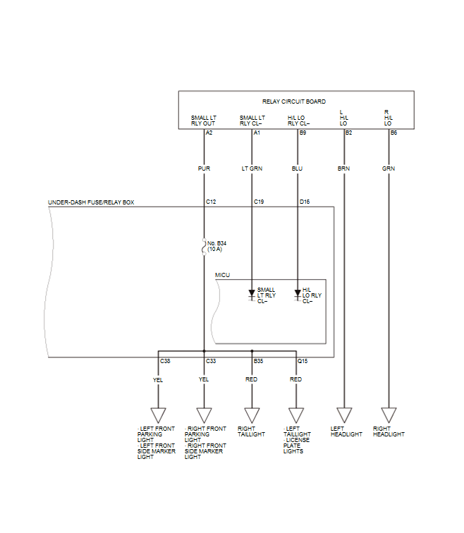
GHH51369Courtesy of HONDA, U.S.A., INC.
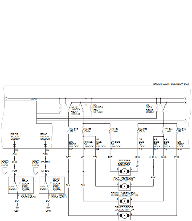
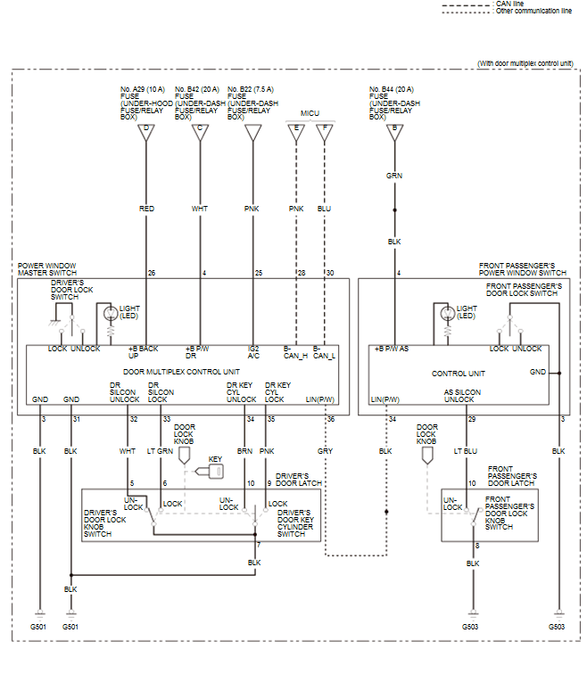
GHH51370Courtesy of HONDA, U.S.A., INC.
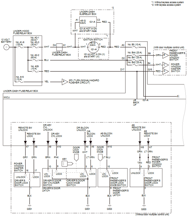
GHH51371Courtesy of HONDA, U.S.A., INC.
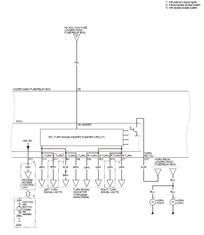
GHH51372Courtesy of HONDA, U.S.A., INC.
GHH51373Courtesy of HONDA, U.S.A., INC.
GHH51374Courtesy of HONDA, U.S.A., INC.
GHH51375Courtesy of HONDA, U.S.A., INC.