LEMON Manuals: Even more car manuals for everyone: 1960-2025
Home >> Honda >> 2016 >> CR-V Touring, AWD >> Repair and Diagnosis (Single Page) >> Accessories & Equipment >> Anti-Theft Systems >> Security System / Keyless Entry System - Testing & Troubleshooting >> Circuit Diagram >> Keyless/Power Door Locks/Security System Circuit Diagram (2016)
April 5, 2026: LEMON Manuals is launched! Read the announcement.

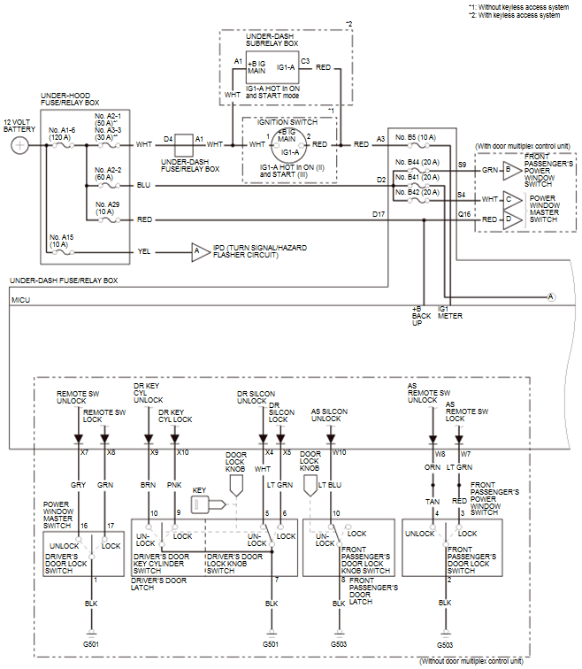
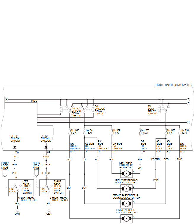
Keyless/Power Door Locks/Security System Circuit Diagram (2016)

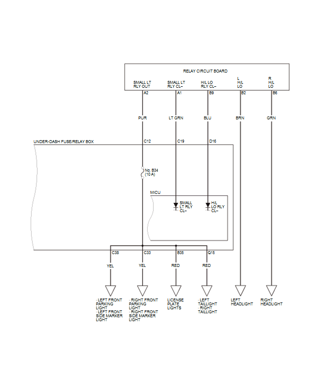
GHH51376Courtesy of HONDA, U.S.A., INC.
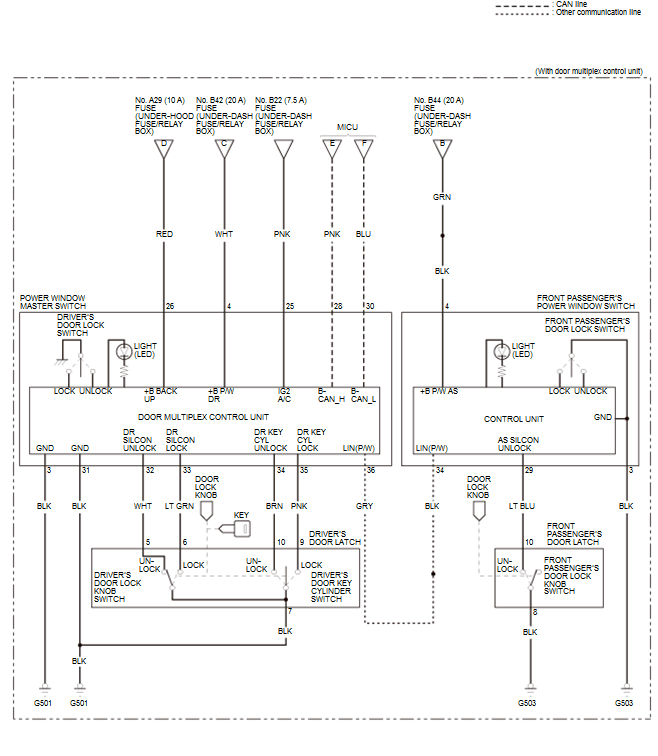
GHH51377Courtesy of HONDA, U.S.A., INC.
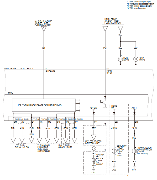
GHH51378Courtesy of HONDA, U.S.A., INC.
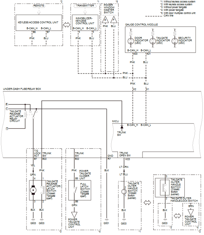
GHH51379Courtesy of HONDA, U.S.A., INC.
GHH51380Courtesy of HONDA, U.S.A., INC.
GHH51381Courtesy of HONDA, U.S.A., INC.
GHH51382Courtesy of HONDA, U.S.A., INC.