LEMON Manuals: Even more car manuals for everyone: 1960-2025
Home >> Honda >> 2016 >> CR-V Touring, AWD >> Repair and Diagnosis (Single Page) >> Accessories & Equipment >> Communication Devices >> Integrated Control Systems - Testing & Troubleshooting >> Circuit Diagram >> Driving Position Memory System (DPMS) Circuit Diagram
April 5, 2026: LEMON Manuals is launched! Read the announcement.

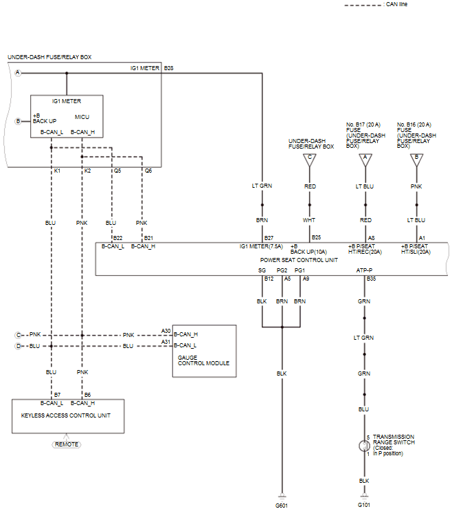
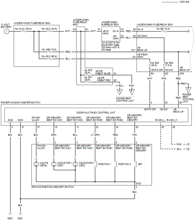
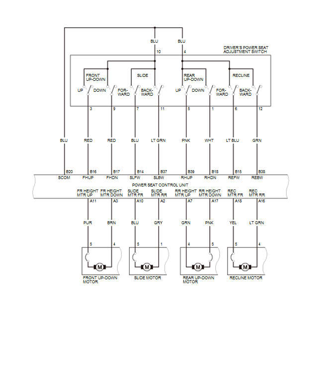
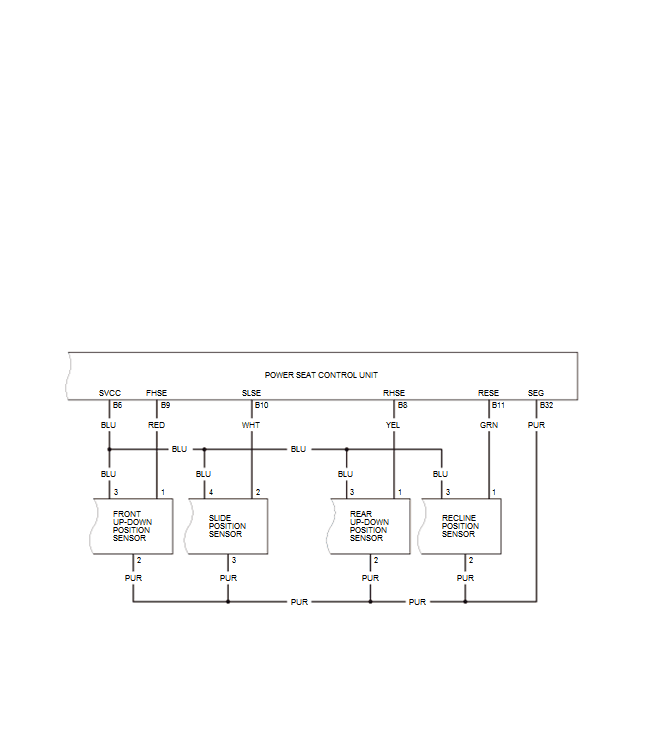
Driving Position Memory System (DPMS) Circuit Diagram

GHH50492Courtesy of HONDA, U.S.A., INC.
GHH50493Courtesy of HONDA, U.S.A., INC.
GHH50494Courtesy of HONDA, U.S.A., INC.
GHH50495Courtesy of HONDA, U.S.A., INC.