LEMON Manuals: Even more car manuals for everyone: 1960-2025
Home >> Honda >> 2017 >> CR-V EX-L, FWD >> Repair and Diagnosis (Single Page) >> Accessories & Equipment >> Anti-Theft Systems >> Security System / Keyless Entry System - Testing & Troubleshooting (Except Hybrid) >> Circuit Diagram >> HomeLink Remote Control System Circuit Diagram
April 5, 2026: LEMON Manuals is launched! Read the announcement.

HomeLink Remote Control System Circuit Diagram

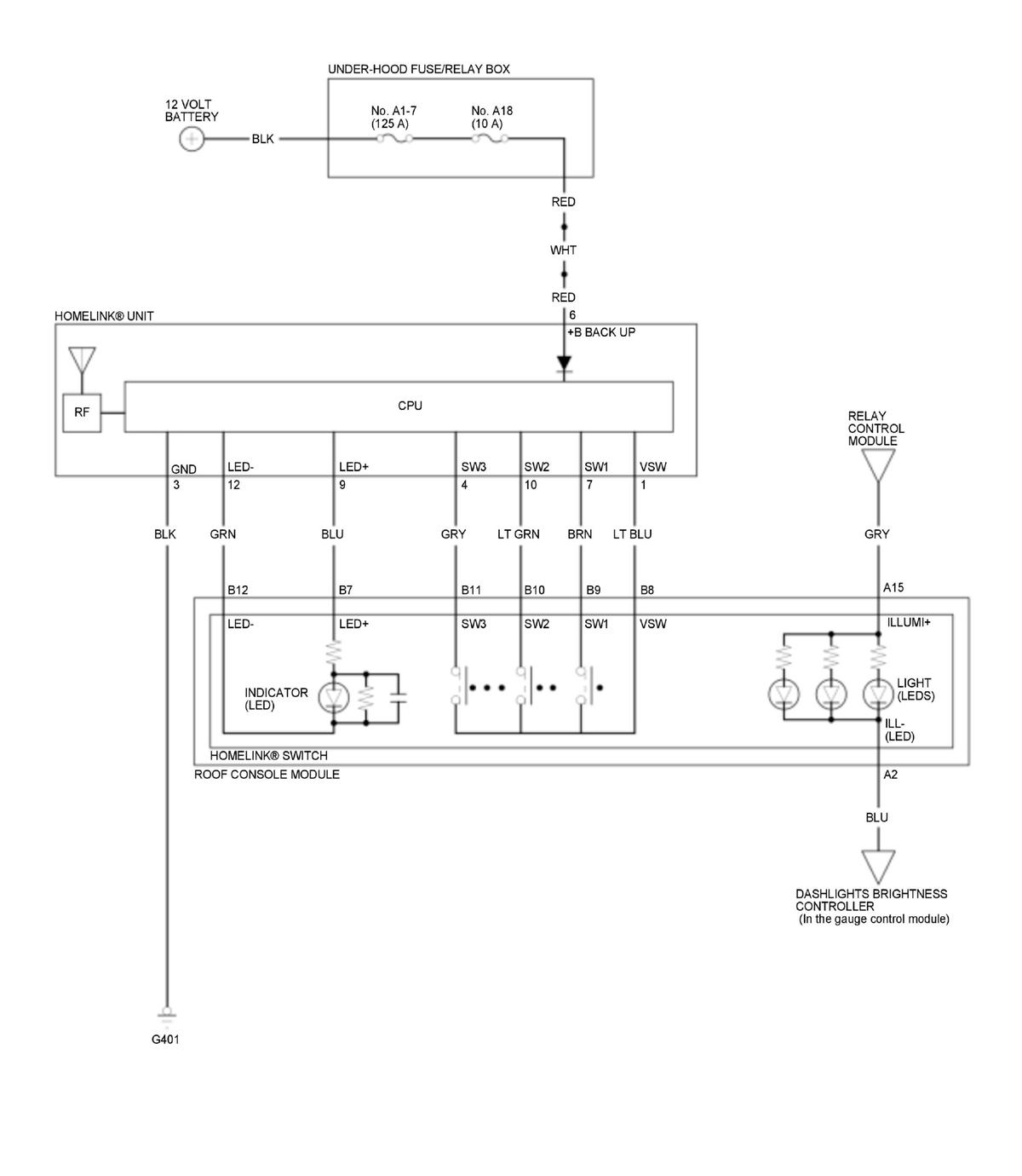
With panoramic glass roof 

GHH430680Courtesy of HONDA, U.S.A., INC.

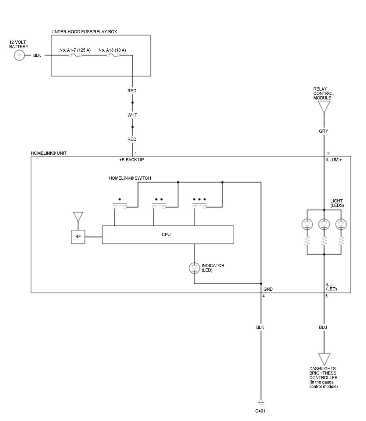
Without panoramic glass roof 

GHH430681Courtesy of HONDA, U.S.A., INC.