LEMON Manuals: Even more car manuals for everyone: 1960-2025
Home >> Honda >> 2017 >> Civic LX-P >> Repair and Diagnosis (Single Page) >> Accessories & Equipment >> Anti-Theft Systems >> Security System / Keyless Entry System - Gen Info & Troubleshooting >> Circuit Diagrams >> Keyless/Power Door Locks/Security System Circuit Diagram (2/4-door without Keyless Access System)
April 5, 2026: LEMON Manuals is launched! Read the announcement.

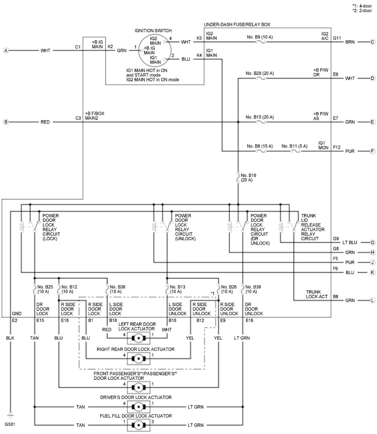
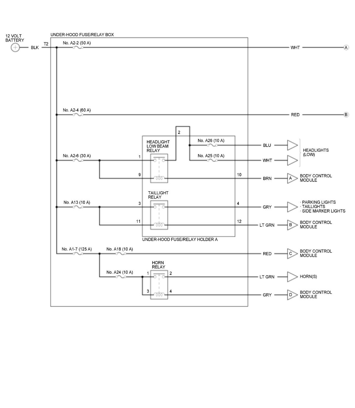
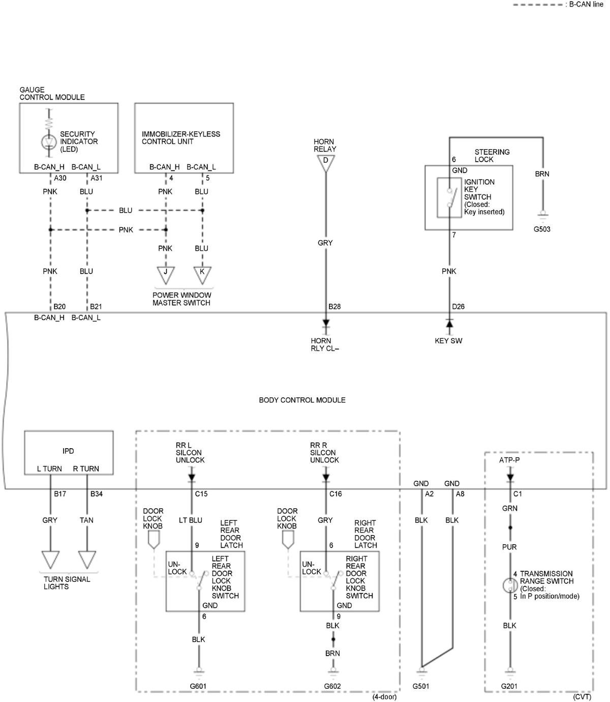
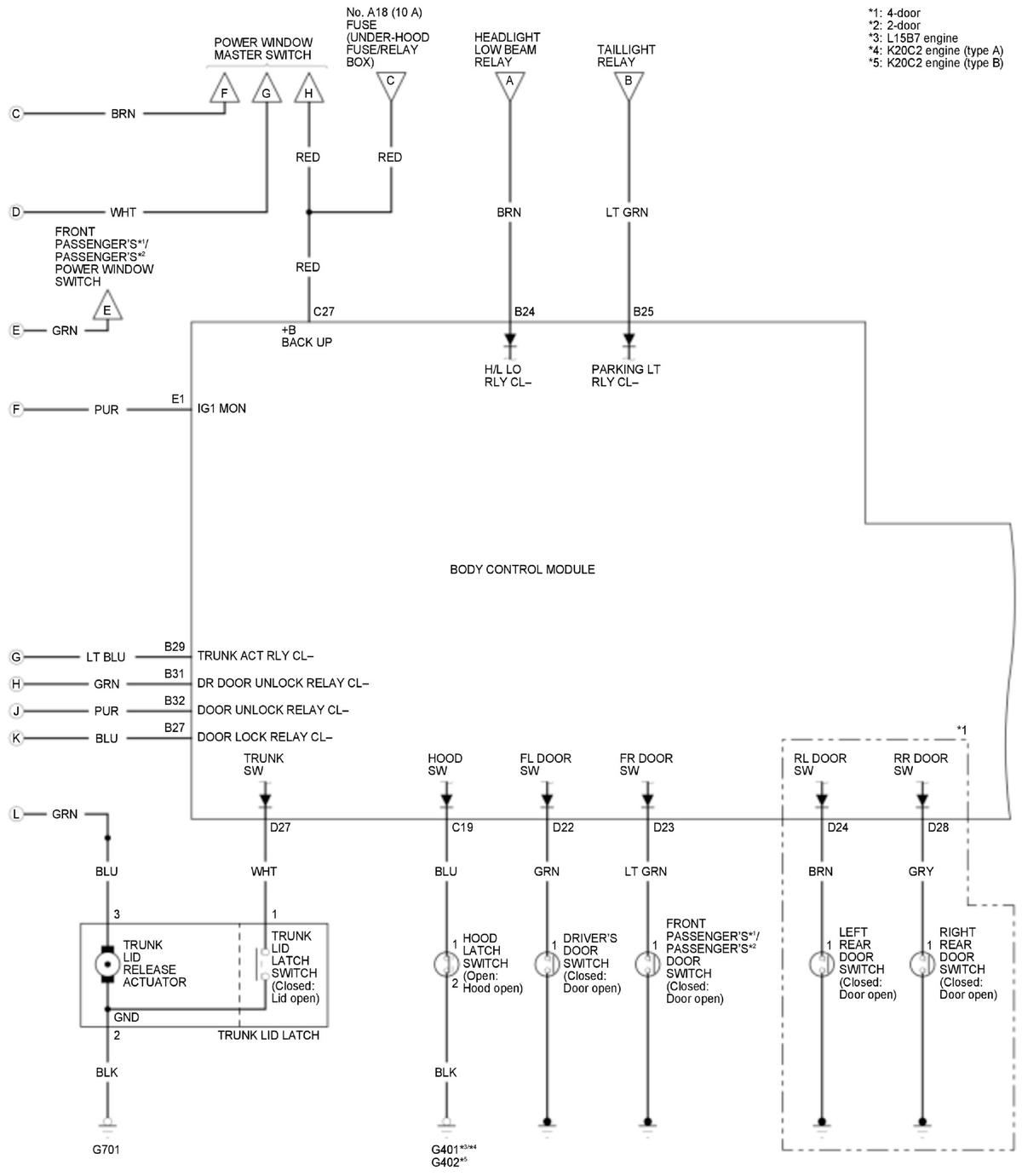
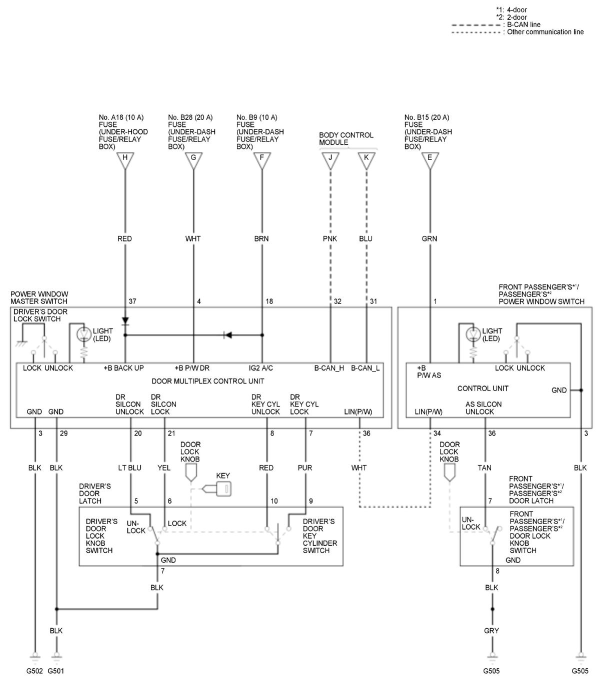
Keyless/Power Door Locks/Security System Circuit Diagram (2/4-door without Keyless Access System)

GHH411883Courtesy of HONDA, U.S.A., INC.
GHH411884Courtesy of HONDA, U.S.A., INC.
GHH411885Courtesy of HONDA, U.S.A., INC.
GHH411886Courtesy of HONDA, U.S.A., INC.
GHH411887Courtesy of HONDA, U.S.A., INC.