LEMON Manuals: Even more car manuals for everyone: 1960-2025
Home >> Honda >> 2017 >> Civic LX-P >> Repair and Diagnosis (Single Page) >> Accessories & Equipment >> Anti-Theft Systems >> Security System / Keyless Entry System - Gen Info & Troubleshooting >> Circuit Diagrams >> Keyless/Power Door Locks/Security System Circuit Diagram (5-door with Keyless Access System) (2017 2018 2019 2020 2021)
April 5, 2026: LEMON Manuals is launched! Read the announcement.

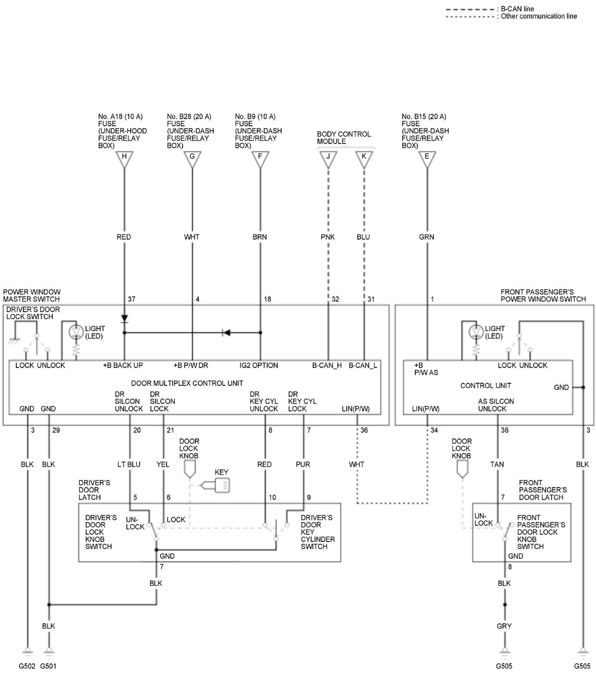
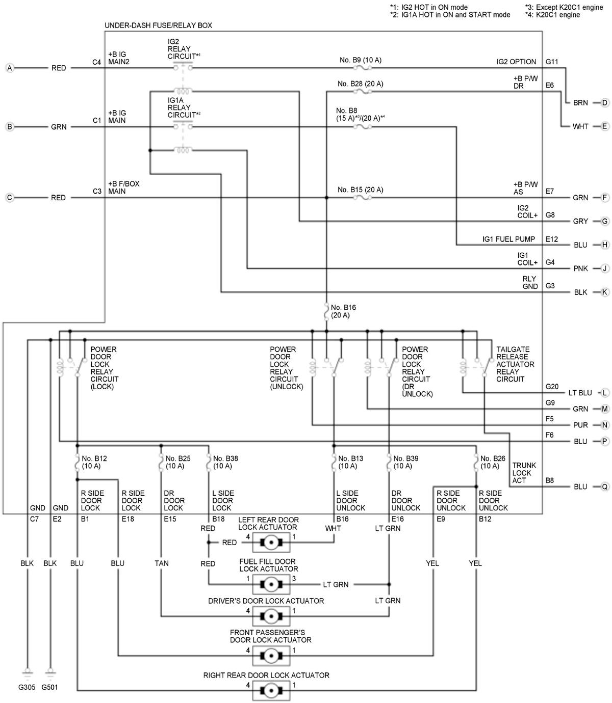
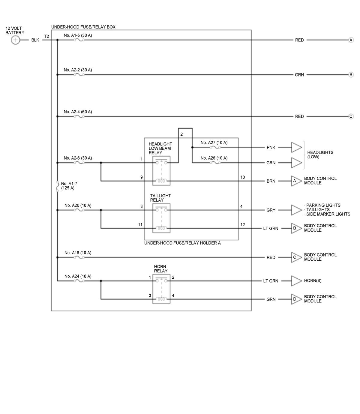
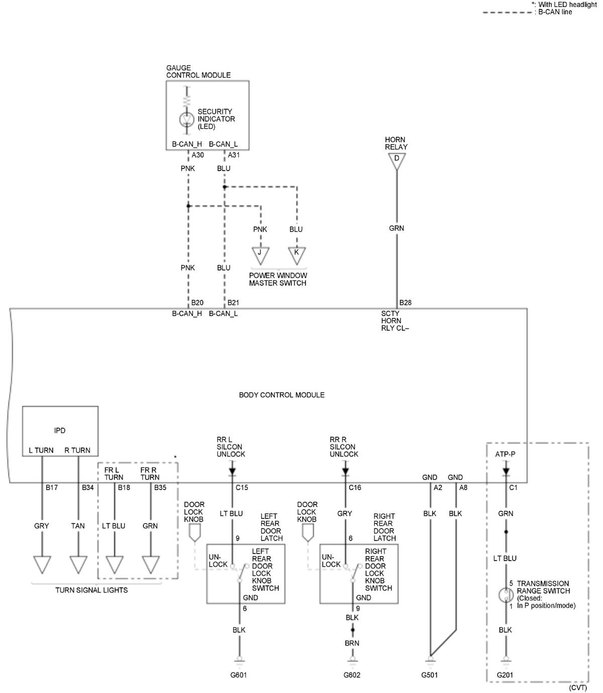
Keyless/Power Door Locks/Security System Circuit Diagram (5-door with Keyless Access System) (2017 2018 2019 2020 2021)

GHH411888Courtesy of HONDA, U.S.A., INC.
GHH411889Courtesy of HONDA, U.S.A., INC.
GHH411890Courtesy of HONDA, U.S.A., INC.
GHH411891Courtesy of HONDA, U.S.A., INC.
GHH411892Courtesy of HONDA, U.S.A., INC.