LEMON Manuals: Even more car manuals for everyone: 1960-2025
Home >> Honda >> 2017 >> Civic LX-P >> Repair and Diagnosis (Single Page) >> Body & Frame >> Door Locks >> Security System / Keyless Entry System - Gen Info & Troubleshooting >> Circuit Diagrams >> Keyless/Power Door Locks/Security System Circuit Diagram (5-door without Keyless Access System) (2017 2018 2019 2020 2021)
April 5, 2026: LEMON Manuals is launched! Read the announcement.

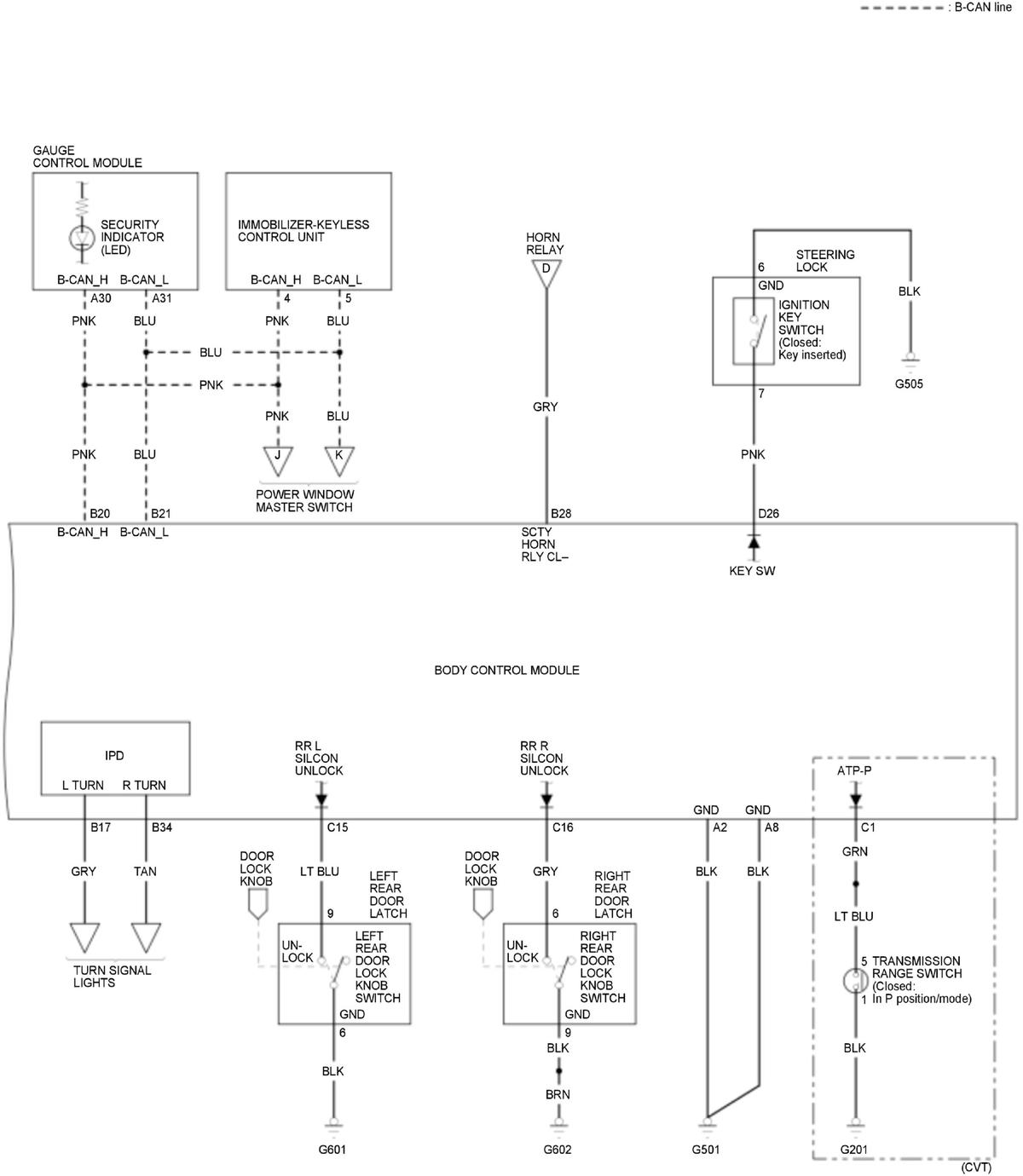
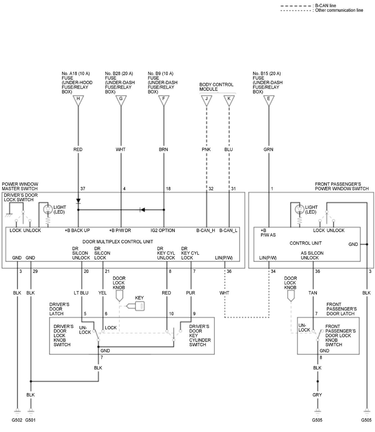
Keyless/Power Door Locks/Security System Circuit Diagram (5-door without Keyless Access System) (2017 2018 2019 2020 2021)

GHH411893Courtesy of HONDA, U.S.A., INC.
GHH411894Courtesy of HONDA, U.S.A., INC.
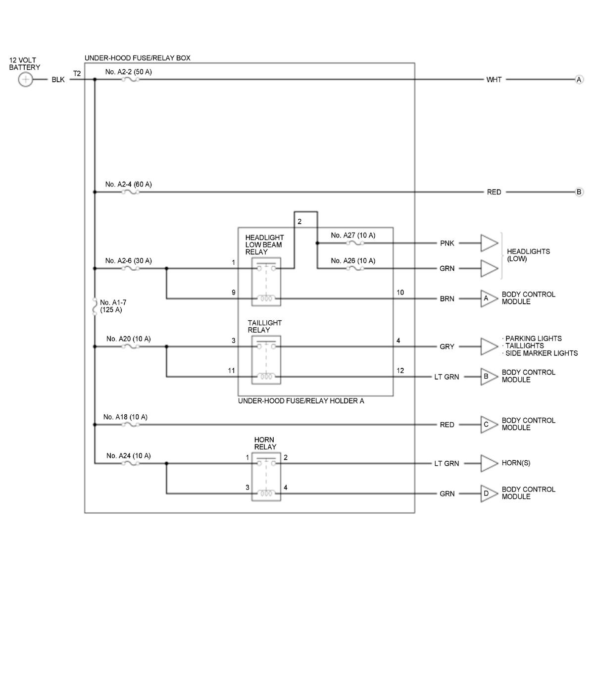
GHH411895Courtesy of HONDA, U.S.A., INC.
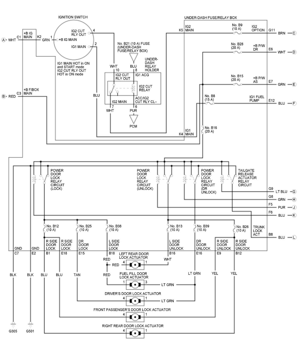
GHH411896Courtesy of HONDA, U.S.A., INC.
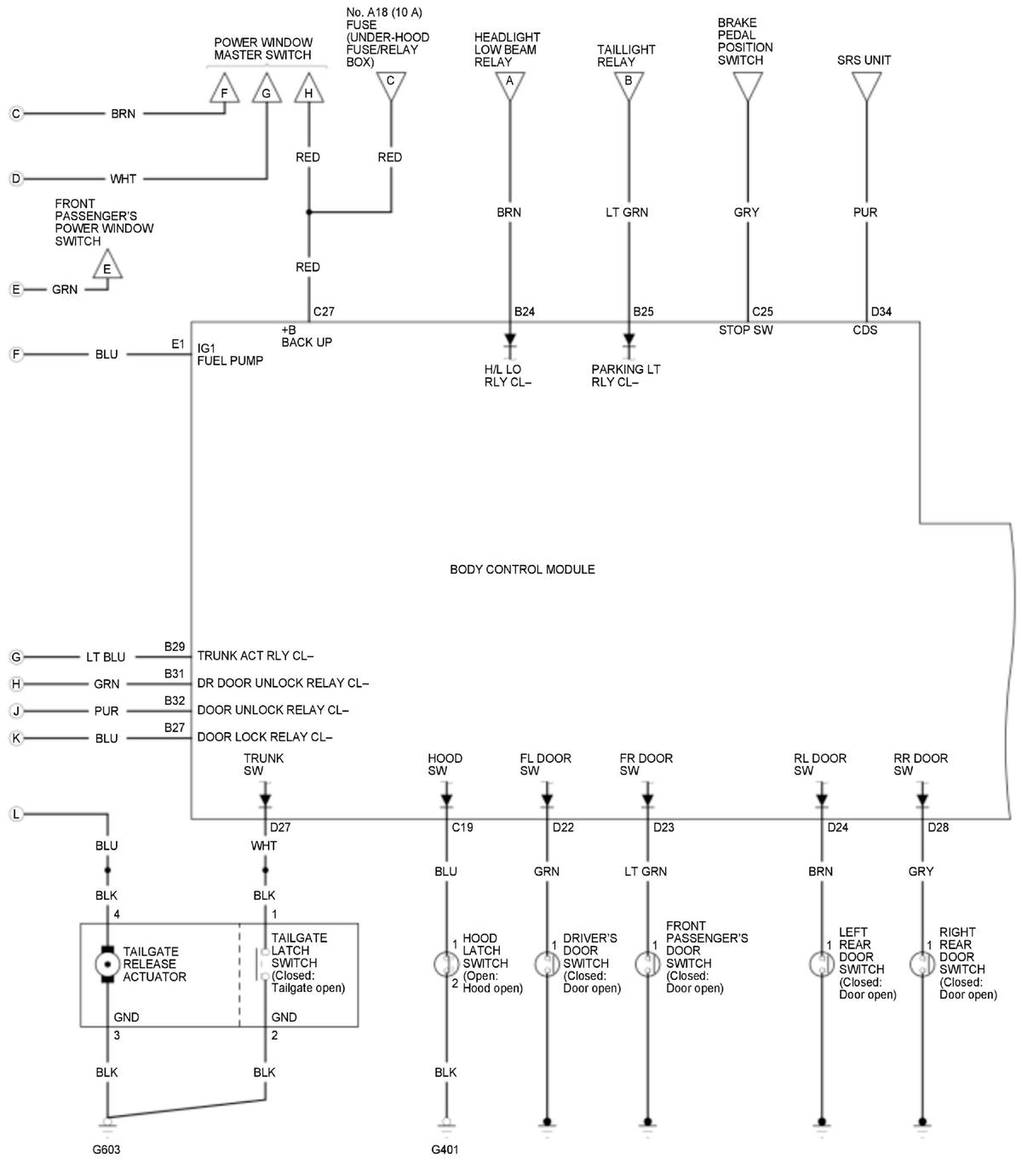
GHH411897Courtesy of HONDA, U.S.A., INC.