LEMON Manuals: Even more car manuals for everyone: 1960-2025
Home >> Honda >> 2017 >> HR-V EX, AWD >> Repair and Diagnosis (Single Page) >> Accessories & Equipment >> Communication Devices >> Network Communication - Testing & Troubleshooting >> Circuit Diagram >> Communication Systems Circuit Diagram(With Multipurpose Camera Unit) (2019 2020 2021)
April 5, 2026: LEMON Manuals is launched! Read the announcement.

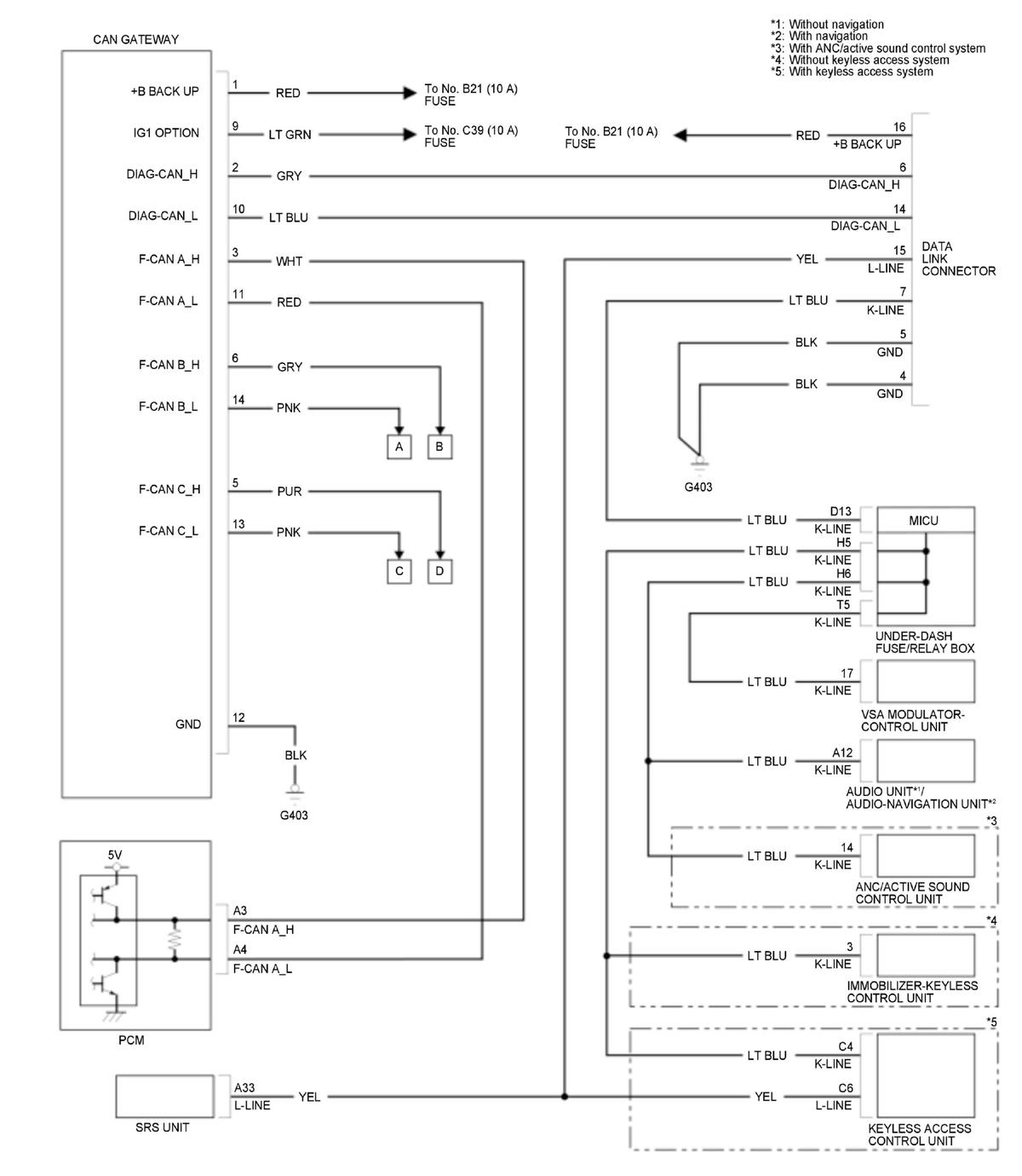
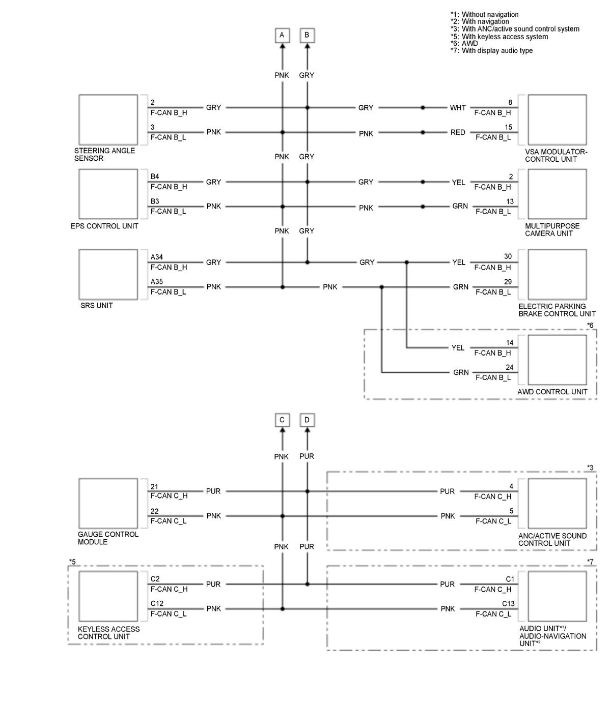
Communication Systems Circuit Diagram(With Multipurpose Camera Unit) (2019 2020 2021)

GHH437952Courtesy of HONDA, U.S.A., INC.
GHH437953Courtesy of HONDA, U.S.A., INC.