LEMON Manuals: Even more car manuals for everyone: 1960-2025
Home >> Honda >> 2017 >> HR-V EX, AWD >> Repair and Diagnosis >> Accessories & Equipment >> Anti-Theft Systems >> Security System Keyless Entry System - Testing & Troubleshooting >> Circuit Diagram >> Immobilizer System Circuit Diagram (2016 2017 2018)
April 5, 2026: LEMON Manuals is launched! Read the announcement.

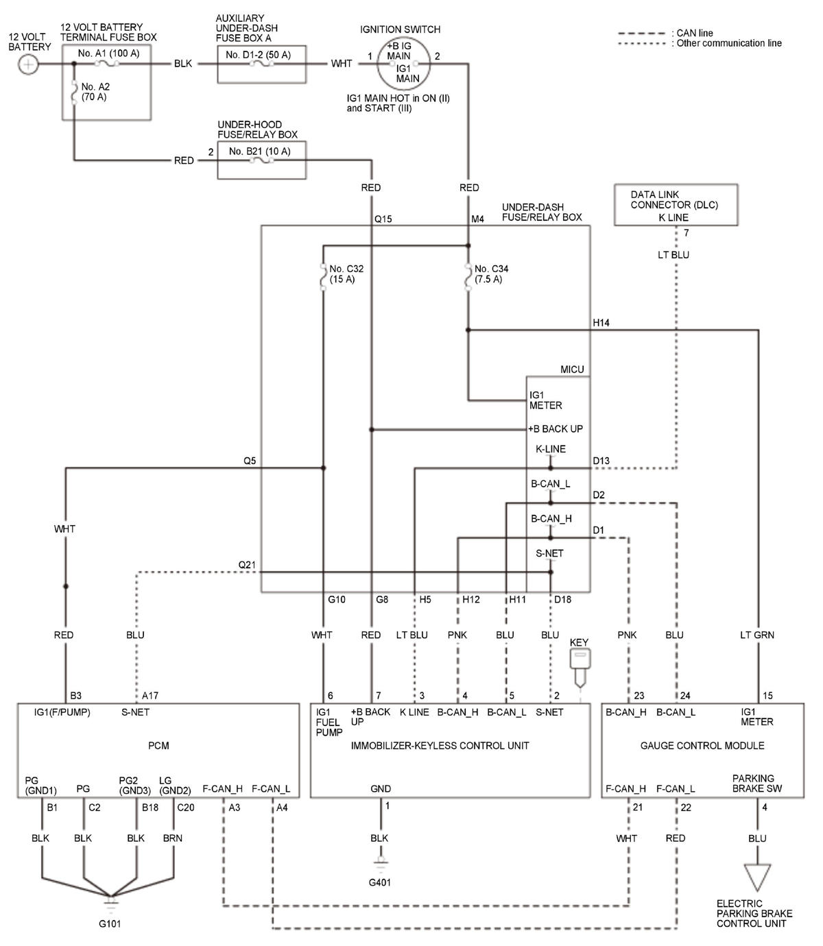
Immobilizer System Circuit Diagram (2016 2017 2018)

GHH438566Courtesy of HONDA, U.S.A., INC.