LEMON Manuals: Even more car manuals for everyone: 1960-2025
Home >> Honda >> 2017 >> HR-V EX, AWD >> Repair and Diagnosis >> Engine Performance >> System >> Engine Control System - Advanced Diagnostics (1 Of 2) >> Advanced Diagnostics >> DTC P0685
April 5, 2026: LEMON Manuals is launched! Read the announcement.

DTC P0685

DTC P0685:  Powertrain Control Module (PCM) Power Control Circuit/Internal Circuit Malfunction

General Description 

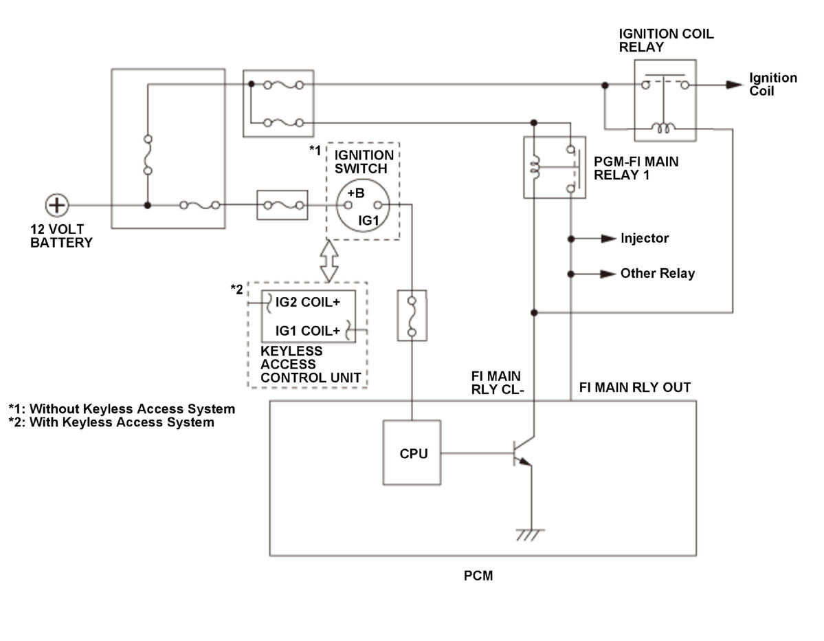
GHH434161Courtesy of HONDA, U.S.A., INC.

After the vehicle is turned to the OFF (LOCK) mode, the powertrain control module (PCM) does not shut down immediately. After finishing a predetermined process according to the request of each device and system, the power supply is automatically disconnected (self shut-down function). The PCM power is disconnected by controlling PGM-FI main relay 1. During a normal PCM shut down, the shut down process is executed by the CPU, PGM-FI main relay 1 is turned off, and the voltage to the PCM is turned off to shut down the PCM. When the voltage to the PCM is turned off and the PCM shuts down without the normal shut down procedure, the PCM detects a malfunction in the PGM-FI main relay 1 control circuit and stores a DTC.

Monitor Execution, Sequence, Duration, DTC Type, OBD Status 

Execution Continuous
Sequence None
Duration 1 second or less
DTC Type Two drive cycles, MIL on
OBD Status PASSED/FAILED/NOT COMPLETED (STILL TESTING)

Enable Conditions 

Condition Minimum Maximum
Elapsed time after starting the engine 10 seconds -

[ ]: HDS Parameter

Condition Minimum Maximum
Engine speed[ENGINE SPEED] 400 rpm -

[ ]: HDS Parameter

Malfunction Threshold 

The PCM is shut down within 1 second without the normal shut down procedure.

Possible Cause 

NOTE:  The causes shown may not be a complete list of all potential problems, and it is possible that there may be other causes.

Diagnosis Details 

Conditions for setting the DTC 

When a malfunction is detected during the first drive cycle, a Pending DTC is stored in the PCM memory. If the malfunction returns in the next (second) drive cycle, the MIL comes on and a Confirmed DTC and the freeze data are stored.

Conditions for clearing the DTC 

The MIL is cleared if the malfunction does not return in three consecutive trips in which the diagnostic runs. The MIL, the Pending DTC, the Confirmed DTC, and the freeze data can be cleared with the scan tool Clear command or by disconnecting the 12 volt battery.