LEMON Manuals: Even more car manuals for everyone: 1960-2025
Home >> Honda >> 2017 >> HR-V EX-L, AWD >> Repair and Diagnosis (Single Page) >> Accessories & Equipment >> Anti-Theft Systems >> Security System Keyless Entry System - Testing & Troubleshooting >> Circuit Diagram >> Keyless Access System Circuit Diagram (2016 2017 2018)
April 5, 2026: LEMON Manuals is launched! Read the announcement.

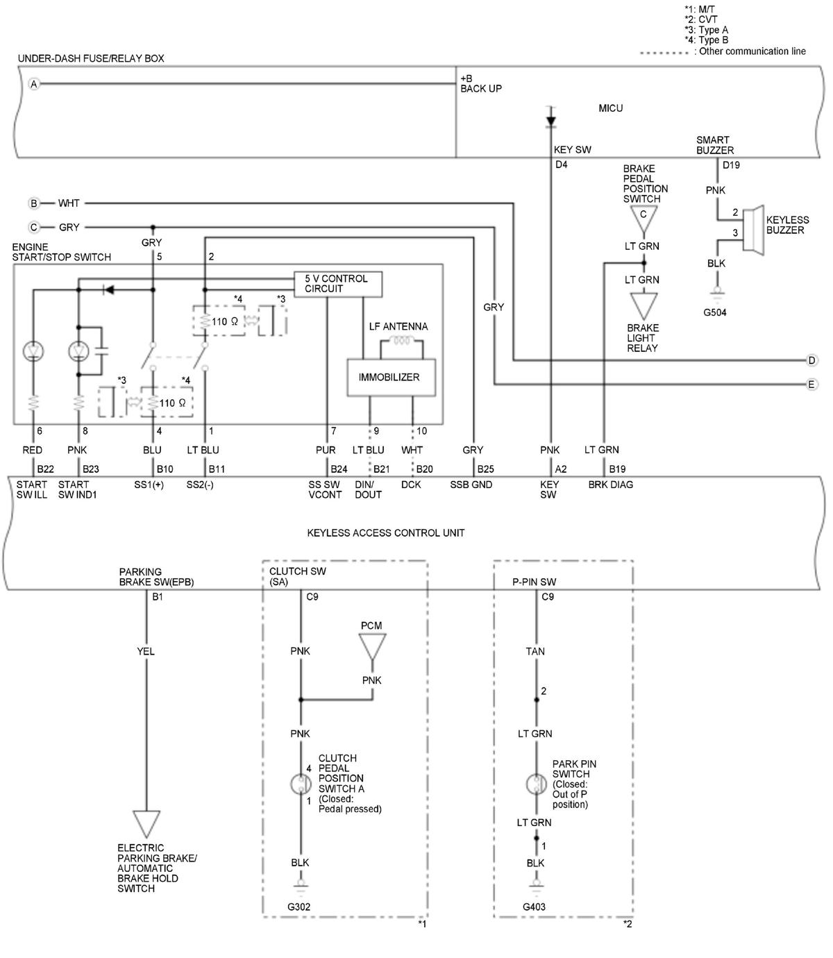
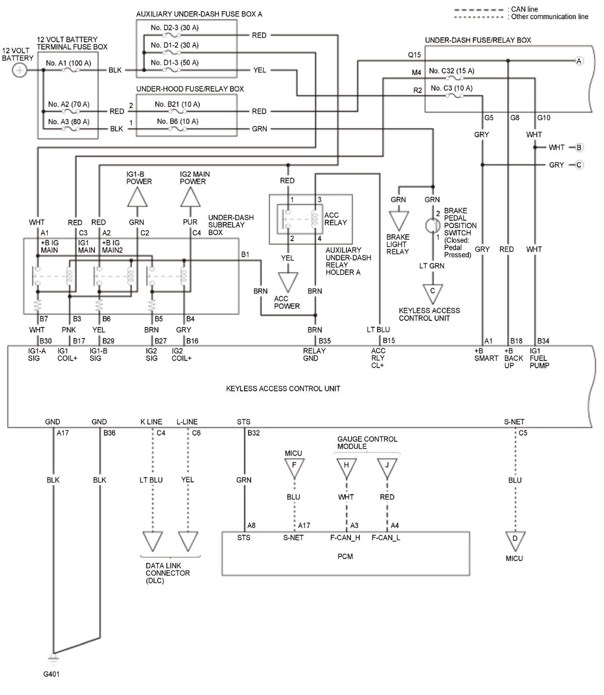
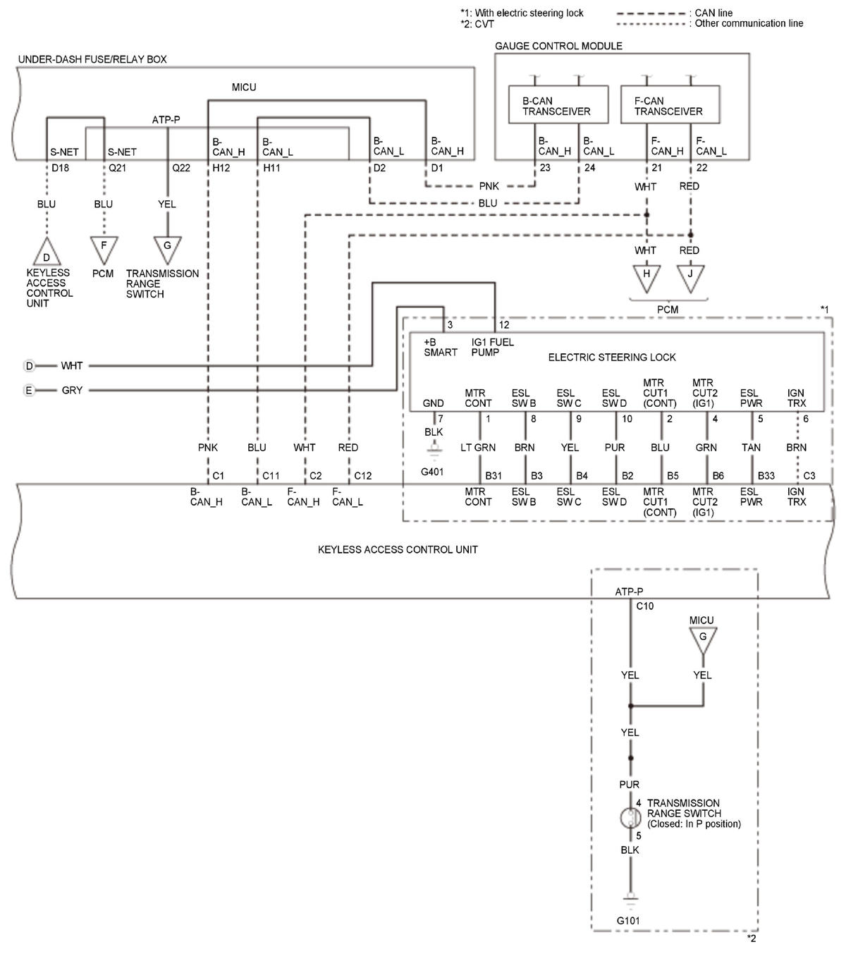
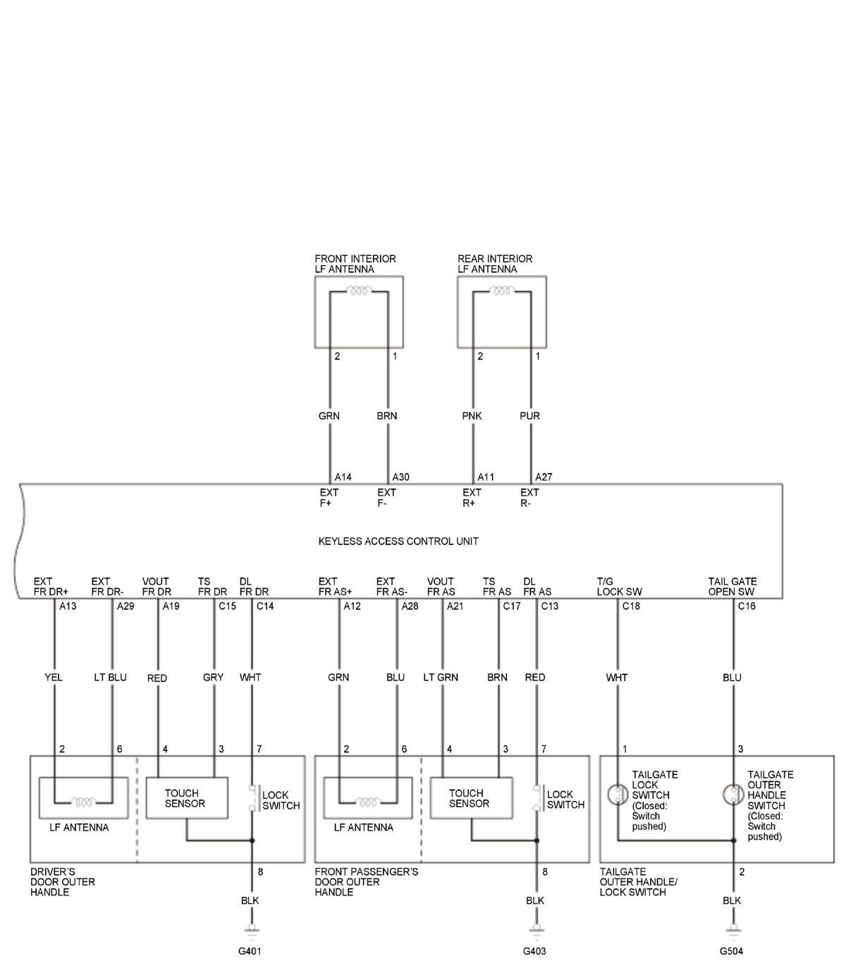
Keyless Access System Circuit Diagram (2016 2017 2018)

GHH438568Courtesy of HONDA, U.S.A., INC.
GHH438569Courtesy of HONDA, U.S.A., INC.
GHH438570Courtesy of HONDA, U.S.A., INC.
GHH438571Courtesy of HONDA, U.S.A., INC.