LEMON Manuals: Even more car manuals for everyone: 1960-2025
Home >> Honda >> 2017 >> HR-V EX-L, AWD >> Repair and Diagnosis (Single Page) >> Accessories & Equipment >> Anti-Theft Systems >> Security System Keyless Entry System - Testing & Troubleshooting >> Circuit Diagram >> Keyless/Power Door Locks/Security System Circuit Diagram (2016 2017 2018)
April 5, 2026: LEMON Manuals is launched! Read the announcement.

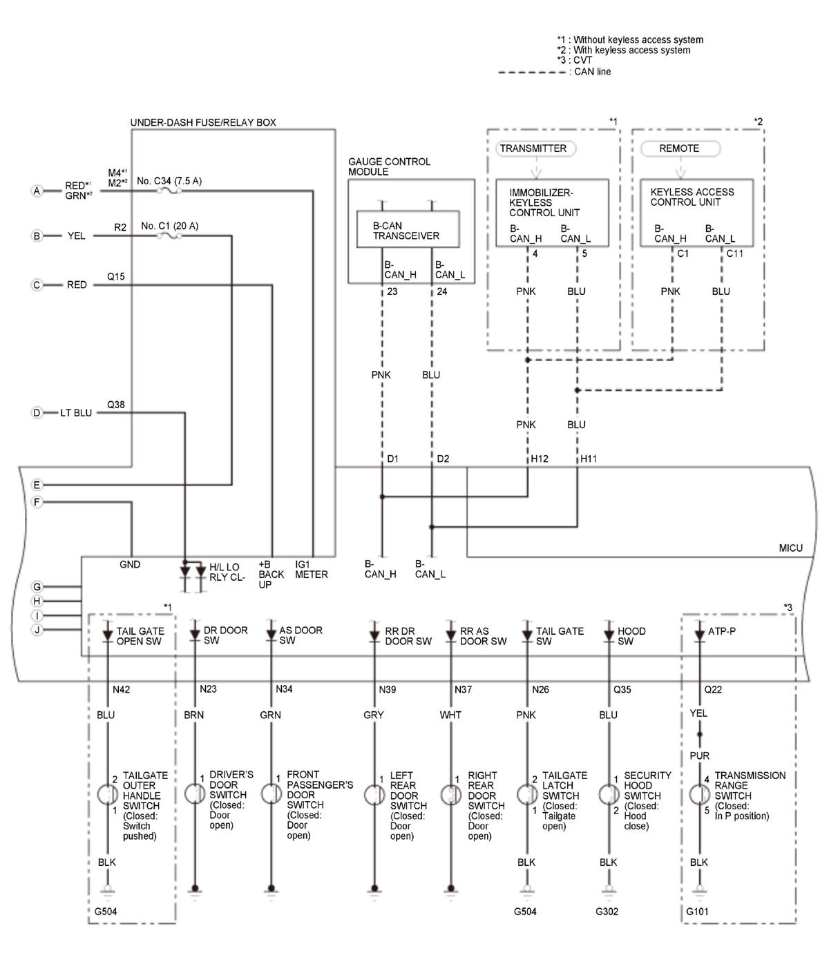
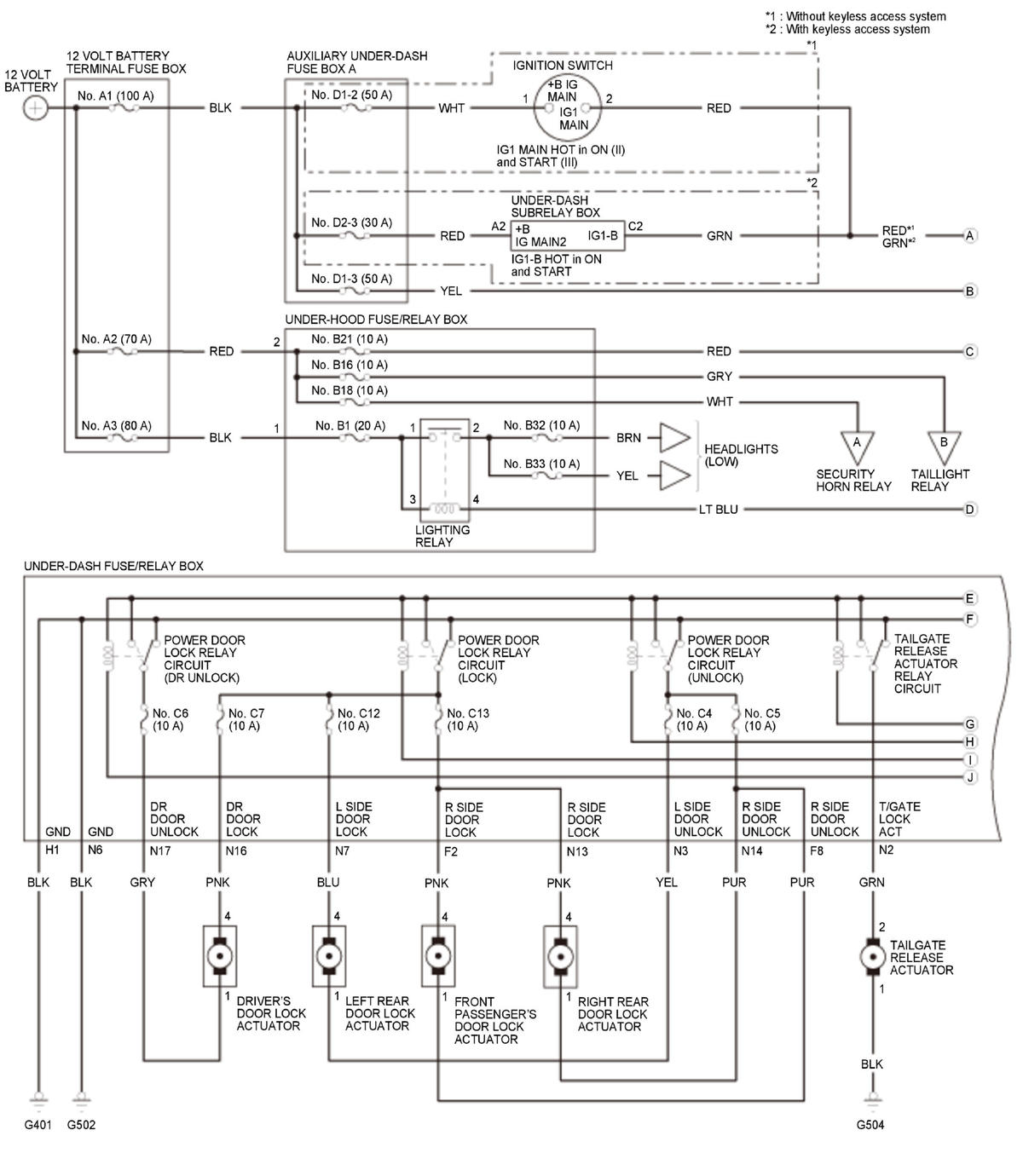
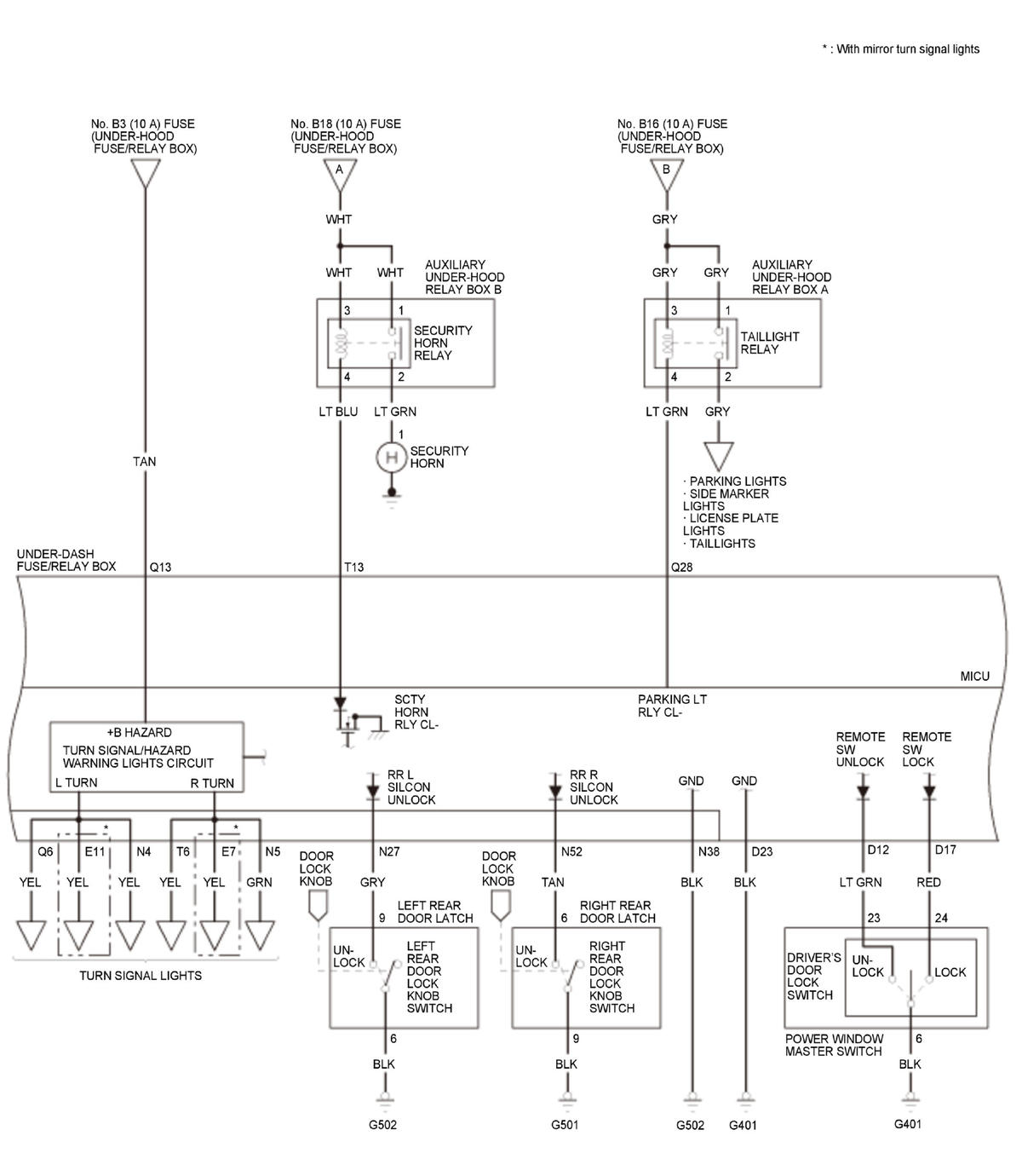
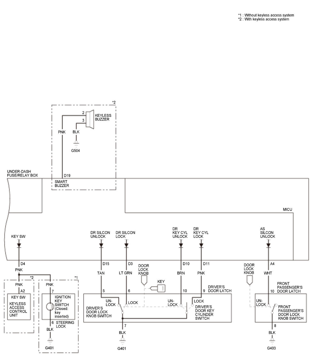
Keyless/Power Door Locks/Security System Circuit Diagram (2016 2017 2018)

GHH438576Courtesy of HONDA, U.S.A., INC.
GHH438577Courtesy of HONDA, U.S.A., INC.
GHH438578Courtesy of HONDA, U.S.A., INC.
GHH438579Courtesy of HONDA, U.S.A., INC.