LEMON Manuals: Even more car manuals for everyone: 1960-2025
Home >> Honda >> 2017 >> Odyssey EX >> Repair and Diagnosis >> Body & Frame >> Windows >> Power Windows >> Circuit Diagram
April 5, 2026: LEMON Manuals is launched! Read the announcement.

Circuit Diagram

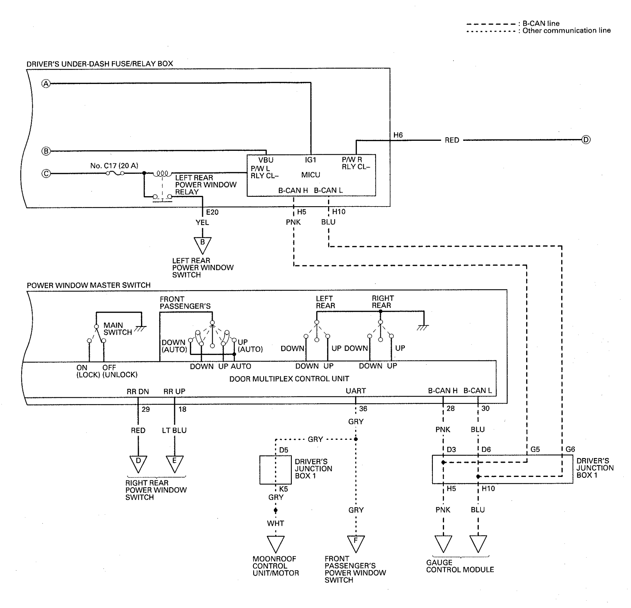
Fig 1: Power Window System Circuit Diagram (1 Of 3)
G06969846Courtesy of AMERICAN HONDA MOTOR CO.,INC.
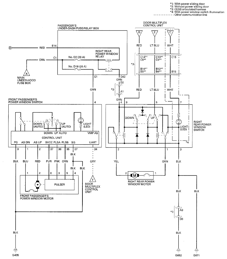
Fig 2: Power Window System Circuit Diagram (2 Of 3)
G00523823Courtesy of AMERICAN HONDA MOTOR CO.,INC.
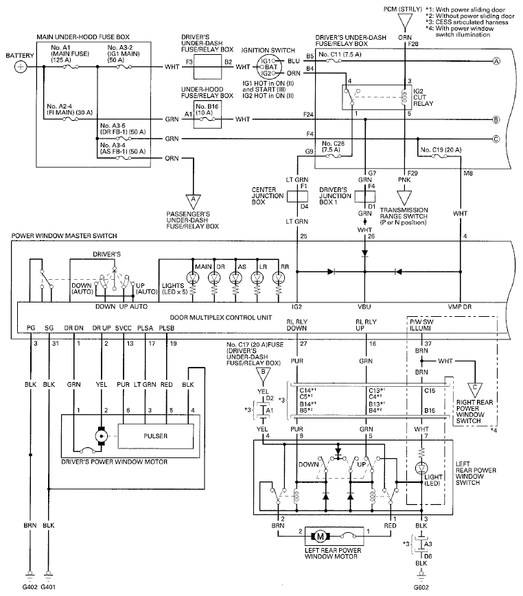
Fig 3: Power Window System Circuit Diagram (3 Of 3)
G06969848Courtesy of AMERICAN HONDA MOTOR CO.,INC.