LEMON Manuals: Even more car manuals for everyone: 1960-2025
Home >> Honda >> 2017 >> Odyssey Touring >> Repair and Diagnosis >> Engine Performance >> System >> Fuel And Emissions Systems >> System Description >> Communication Systems Circuit Diagram
April 5, 2026: LEMON Manuals is launched! Read the announcement.

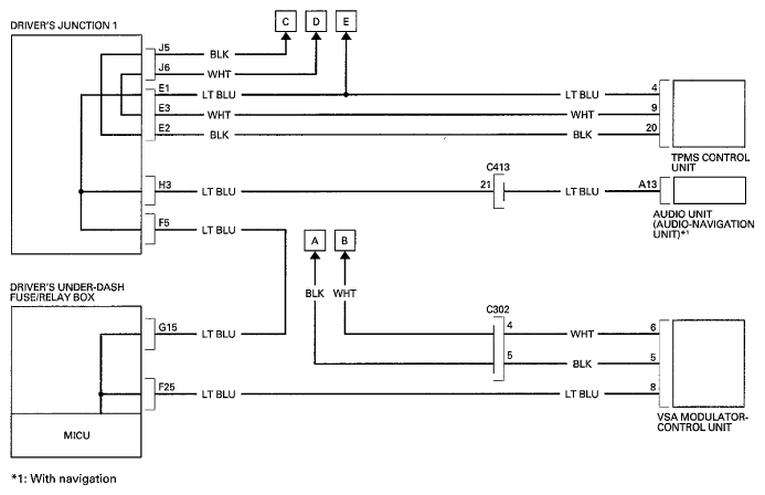
Communication Systems Circuit Diagram

Fig 1: Communication Systems Circuit Diagram (1 Of 2)
G06963724Courtesy of AMERICAN HONDA MOTOR CO., INC.
Fig 2: Communication Systems Circuit Diagram (2 Of 2)
G06963725Courtesy of AMERICAN HONDA MOTOR CO., INC.