LEMON Manuals: Even more car manuals for everyone: 1960-2025
Home >> Honda >> 2017 >> Pilot EX, AWD >> Repair and Diagnosis (Single Page) >> Transmission >> Automatic Trans >> Automatic Transaxle - Service, Testing And Troubleshooting >> Circuit Diagram >> A/T System Circuit Diagram (2019: 9-Speed A/T)
April 5, 2026: LEMON Manuals is launched! Read the announcement.

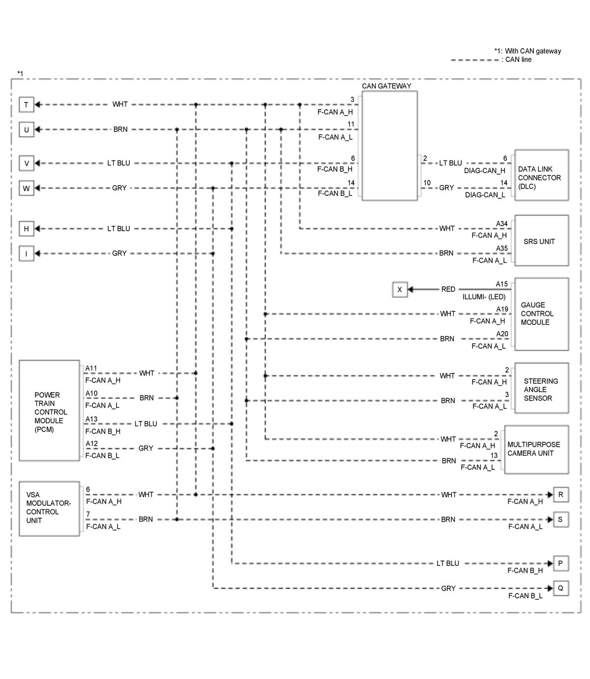
A/T System Circuit Diagram (2019: 9-Speed A/T)

GHH304880Courtesy of HONDA, U.S.A., INC.
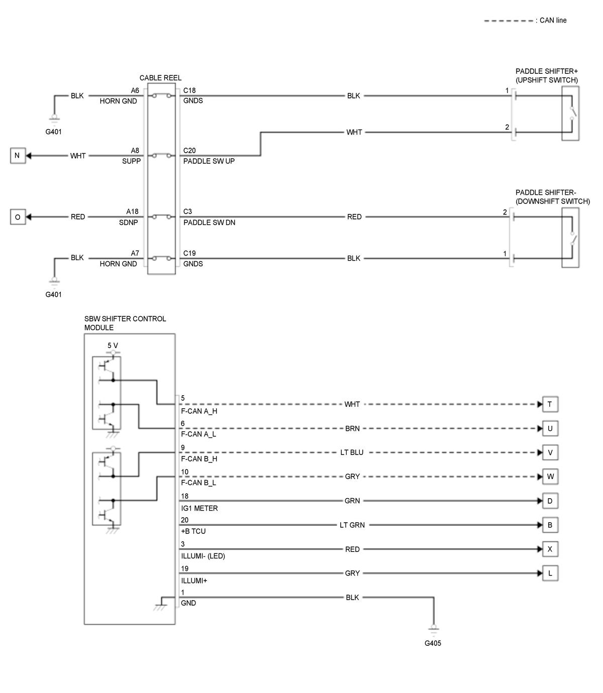
GHH304881Courtesy of HONDA, U.S.A., INC.
GHH304882Courtesy of HONDA, U.S.A., INC.
GHH304883Courtesy of HONDA, U.S.A., INC.
GHH304884Courtesy of HONDA, U.S.A., INC.
GHH304885Courtesy of HONDA, U.S.A., INC.