LEMON Manuals: Even more car manuals for everyone: 1960-2025
Home >> Honda >> 2017 >> Pilot EX, AWD >> Repair and Diagnosis >> Accessories & Equipment >> Anti-Theft Systems >> Security System Keyless Entry System - Testing & Troubleshooting (1 Of 2) >> Circuit Diagram >> KEYLESS/POWER DOOR LOCKS/SECURITY SYSTEM (WITH Auto Idle Stop System) (2019 2020 2021)
April 5, 2026: LEMON Manuals is launched! Read the announcement.

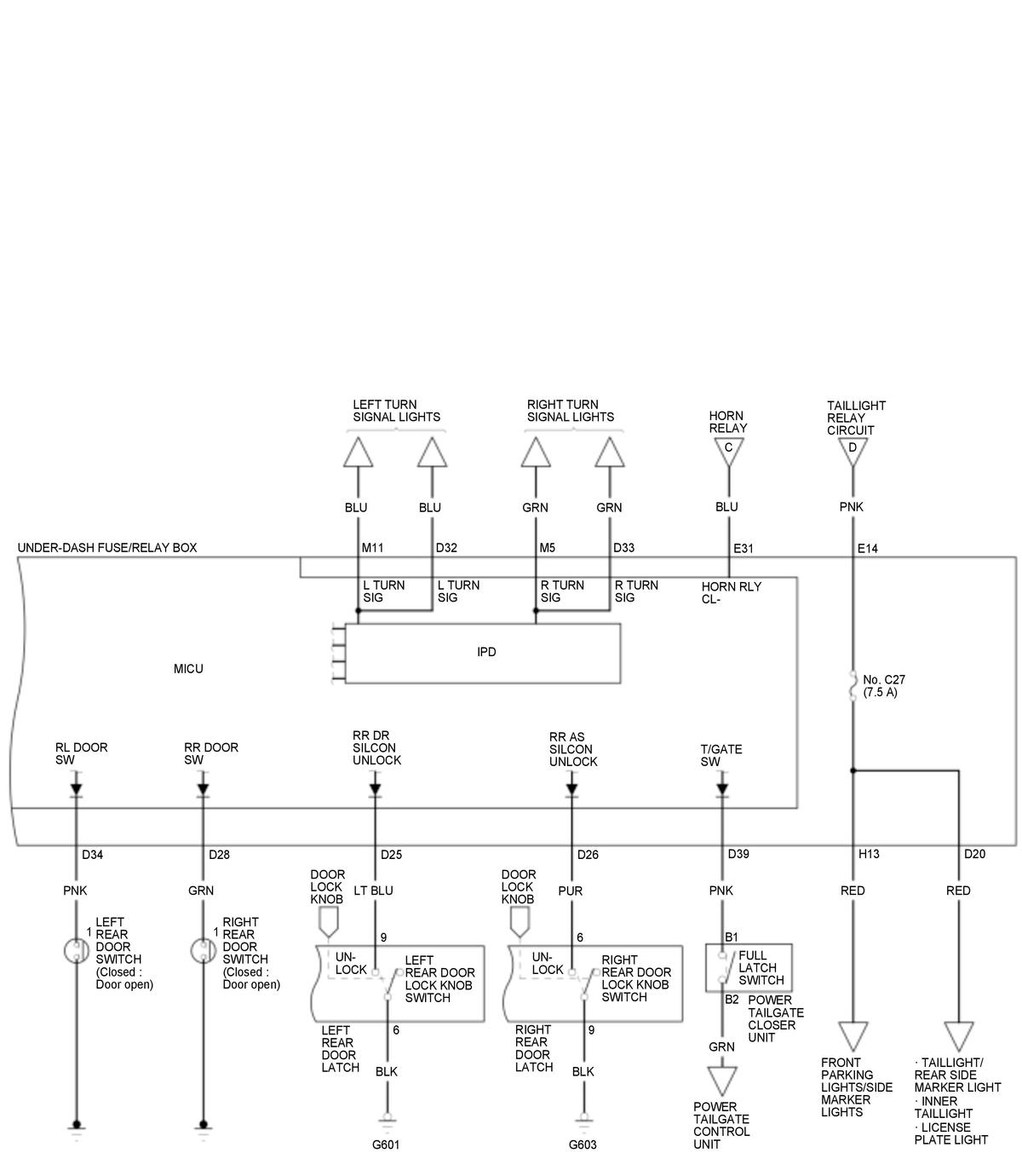
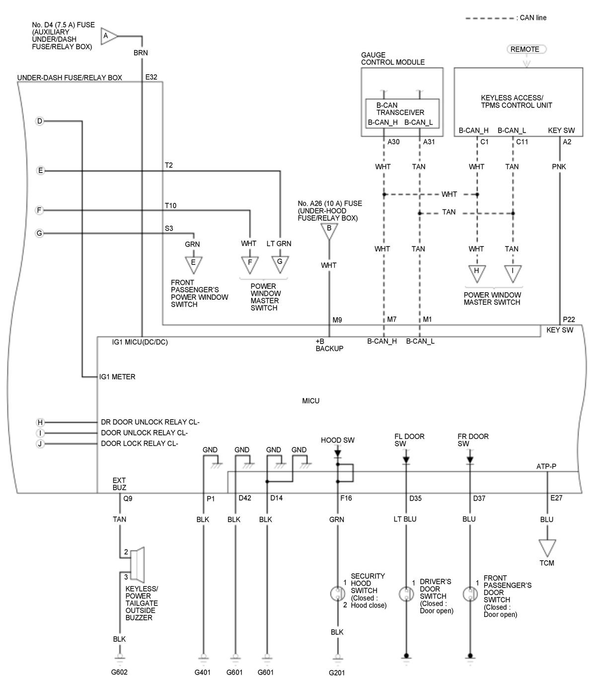
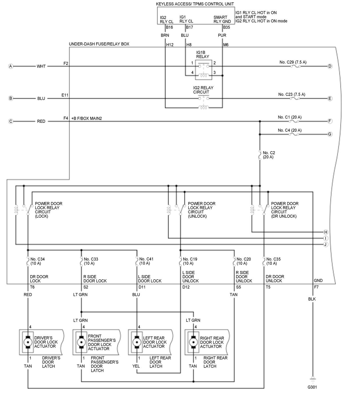
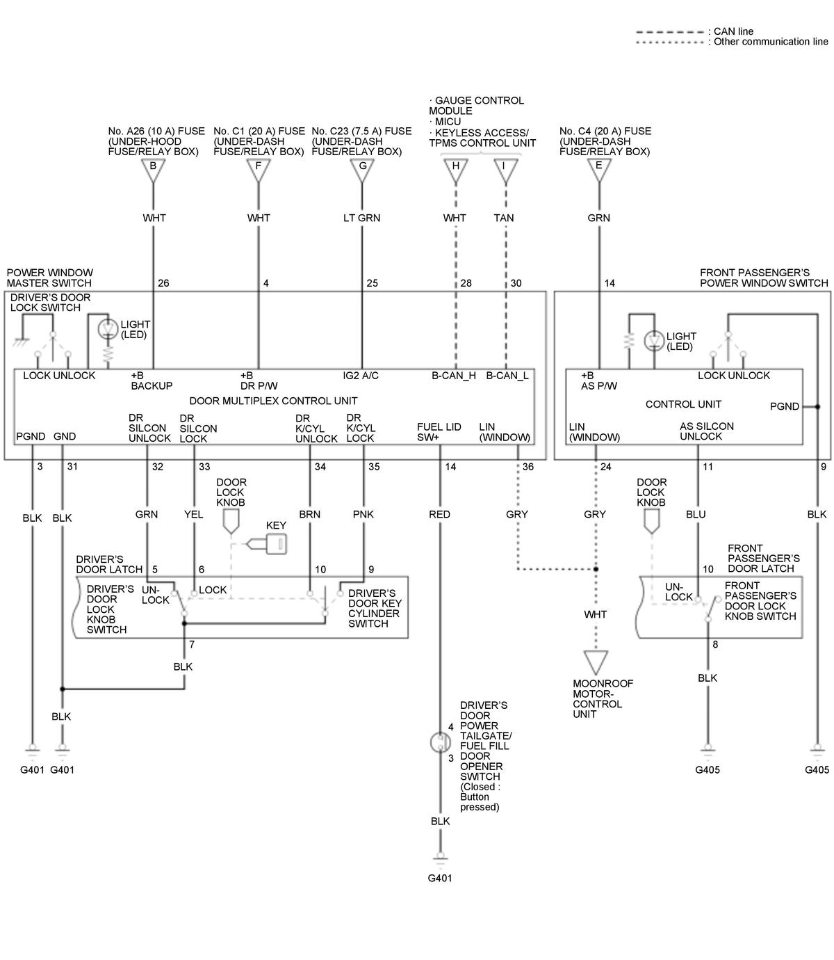
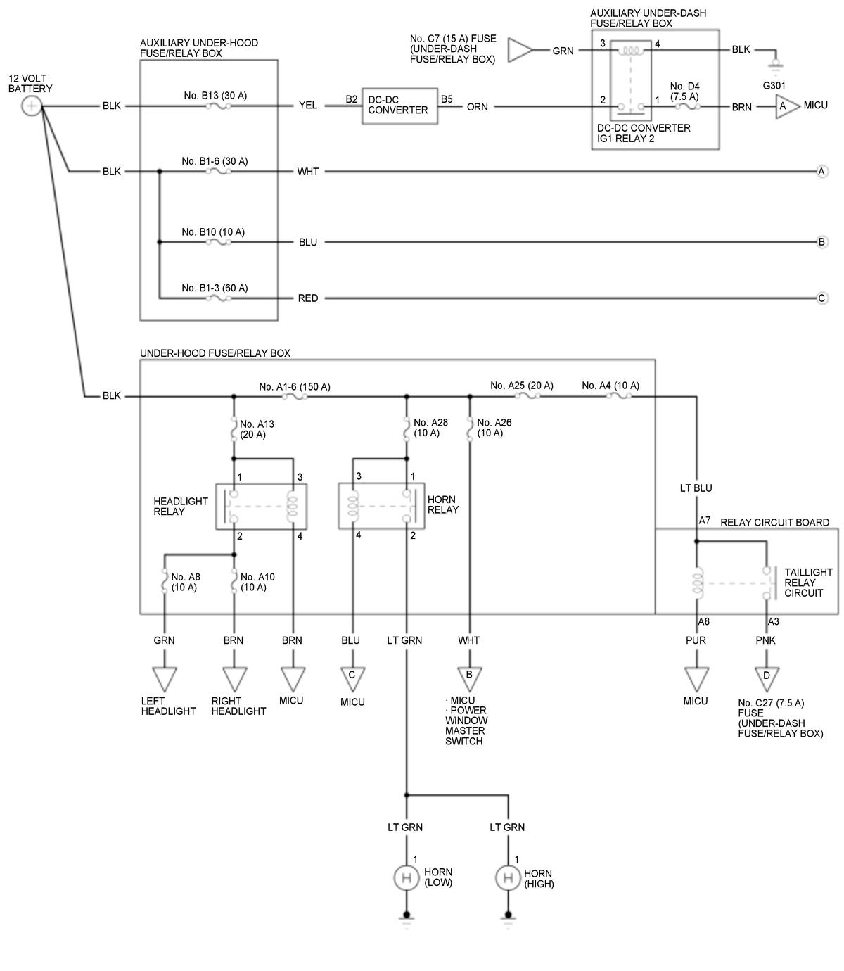
KEYLESS/POWER DOOR LOCKS/SECURITY SYSTEM (WITH Auto Idle Stop System) (2019 2020 2021)

GHH312315Courtesy of HONDA, U.S.A., INC.
GHH312316Courtesy of HONDA, U.S.A., INC.
GHH312317Courtesy of HONDA, U.S.A., INC.
GHH312318Courtesy of HONDA, U.S.A., INC.
GHH312319Courtesy of HONDA, U.S.A., INC.