LEMON Manuals: Even more car manuals for everyone: 1960-2025
Home >> Honda >> 2017 >> Pilot EX, AWD >> Repair and Diagnosis >> Steering >> Power Steering >> Steering System - Service, Testing And Troubleshooting >> Circuit Diagram >> EPS Circuit Diagram (2019 2020 2021)
April 5, 2026: LEMON Manuals is launched! Read the announcement.

EPS Circuit Diagram (2019 2020 2021)

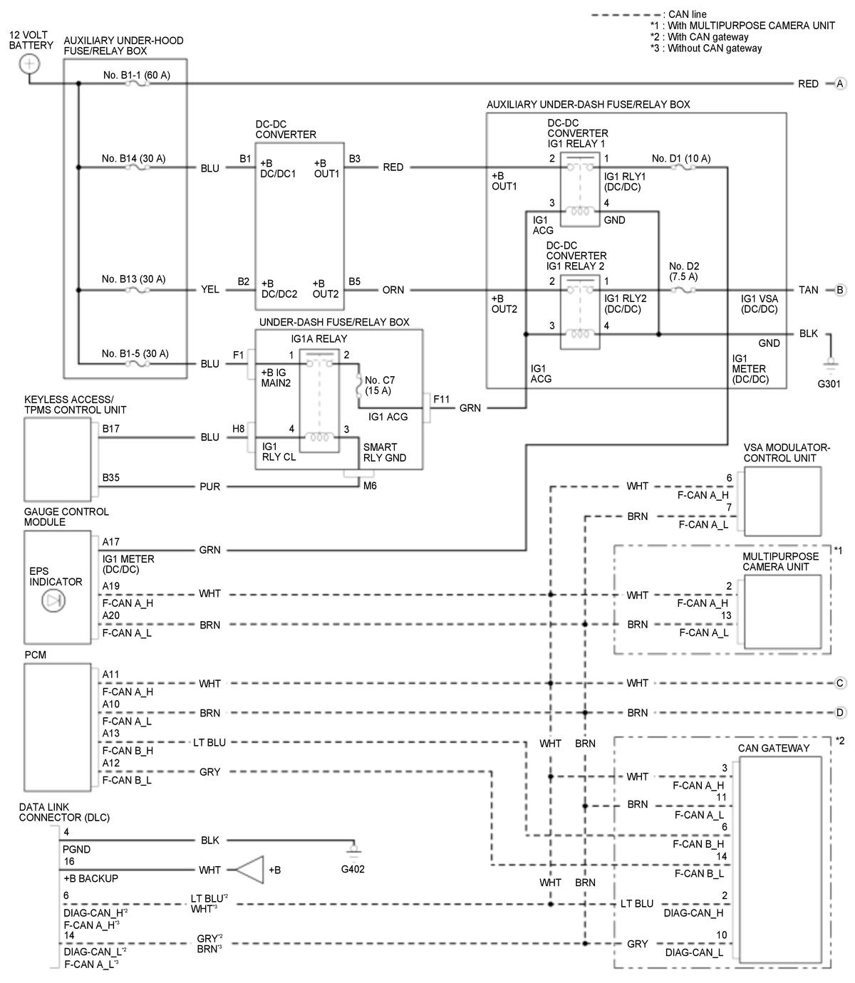
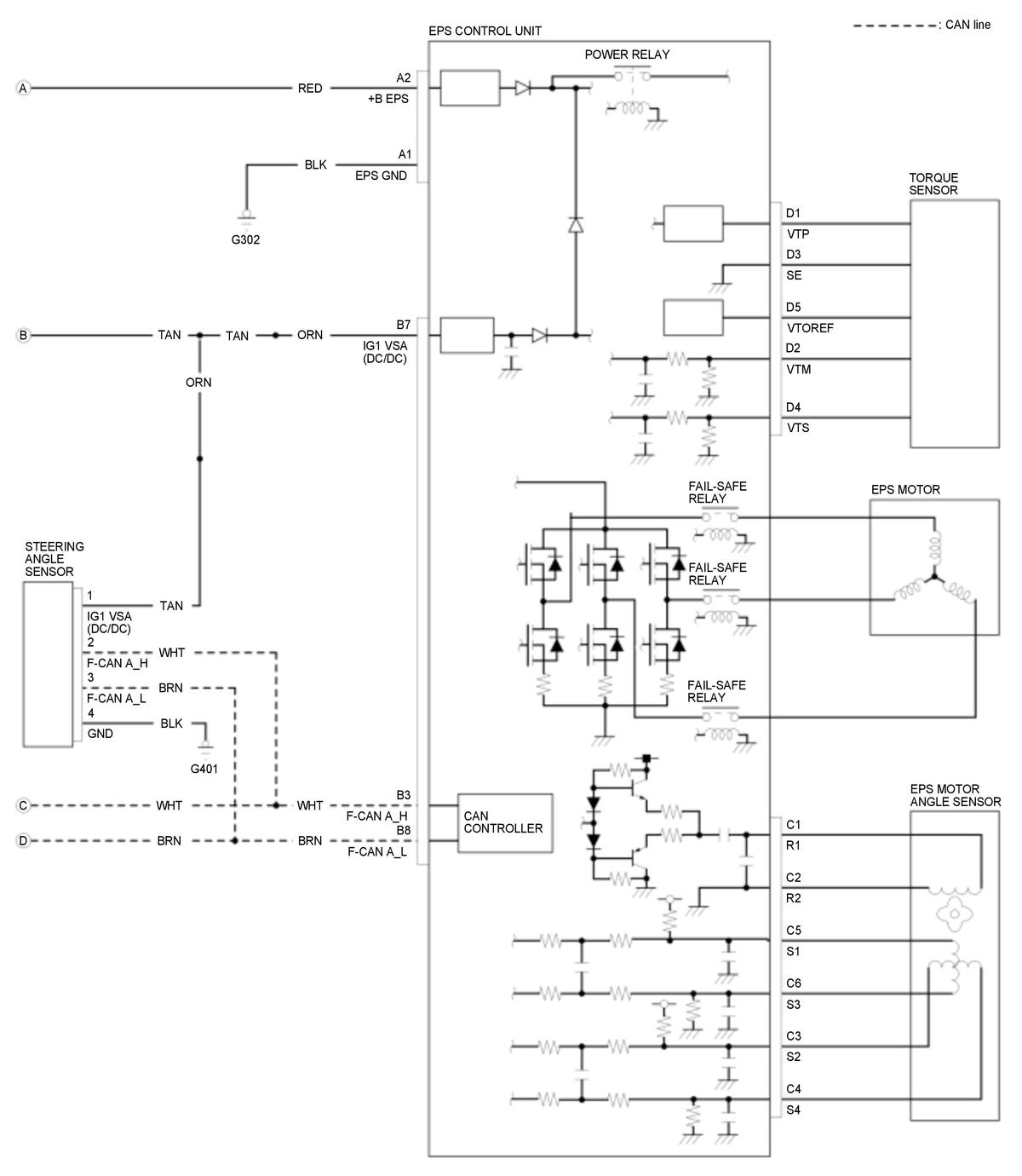
With ACC 

GHH312644Courtesy of HONDA, U.S.A., INC.
GHH312645Courtesy of HONDA, U.S.A., INC.

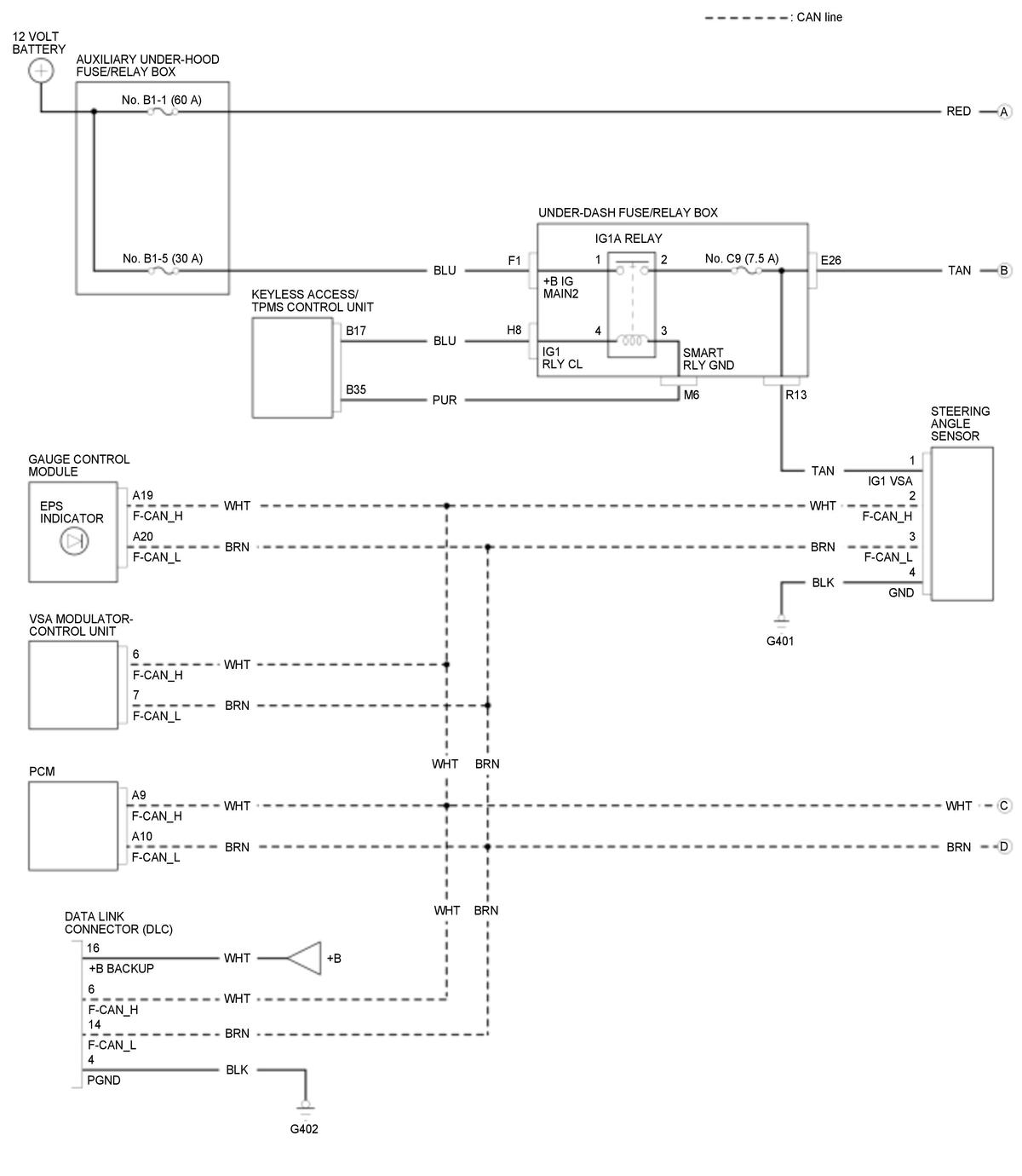
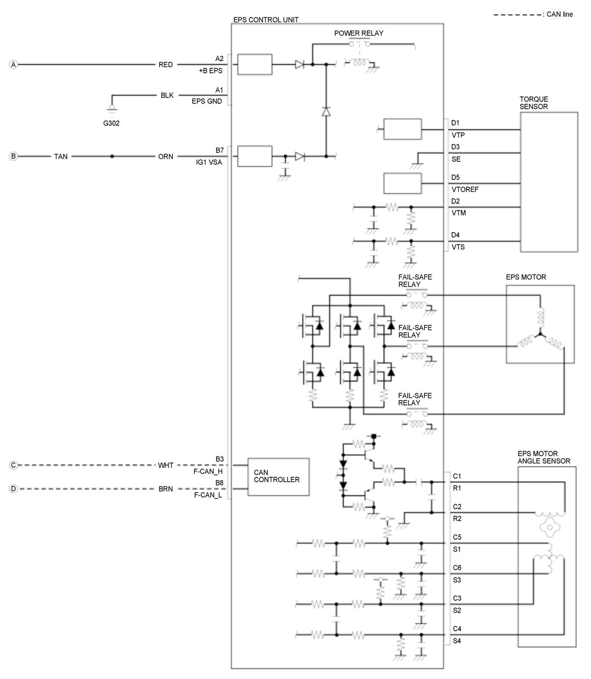
Without ACC 

GHH312646Courtesy of HONDA, U.S.A., INC.
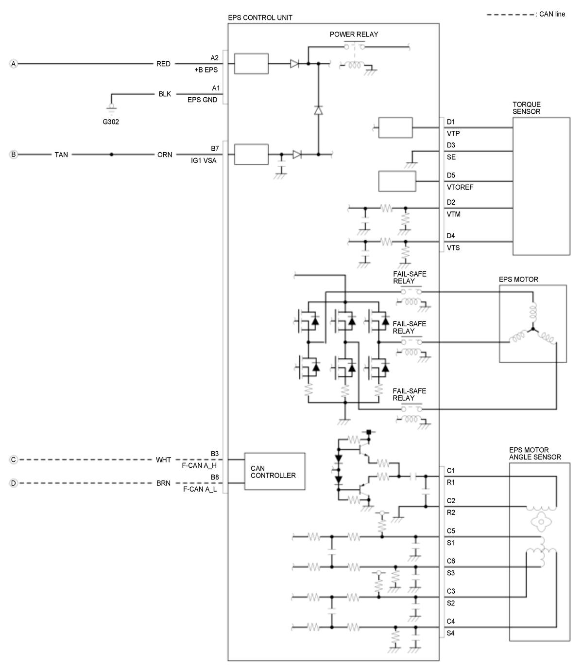
GHH312647Courtesy of HONDA, U.S.A., INC.


GHH312648Courtesy of HONDA, U.S.A., INC.
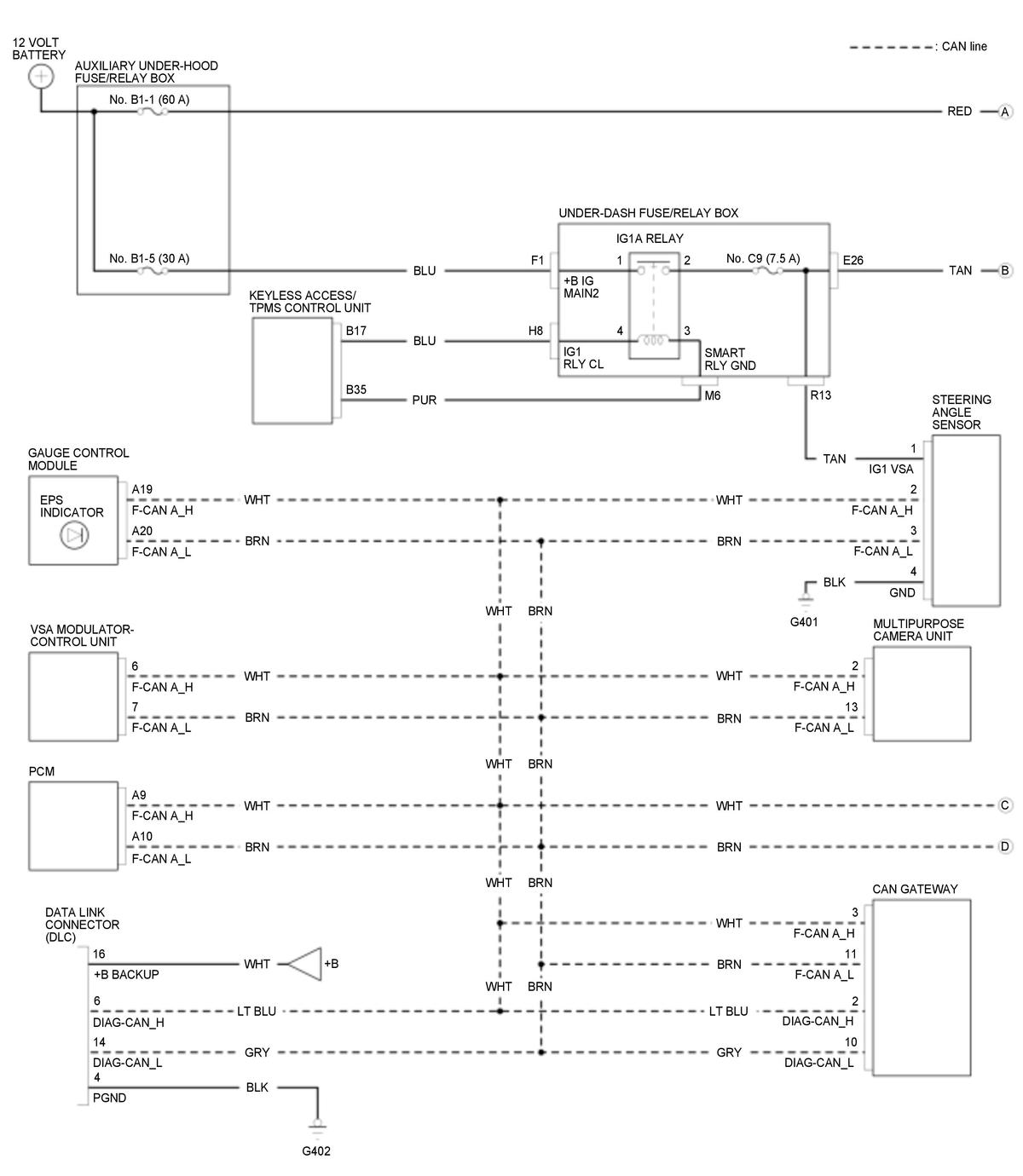
GHH312649Courtesy of HONDA, U.S.A., INC.