LEMON Manuals: Even more car manuals for everyone: 1960-2025
Home >> Honda >> 2017 >> Pilot EX, AWD >> Repair and Diagnosis >> Transmission >> Automatic Trans >> Automatic Transaxle - Service, Testing And Troubleshooting >> Circuit Diagram >> A/T System Circuit Diagram (2019 2020: 6-Speed A/T)
April 5, 2026: LEMON Manuals is launched! Read the announcement.

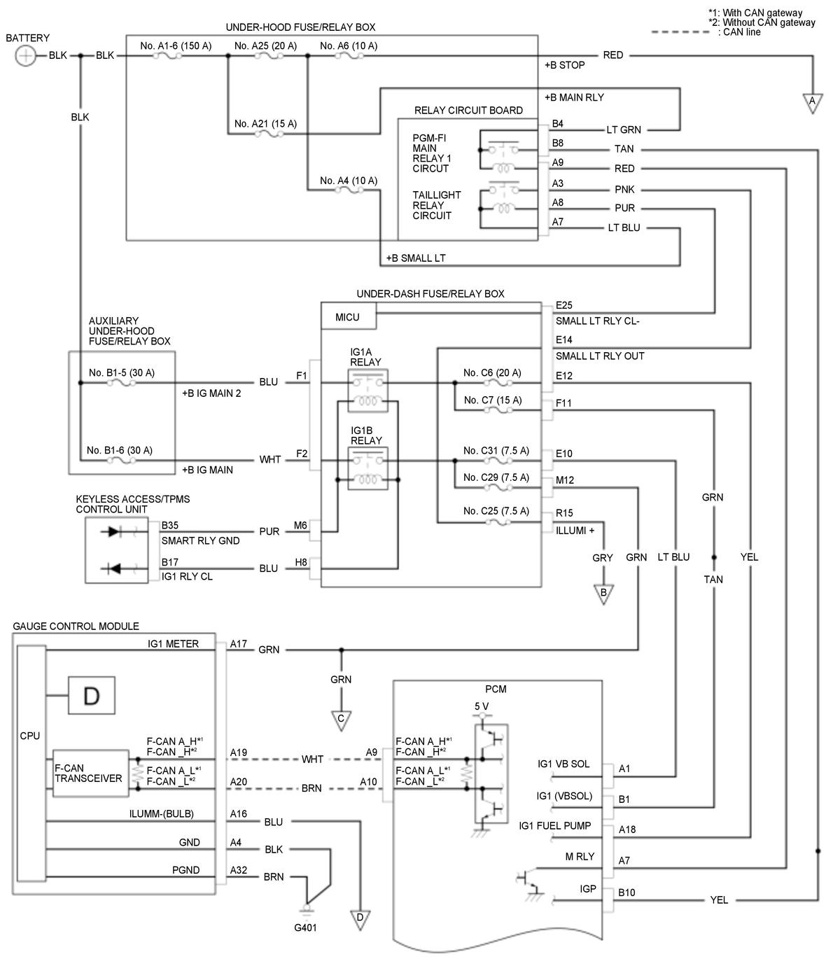
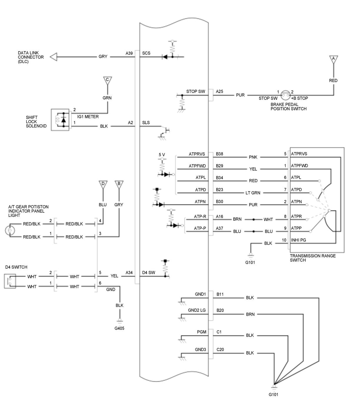
A/T System Circuit Diagram (2019 2020: 6-Speed A/T)

GHH304877Courtesy of HONDA, U.S.A., INC.
GHH304878Courtesy of HONDA, U.S.A., INC.
GHH304879Courtesy of HONDA, U.S.A., INC.