LEMON Manuals: Even more car manuals for everyone: 1960-2025
Home >> Honda >> 2017 >> Pilot EX, AWD >> Repair and Diagnosis >> Transmission >> Automatic Trans >> Automatic Transaxle - Service, Testing And Troubleshooting >> Circuit Diagram >> A/T System Circuit Diagram (2020 2021: 9-Speed A/T)
April 5, 2026: LEMON Manuals is launched! Read the announcement.

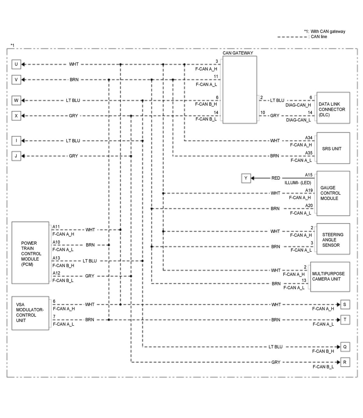
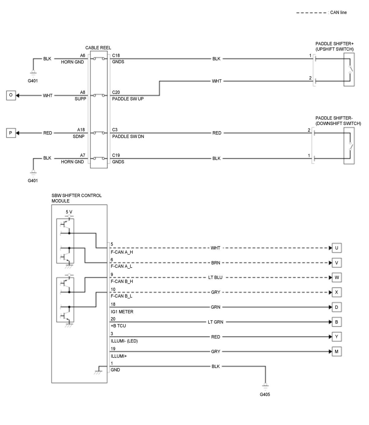
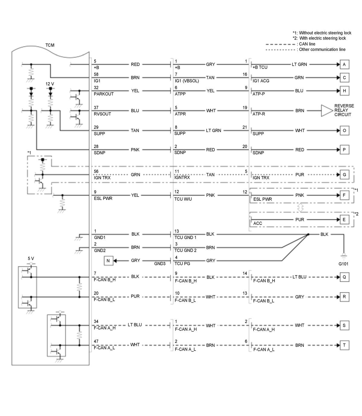
A/T System Circuit Diagram (2020 2021: 9-Speed A/T)

GHH304886Courtesy of HONDA, U.S.A., INC.
GHH304887Courtesy of HONDA, U.S.A., INC.
GHH304888Courtesy of HONDA, U.S.A., INC.
GHH304889Courtesy of HONDA, U.S.A., INC.
GHH304890Courtesy of HONDA, U.S.A., INC.
GHH304891Courtesy of HONDA, U.S.A., INC.