LEMON Manuals: Even more car manuals for everyone: 1960-2025
Home >> Honda >> 2017 >> Pilot LX, AWD >> Repair and Diagnosis (Single Page) >> Engine Performance >> System >> Engine Control System - Advanced Diagnostics (2 Of 3) >> Engine Control System - Advanced Diagnostics (2 Of 3) >> DTC : P0685 >> General Description
April 5, 2026: LEMON Manuals is launched! Read the announcement.

DTC : P0685: General Description

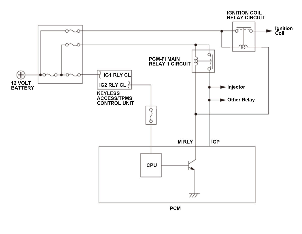
GHH306734Courtesy of HONDA, U.S.A., INC.

After the vehicle is turned to the OFF (LOCK) mode, the powertrain control module (PCM) does not shut down immediately. After finishing a predetermined process according to the request of each device and system, the power supply is automatically disconnected (self shut-down function). The PCM power is disconnected by controlling PGM-FI main relay 1 circuit. During a normal PCM shut down, the shut down process is executed by the CPU, PGM-FI main relay 1 circuit is turned off, and the voltage to the PCM is turned off to shut down the PCM. When the voltage to the PCM is turned off and the PCM shuts down without the normal shut down procedure, the PCM detects a malfunction in the PGM-FI main relay 1 circuit control circuit and stores a DTC.