LEMON Manuals: Even more car manuals for everyone: 1960-2025
Home >> Honda >> 2017 >> Pilot LX, AWD >> Repair and Diagnosis >> Engine Performance >> Engine Control Systems >> Engine Control System / Engine Mechanical - Service Information >> Removal And Installation >> INJECTOR (9-Speed A/T) (2019 2020 2021) >> Installation
April 5, 2026: LEMON Manuals is launched! Read the announcement.

INJECTOR (9-Speed A/T) (2019 2020 2021): Installation

NOTE: 

  1. Injector Seal - Install
    GHH308576Courtesy of HONDA, U.S.A., INC.
    1. With a paper towel, carefully wipe off any carbon from the area (A) shown.

    NOTE:

    • Do not wipe off the tip area (B) of the injector as it may damage it.
    • If the tip of the injector is dirty or clogged, it must be replaced. The injectors cannot be cleaned.
    GHH308577Courtesy of HONDA, U.S.A., INC.
    2. Install the sizing tool (A) to the injector (B) as shown.
     
    NOTE:  Do not touch the tool to the top of the injector.
    GHH308578Courtesy of HONDA, U.S.A., INC.
    3. Install the seal guide (A) over the tip of the injector (B) as shown.
    GHH308579Courtesy of HONDA, U.S.A., INC.
    4. Slide a new seal (A) on the seal guide as shown.
    GHH308580Courtesy of HONDA, U.S.A., INC.
    5. Slide the seal installer (A) onto the seal guide, then quickly push the seal down to the groove (B) of the injector.

    6. Remove the seal guide and seal installer from the injector.

    GHH308581Courtesy of HONDA, U.S.A., INC.
    7. Move the sizing tool and align the top of the injector surface (A) and the tool's inner surface (B) as shown, and hold the tool to reform the seal for 30 seconds or more.
     
    NOTE:  Make sure the seal (C) is not deformed when moving the tool.
    GHH308582Courtesy of HONDA, U.S.A., INC.
    8. Remove the sizing tool, and check that the seal is installed correctly.
    NOTE:  When cleaning the sizing tool and the seal guide, be careful not to scratch the sizing tool bore or the surface of the seal guide.
  2. Injector - Install
    GHH308583Courtesy of HONDA, U.S.A., INC.
    1. Install a new back-up ring (A) and a new O-ring (B) to the injector (C).

    NOTE:

    • Set the direction of the back-up ring as shown
    • Check that the back-up ring sets correctly after installation.

    2. Coat the O-ring with clean engine oil, then install the injector onto the fuel pipe (D) with a new clip (E).


    NOTE:  When installing the injector, be sure to protect the injector from dust or debris.
  3. Fuel Pipe and Fuel Injector - Install
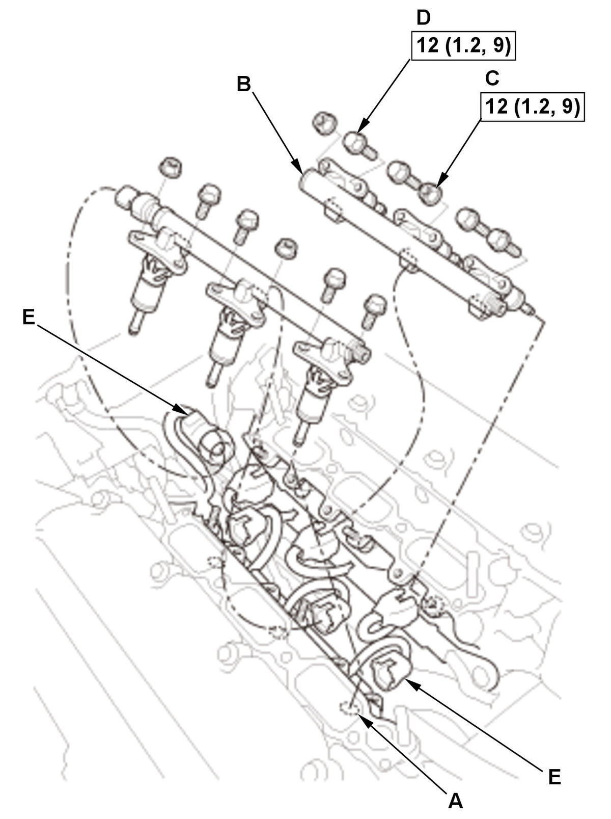
    Fig 1: Fuel Pipe and Fuel Injector With Torque Specifications
    GHH308584Courtesy of HONDA, U.S.A., INC.
    1. Coat the injector hole on the cylinder head (A) with clean engine oil.

    2. Carefully install the fuel pipes (B) with the injectors into the cylinder head straight and equal.

    NOTE:  When installing the injector, protect tip of the injector from dust or debris.

    3. Install the nuts (C), and tighten it slowly and alternately until the fuel pipe sits on the cylinder head.

    4. Tighten the nuts and the bolts (D) to the specified torque.

    5. Connect the connectors (E).

  4. Fuel Joint Pipe - Install

    NOTE:  Failure to install a new fuel joint pipe will cause fuel leaks.

  5. Fuel Leak - Check

    Do the fuel line inspection, and check the fuel leakage .

  6. Fuel Rail Cover - Install
    GHH308585Courtesy of HONDA, U.S.A., INC.
  7. High Pressure Fuel Pump Cover - Install
  8. Intake Manifold Base and Intake Manifold - Install - Refer to:

    Intake Manifold Removal and Installation (9-Speed A/T) (2019 2020 2021)