LEMON Manuals: Even more car manuals for everyone: 1960-2025
Home >> Honda >> 2017 >> Ridgeline RT, AWD >> Repair and Diagnosis >> Engine Performance >> System >> Engine Control System - Advanced Diagnostics (P0069 - P050D) >> Advanced Diagnostics >> DTC P0507 >> General Description
April 5, 2026: LEMON Manuals is launched! Read the announcement.

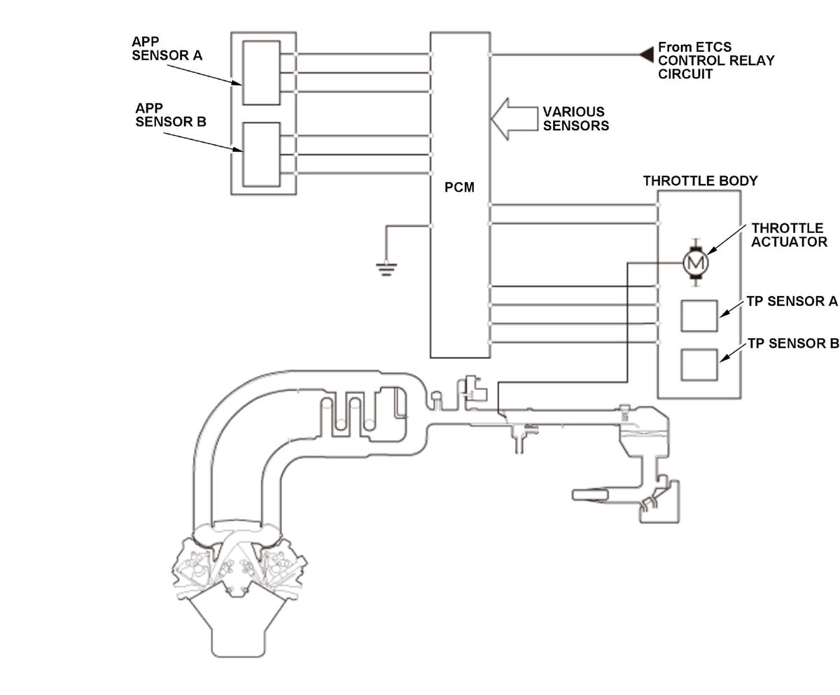
DTC P0507: General Description

GHH452213Courtesy of HONDA, U.S.A., INC.
GHH452214Courtesy of HONDA, U.S.A., INC.

A target idle speed that meets the engine operating conditions (coolant temperature, A/C ON or OFF, etc.) is stored in the powertrain control module (PCM). The PCM monitors and controls the idle speed so that the actual idle speed is equal to the target idle speed. If the actual idle speed varies beyond a specified value from the target speed over a certain period of time, the PCM detects a malfunction in the idle speed control system and stores a DTC.