LEMON Manuals: Even more car manuals for everyone: 1960-2025
Home >> Honda >> 2017 >> Ridgeline RTL, AWD >> Repair and Diagnosis (Single Page) >> Accessories & Equipment >> Anti-Theft Systems >> Keyless Access System - Testing & Troubleshooting >> Circuit Diagram >> Keyless Access System Circuit Diagram (2017 2018)
April 5, 2026: LEMON Manuals is launched! Read the announcement.

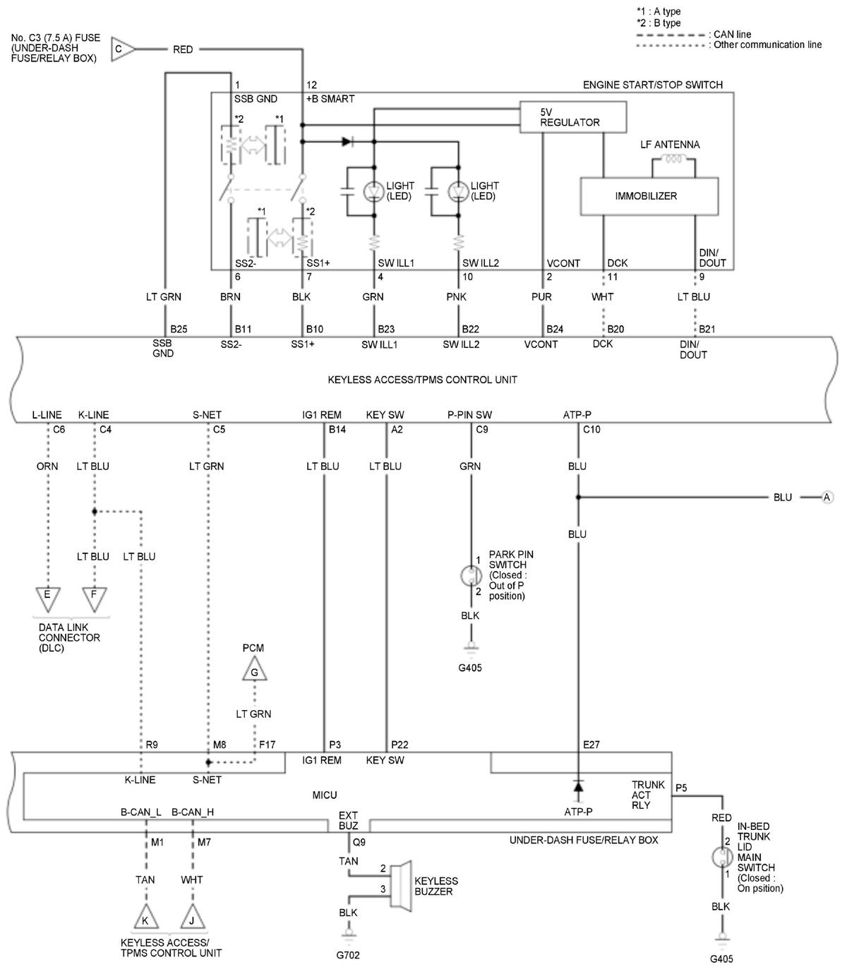
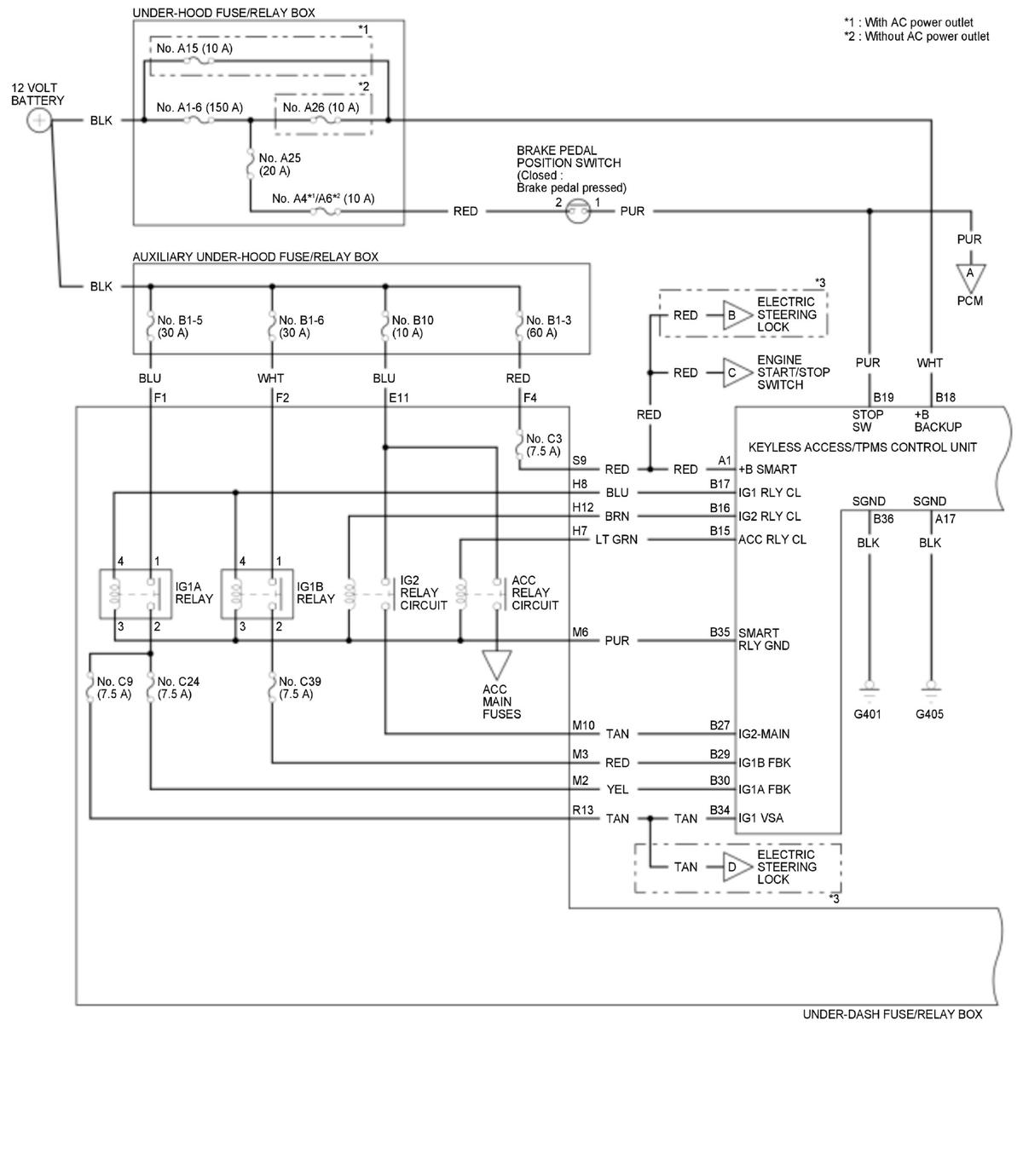
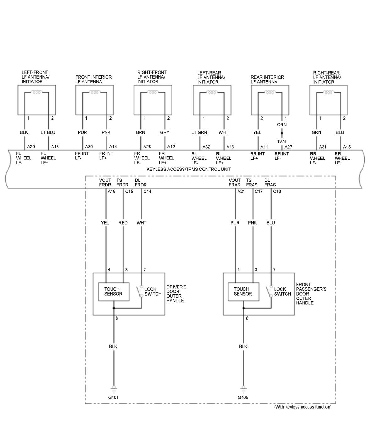
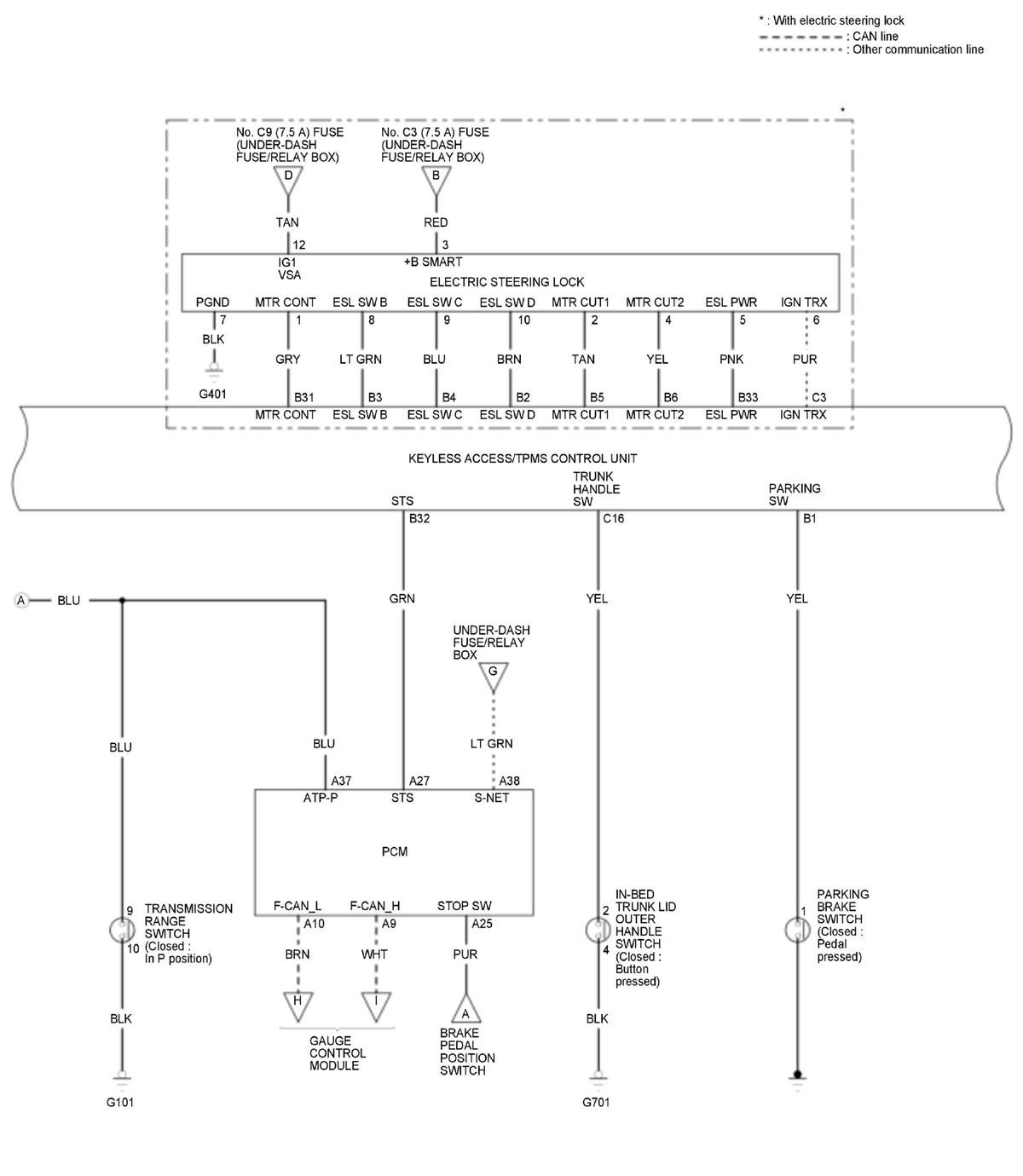
Keyless Access System Circuit Diagram (2017 2018)

GHH459507Courtesy of HONDA, U.S.A., INC.
GHH459508Courtesy of HONDA, U.S.A., INC.
GHH459509Courtesy of HONDA, U.S.A., INC.
GHH459510Courtesy of HONDA, U.S.A., INC.
GHH459511Courtesy of HONDA, U.S.A., INC.