LEMON Manuals: Even more car manuals for everyone: 1960-2025
Home >> Honda >> 2017 >> Ridgeline RTL, AWD >> Repair and Diagnosis (Single Page) >> Accessories & Equipment >> Anti-Theft Systems >> Keyless Access System - Testing & Troubleshooting >> Circuit Diagram >> Keyless Access System Circuit Diagram (2019)
April 5, 2026: LEMON Manuals is launched! Read the announcement.

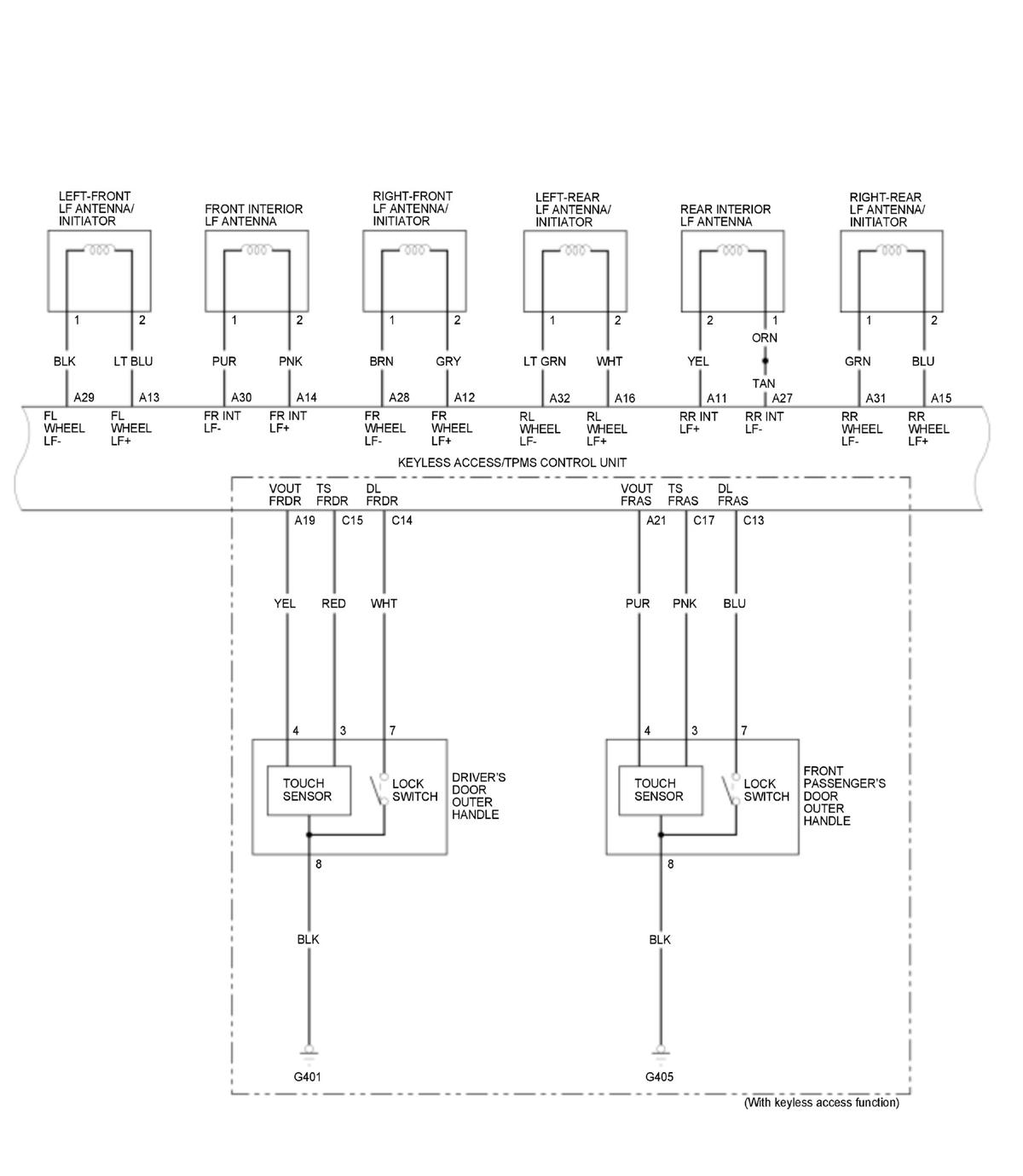
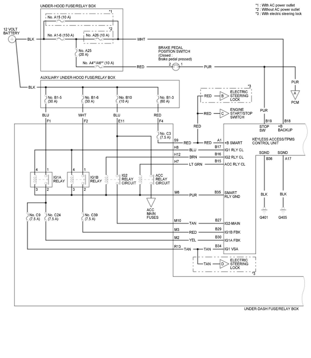
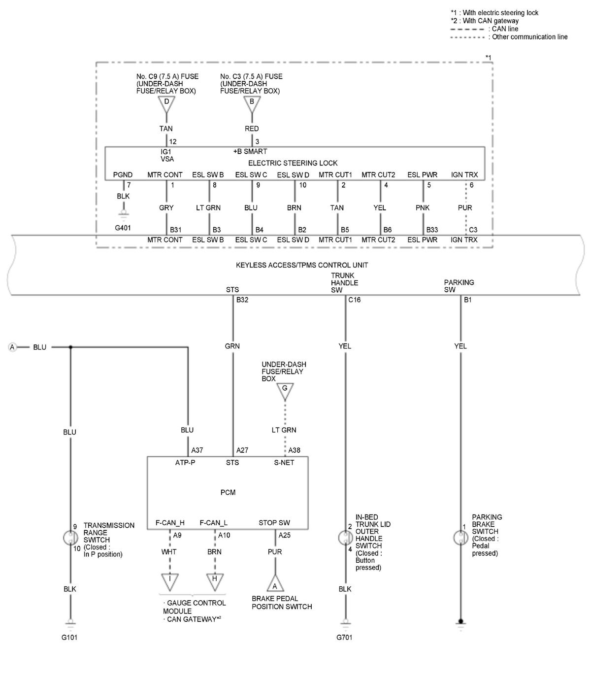
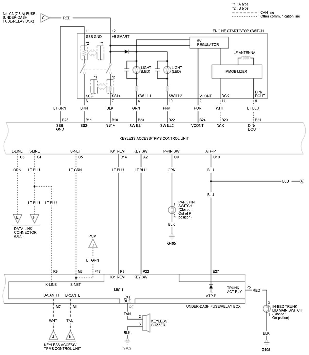
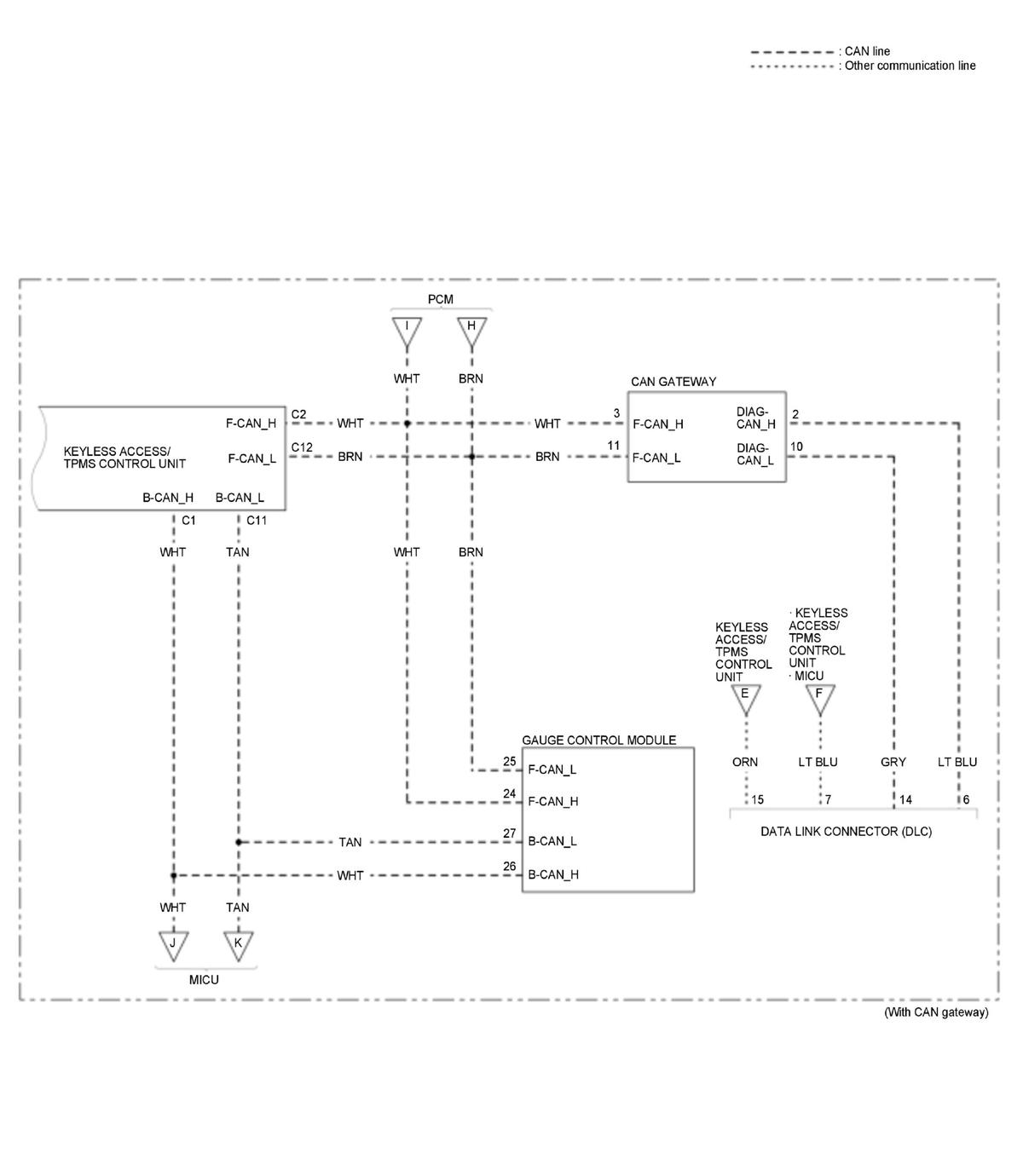
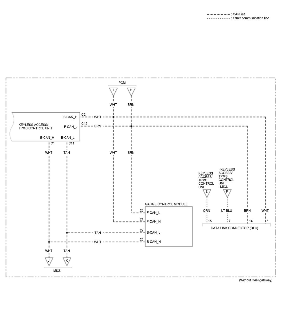
Keyless Access System Circuit Diagram (2019)

GHH459512Courtesy of HONDA, U.S.A., INC.
GHH459513Courtesy of HONDA, U.S.A., INC.
GHH459514Courtesy of HONDA, U.S.A., INC.
GHH459515Courtesy of HONDA, U.S.A., INC.
GHH459516Courtesy of HONDA, U.S.A., INC.
GHH459517Courtesy of HONDA, U.S.A., INC.