LEMON Manuals: Even more car manuals for everyone: 1960-2025
Home >> Honda >> 2017 >> Ridgeline RTL, AWD >> Repair and Diagnosis (Single Page) >> Accessories & Equipment >> Anti-Theft Systems >> Keyless Access System - Testing & Troubleshooting >> Circuit Diagram >> Keyless/Power Door Locks/Security System Circuit Diagram (2017 2018)
April 5, 2026: LEMON Manuals is launched! Read the announcement.

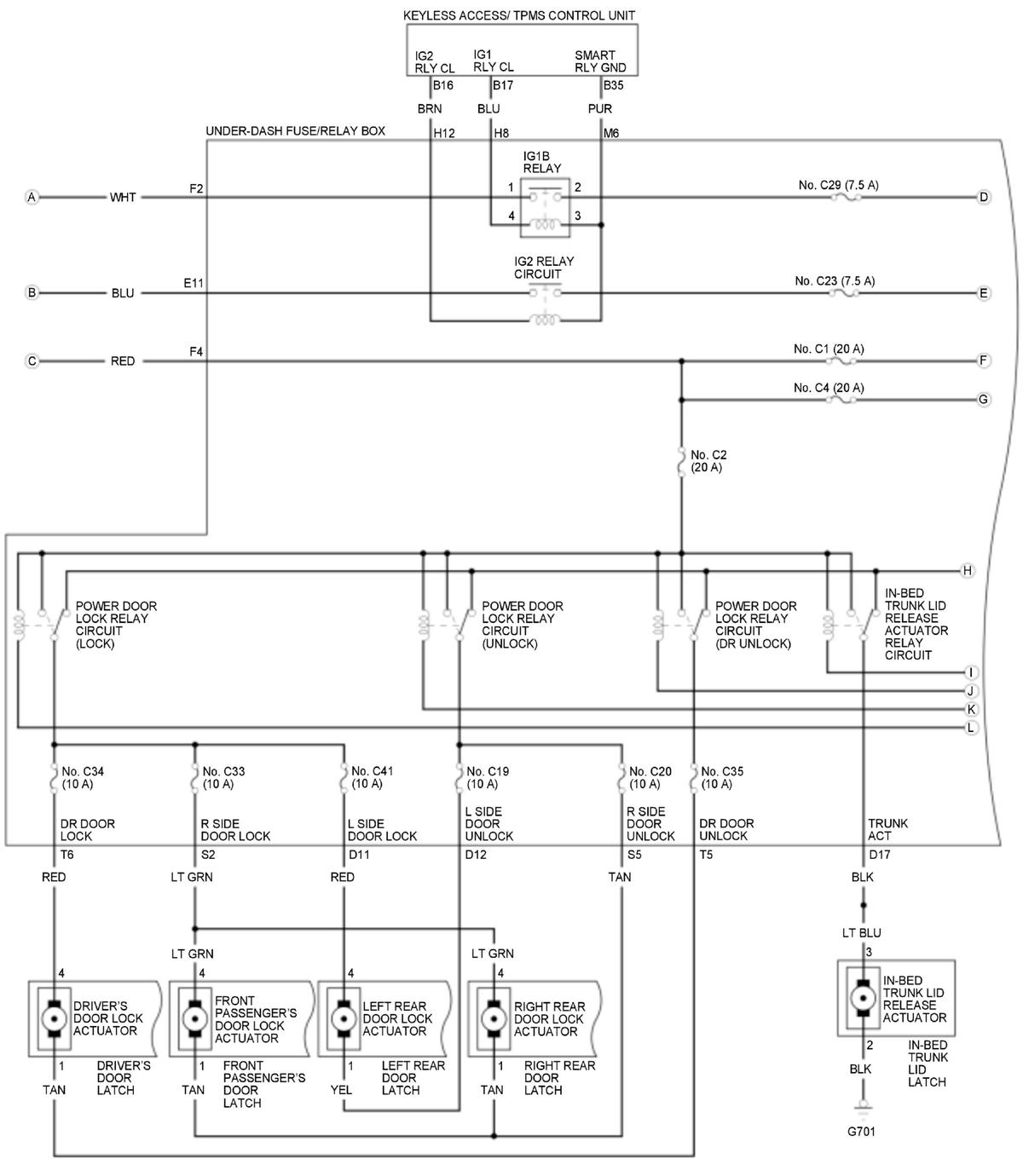
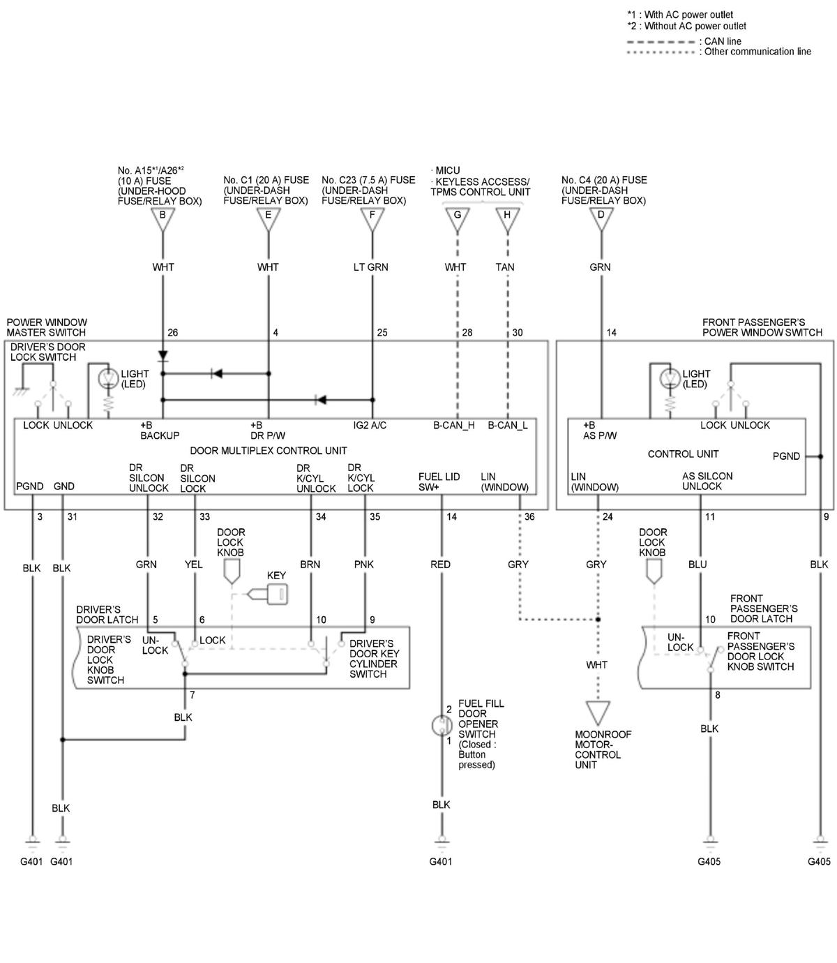
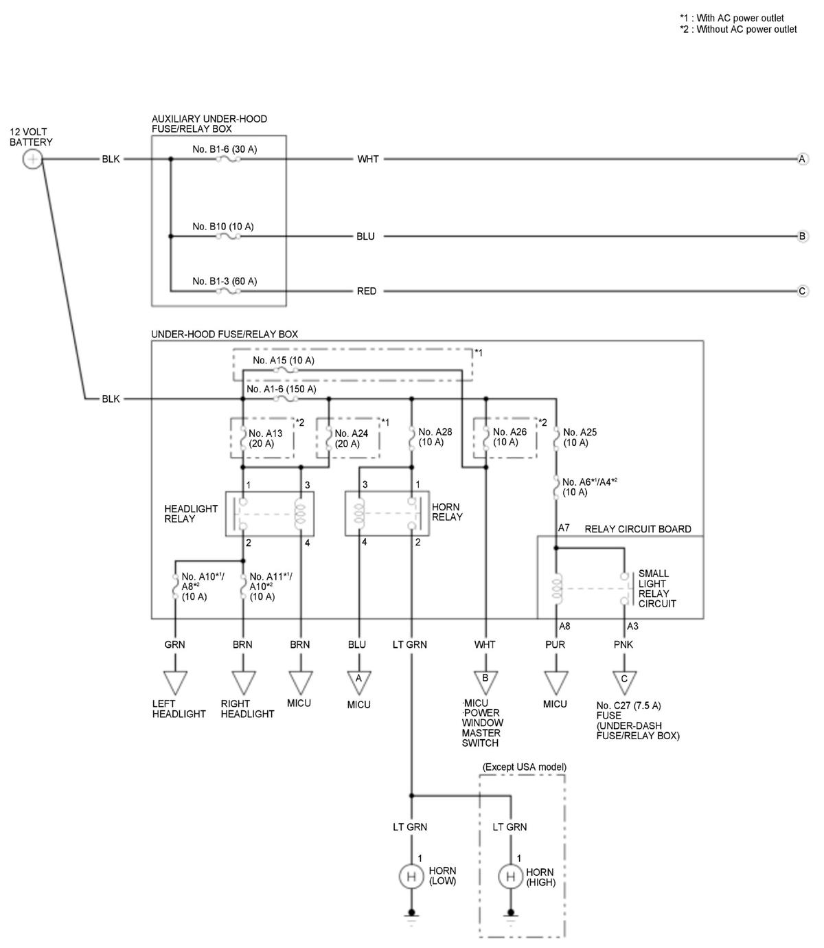
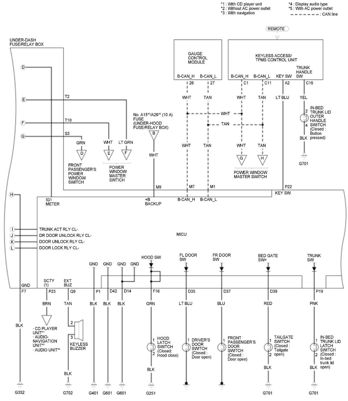
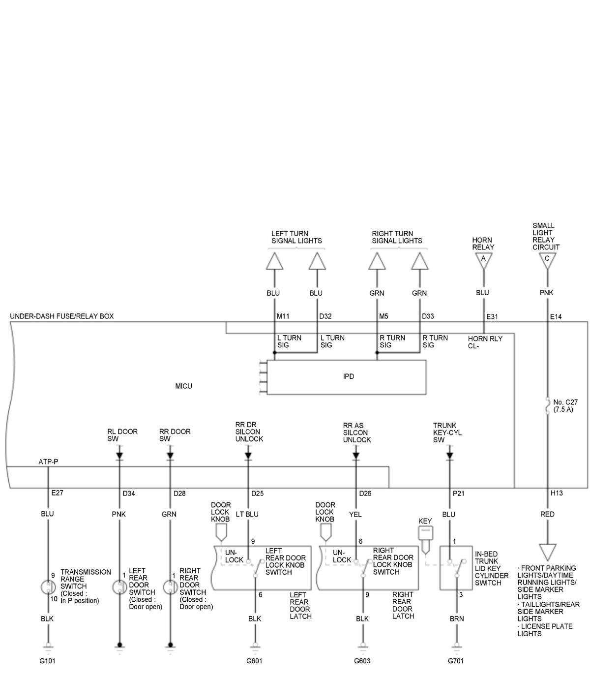
Keyless/Power Door Locks/Security System Circuit Diagram (2017 2018)

GHH459528Courtesy of HONDA, U.S.A., INC.
GHH459529Courtesy of HONDA, U.S.A., INC.
GHH459530Courtesy of HONDA, U.S.A., INC.
GHH459531Courtesy of HONDA, U.S.A., INC.
GHH459532Courtesy of HONDA, U.S.A., INC.