LEMON Manuals: Even more car manuals for everyone: 1960-2025
Home >> Honda >> 2017 >> Ridgeline RTL, AWD >> Repair and Diagnosis (Single Page) >> Accessories & Equipment >> Anti-Theft Systems >> Keyless Access System - Testing & Troubleshooting >> Circuit Diagram >> Keyless/Power Door Locks/Security System Circuit Diagram (2019)
April 5, 2026: LEMON Manuals is launched! Read the announcement.

Keyless/Power Door Locks/Security System Circuit Diagram (2019)

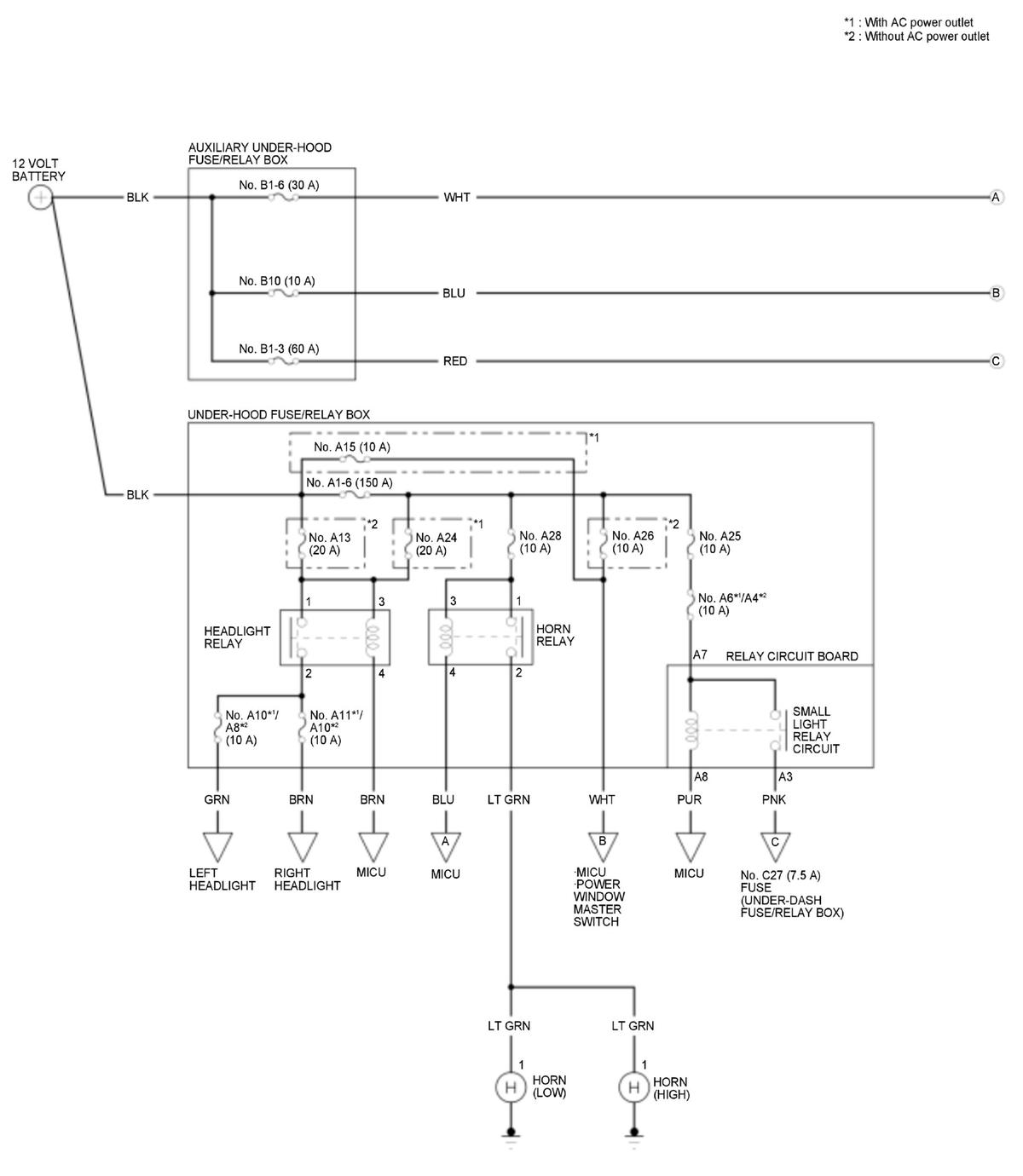
GHH459533Courtesy of HONDA, U.S.A., INC.
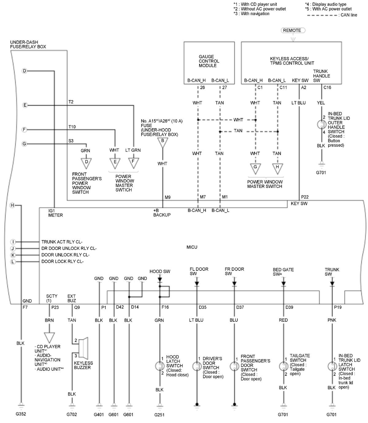
GHH459534Courtesy of HONDA, U.S.A., INC.
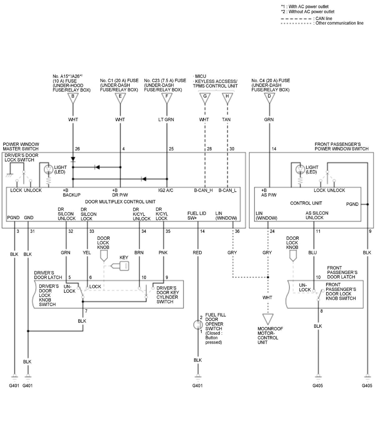
GHH459535Courtesy of HONDA, U.S.A., INC.
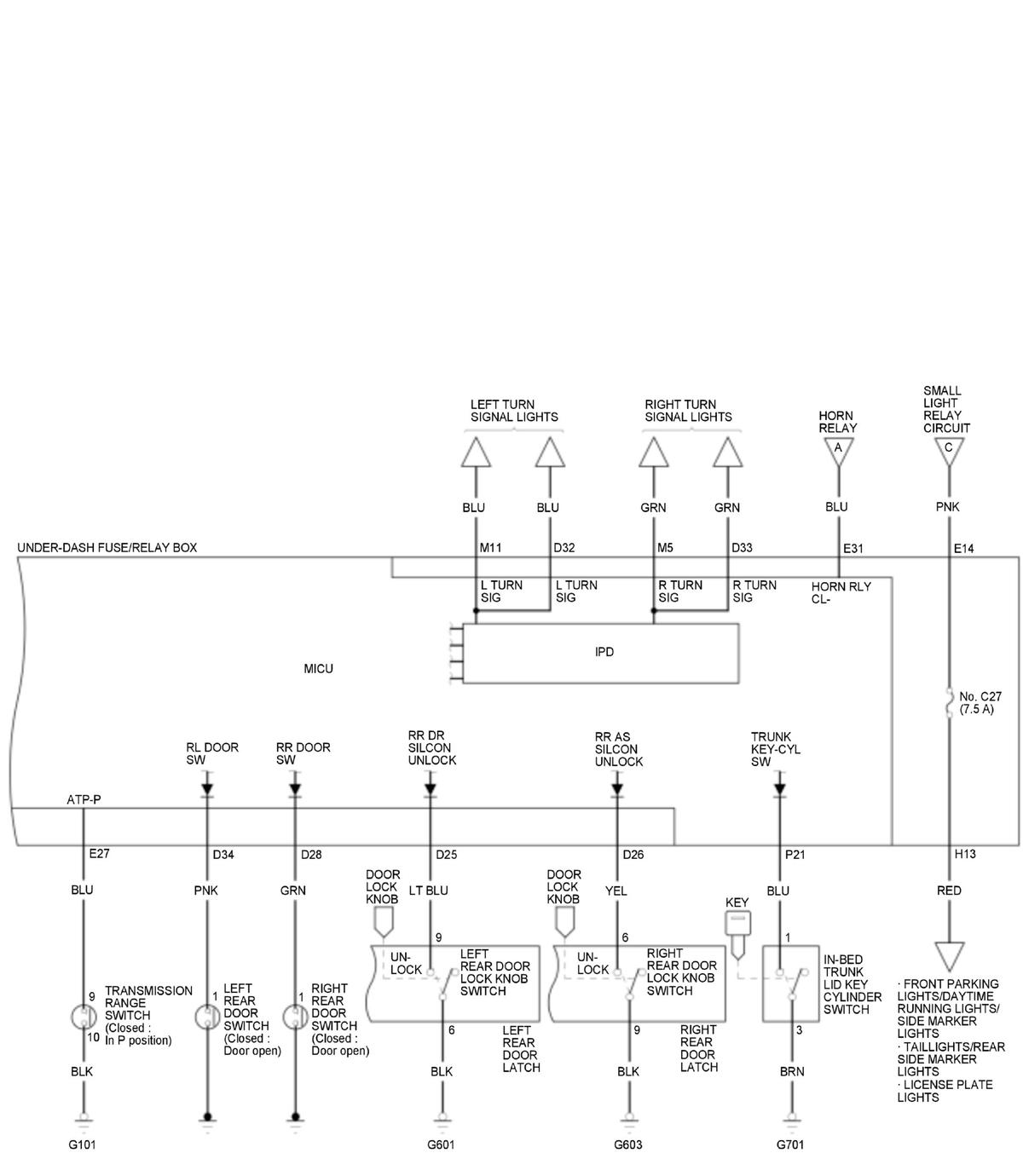
GHH459536Courtesy of HONDA, U.S.A., INC.
GHH459537Courtesy of HONDA, U.S.A., INC.