LEMON Manuals: Even more car manuals for everyone: 1960-2025
Home >> Honda >> 2017 >> Ridgeline RTL, AWD >> Repair and Diagnosis (Single Page) >> Accessories & Equipment >> Anti-Theft Systems >> Keyless Access System - Testing & Troubleshooting >> Circuit Diagram >> Keyless/Power Door Locks/Security System Circuit Diagram (2020)
April 5, 2026: LEMON Manuals is launched! Read the announcement.

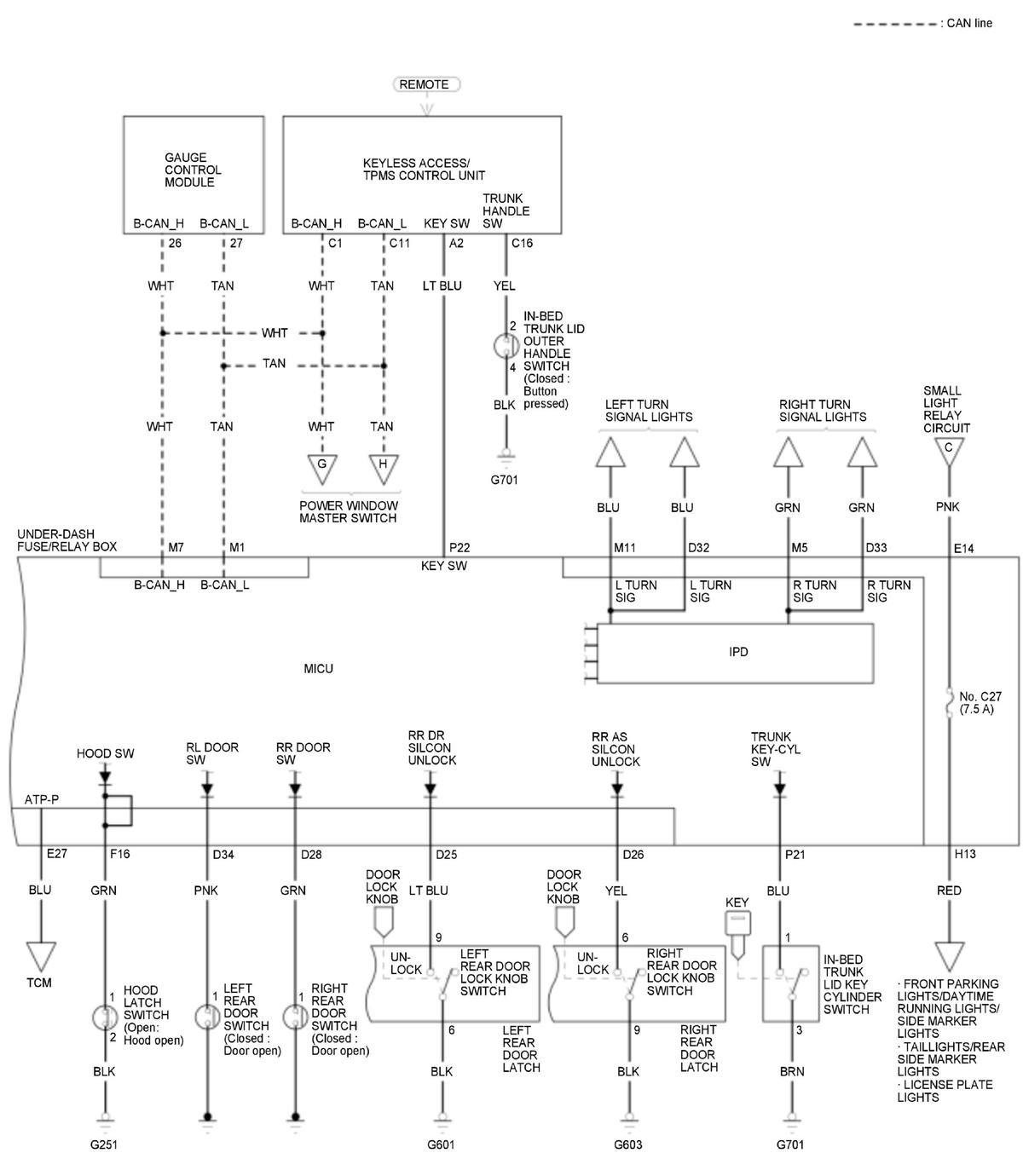
Keyless/Power Door Locks/Security System Circuit Diagram (2020)

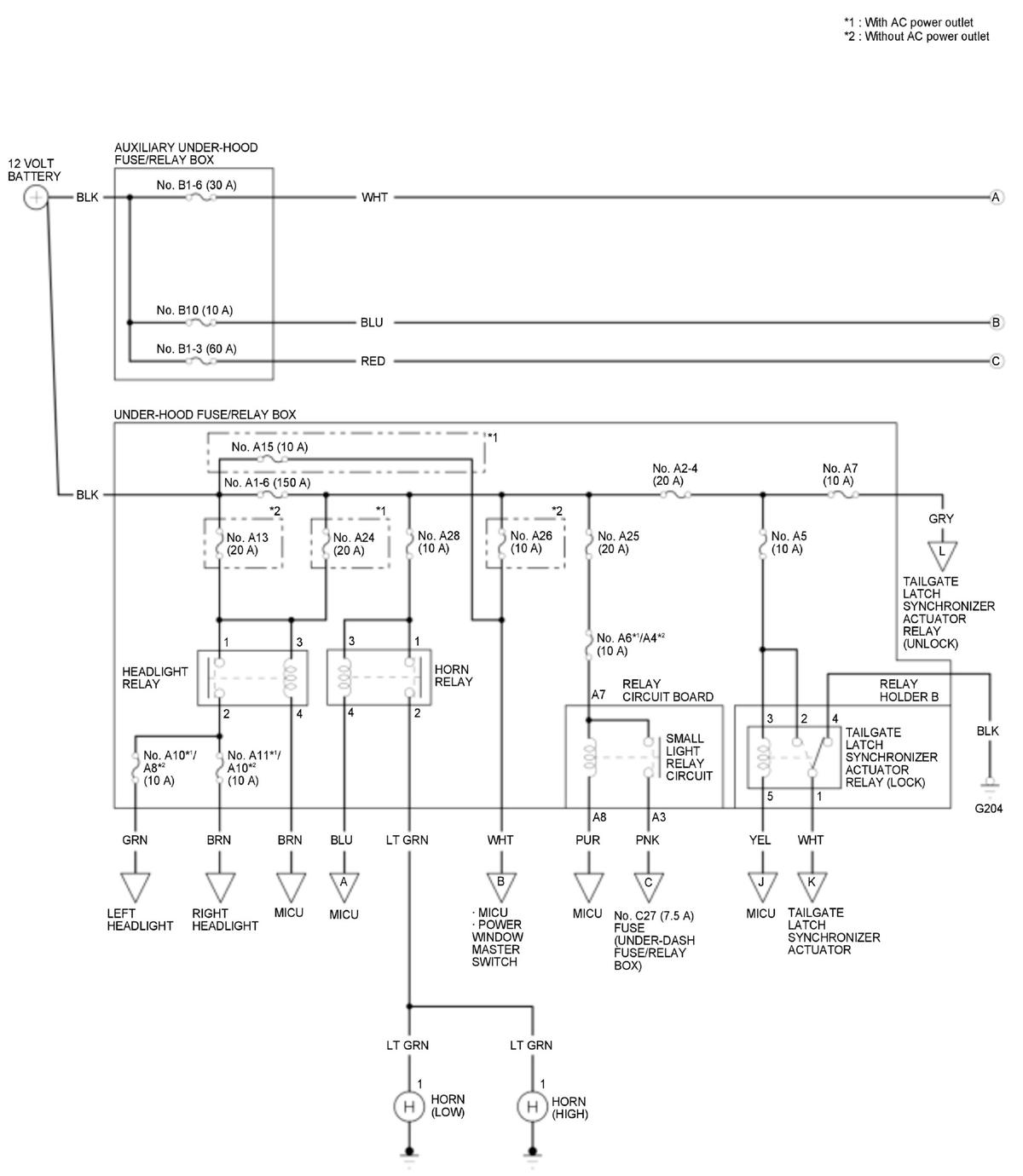
GHH459538Courtesy of HONDA, U.S.A., INC.
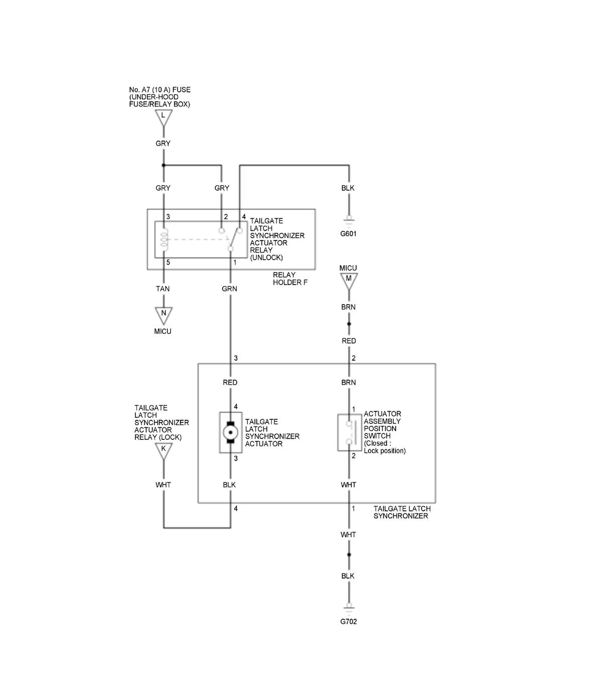
GHH459539Courtesy of HONDA, U.S.A., INC.
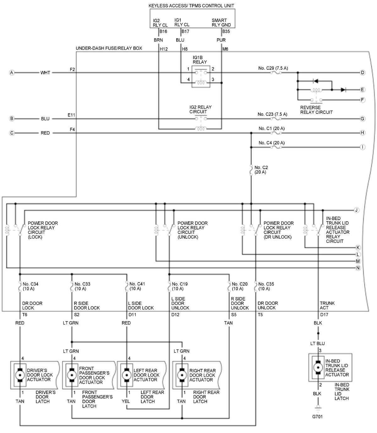
GHH459540Courtesy of HONDA, U.S.A., INC.
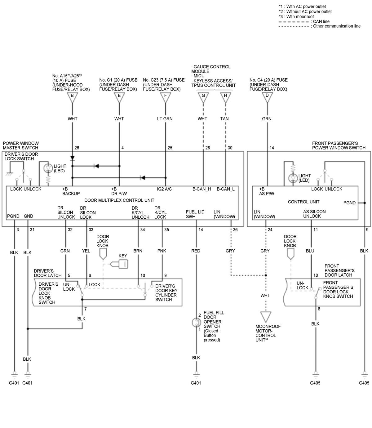
GHH459541Courtesy of HONDA, U.S.A., INC.
GHH459542Courtesy of HONDA, U.S.A., INC.
GHH459543Courtesy of HONDA, U.S.A., INC.