LEMON Manuals: Even more car manuals for everyone: 1960-2025
Home >> Honda >> 2017 >> Ridgeline RTL, AWD >> Repair and Diagnosis (Single Page) >> Accessories & Equipment >> Infotainment >> Navigation Systems - Testing & Troubleshooting >> Description & Operation >> Navigation System Description - System Diagram (2019)
April 5, 2026: LEMON Manuals is launched! Read the announcement.

Navigation System Description - System Diagram (2019)

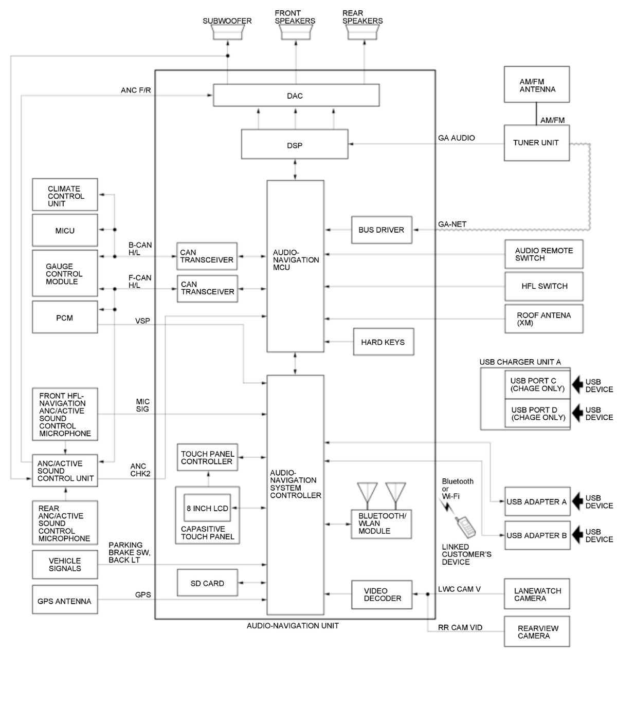
With Stereo Amplifier 

GHH458551Courtesy of HONDA, U.S.A., INC.

Without Stereo Amplifier 

GHH458552Courtesy of HONDA, U.S.A., INC.

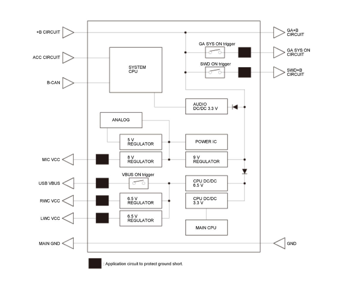
Power Supply Diagram 

GHH458553Courtesy of HONDA, U.S.A., INC.