LEMON Manuals: Even more car manuals for everyone: 1960-2025
Home >> Honda >> 2017 >> Ridgeline RTS, AWD >> Repair and Diagnosis (Single Page) >> Accessories & Equipment >> Communication Devices >> Integrated Control Systems - Testing & Troubleshooting >> Circuit Diagram >> Driving Position Memory System (DPMS) Circuit Diagram (2021 2022 2023 2024 2025)
April 5, 2026: LEMON Manuals is launched! Read the announcement.

Driving Position Memory System (DPMS) Circuit Diagram (2021 2022 2023 2024 2025)

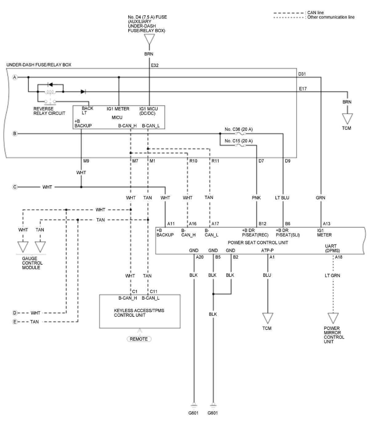
Driver's Power Seat 

GHH457361Courtesy of HONDA, U.S.A., INC.
GHH457362Courtesy of HONDA, U.S.A., INC.
GHH457363Courtesy of HONDA, U.S.A., INC.

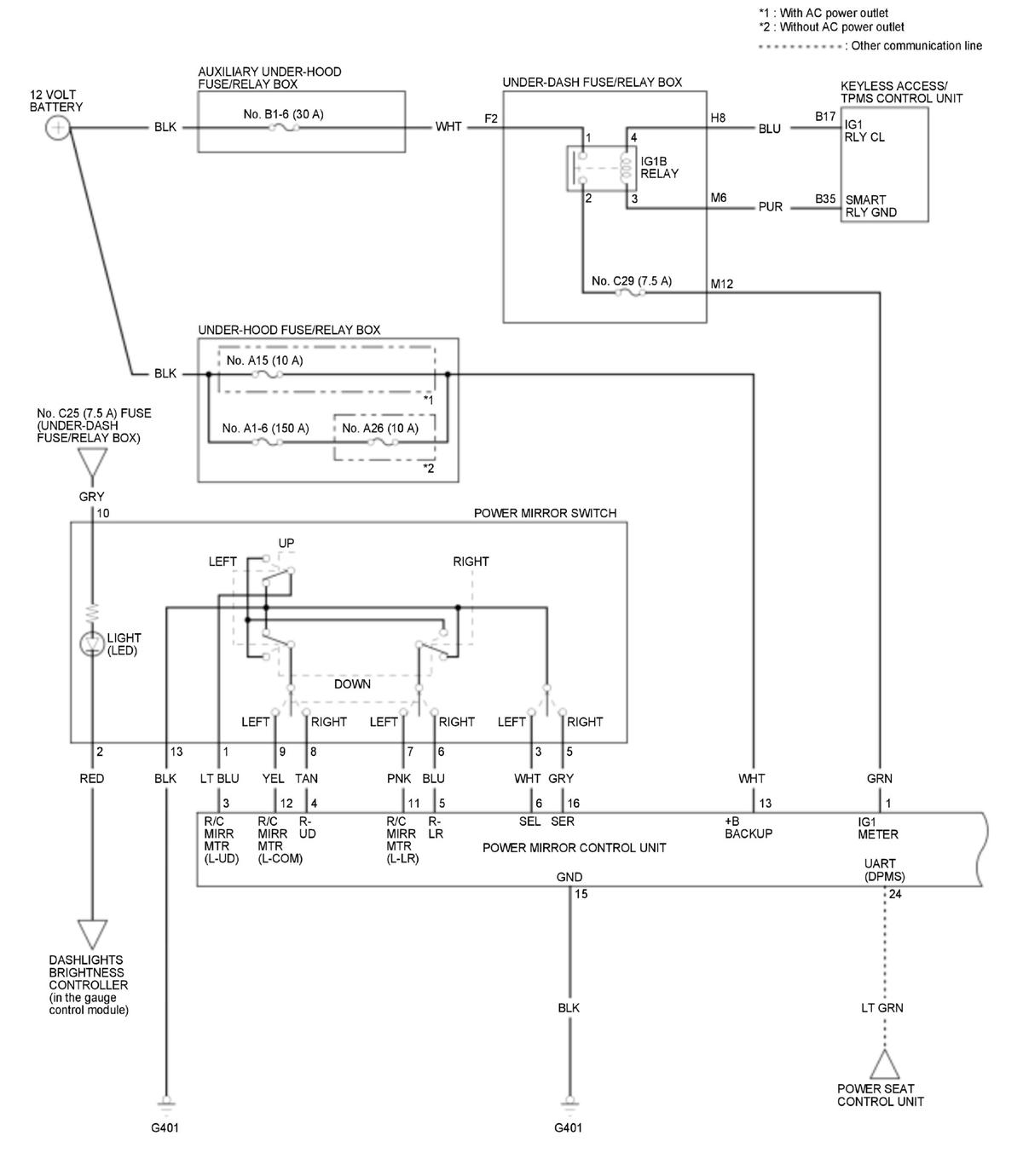
Power Mirror 

GHH457364Courtesy of HONDA, U.S.A., INC.
GHH457365Courtesy of HONDA, U.S.A., INC.