LEMON Manuals: Even more car manuals for everyone: 1960-2025
Home >> Honda >> 2018 >> Clarity Plug-In Hybrid >> Repair and Diagnosis >> Engine Performance >> Engine Control Systems >> Engine Control System / Engine Mechanical - Testing & Troubleshooting - (Plug- In) >> System Description >> EVAP System Description
April 5, 2026: LEMON Manuals is launched! Read the announcement.

EVAP System Description

Plug In Hybrid Electric Vehicles also known as PHEV's have unique requirements for the evaporative emissions (EVAP) system. There are three driving modes on PHEV's, Electric only mode, Gasoline Engine with Motor Assist mode, and Gasoline Engine only mode.These various driving modes would prevent a typical EVAP system from purging its fuel vapors for an extended period, causing those vapors to leak from the system. Thus the sealed EVAP system is adopted for extended periods without the possibility of leakage.

Components 

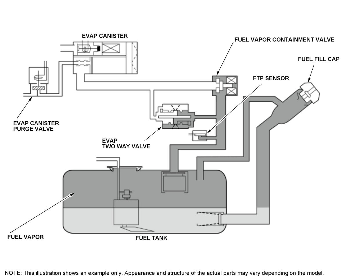
The EVAP system is monitored and controlled by the PCM.There are five system inputs, the fuel fill door opener switch, the fuel tank pressure (FTP) sensor, the EVAP leak check pressure sensor, the BARO sensor, and the fuel fill door switch.There are also five system outputs, the fuel fill door opener solenoid, the EVAP canister purge valve, the fuel vapor containment valve, the EVAP leak check module, and the canister changeover valve.

For locations of each component on vehicle, refer to Component Location Index .

GHH418176Courtesy of HONDA, U.S.A., INC.

Evaporative Emission (EVAP) Canister 

The EVAP canister is designed to hold fuel vapors and prevent them from entering the atmosphere.

EVAP Canister Purge Valve 

When the engine is running and the enable conditions are met the PCM will energize the EVAP canister purge valve allowing the vapors in the EVAP canister to be burned by the engine.

Fuel Tank Pressure (FTP) Sensor 

The FTP sensor is mounted to the top of the fuel tank and used to monitor the pressure in the fuel tank.

Fuel Vapor Containment Valve and Evaporative Emission (EVAP) Two-way Valve 

The fuel vapor containment valve and the EVAP two way valve are in the same assembly mounted on the top side of the fuel tank.The fuel vapor containment valve is designed to seal the vapors in the fuel tank assembly. The valve is normally closed when not energized. When open the valve allows the fuel vapor to flow to the EVAP canister, and relieves pressure from the fuel tank.

In the event the pressure in the fuel tank exceeds specifications, and to prevent the fuel tank from collapsing due to excessive vacuum; the relief valve acts as a two-way valve. If the fuel tank has excessive vacuum one of the valves diaphragms will allow air flow from the canister into the fuel tank. If the pressure in the fuel tank is excessive the other diaphragm will allow the vapors in the fuel tank to escape to the canister reducing internal fuel tank pressure.

Evaporative Emission (EVAP) Leak Check Module 

The EVAP leak check module is a small vacuum pump used to leak check the EVAP system to create a vacuum in the system and is mounted on a bracket to the side of the EVAP canister. Inside of the module has a EVAP leak check module pressure sensor and a canister changeover valve. The canister changeover valve is normally open when not energized. When open the valve allows air to flow in and out of the canister. When energized the valve seals the canister side of the system from the atmosphere.

GHH418177Courtesy of HONDA, U.S.A., INC.

Operation 

Normal Operation 

During normal operation (engine stop, engine coolant is cool), the fuel tank is sealed by the fuel vapor containment valve and the pressurized fuel vapors are contained solely within the fuel tank.When the engine is running and the engine coolant is hot enough, the PCM opens the fuel vapor containment valve allowing the fuel vapors enter the EVAP canister, and opens the EVAP canister purge valve to draw the stored fuel vapors in the EVAP canister into the intake manifold to be burned. To regulate the amount of fuel vapor drawn into the engine, the PCM varies the EVAP canister purge valve opening using duty cycle control.

GHH418178Courtesy of HONDA, U.S.A., INC.

When Refueling 

Due to the EVAP system being sealed, the pressure in the fuel tank must be relieved prior to removing the fuel fill cap on the vehicle. When the fuel fill door opener button is pressed, the MID will display the message "Please Wait". During that time the PCM commands the fuel vapor containment valve open to flow vapor to the canister side of the system, relieving the pressure in the fuel tank. The PCM then confirms the lower tank pressure by referencing the fuel tank pressure (FTP) sensor. Once the PCM has confirmed the pressure has decreased sufficiently, the fuel fill door will open and the MID will show the message "Ready".This entire process will be completed within about 20 seconds.

GHH418179Courtesy of HONDA, U.S.A., INC.