LEMON Manuals: Even more car manuals for everyone: 1960-2025
Home >> Honda >> 2019 >> Clarity Plug-In Hybrid >> Repair and Diagnosis >> Engine Performance >> System >> Engine Control System - Advanced Diagnostics (P081C - U160B) (Plug-In) >> Advanced Diagnostics >> DTC P2135
April 5, 2026: LEMON Manuals is launched! Read the announcement.

DTC P2135

DTC P2135:  Throttle Position (TP) Sensor A/B Incorrect Voltage Correlation

General Description 

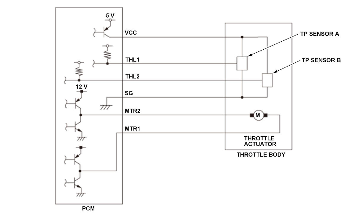
GHH416861Courtesy of HONDA, U.S.A., INC.
GHH416862Courtesy of HONDA, U.S.A., INC.

The electronic throttle control system controls the throttle valve opening. The system includes the throttle actuator, the throttle valve, throttle position (TP) sensors A and B, the electronic throttle control system (ETCS) control relay, the accelerator pedal position (APP) sensor A/B, and the powertrain control module (PCM). When the accelerator pedal is pressed, the APP sensor A/B detects the accelerator pedal opening value. The accelerator pedal opening value is converted to a signal in the APP sensor A/B and transmitted to the PCM to compute the target position. The PCM then operates the throttle actuator to move the throttle valve to the target position. The actual throttle valve position is determined by TP sensor A (installed in the throttle body). The PCM adds the TP sensor A and TP sensor B values, and compares the addition value with 5 V. If the deviation exceeds a certain value for a specified time, the PCM detects a malfunction in the relationship between TP sensor A and TP sensor B, and stores a DTC.

Monitor Execution, Sequence, Duration, DTC Type 

Execution Continuous
Sequence None
Duration 200 milliseconds or more
DTC Type One drive cycle, MIL on

Enable Conditions 

Condition  
Vehicle ON mode

Malfunction Threshold 

The deviation between 5 V and addition value of TP sensor A and TP sensor B exceeds the threshold value which depends on TP sensor B voltage for at least 200 milliseconds as shown in the following graph.

GHH416863Courtesy of HONDA, U.S.A., INC.

Possible Cause 

NOTE: The causes shown may not be a complete list of all potential problems, and it is possible that there may be other causes.
  • TP sensor A THL1 line short to TP sensor B THL2 line
  • TP sensor A failure
  • TP sensor B failure
  • PCM internal circuit failure

Diagnosis Details 

Conditions for setting the DTC 

When a malfunction is detected, the MIL comes on and a Pending DTC, a Confirmed DTC, and the freeze data are stored in the PCM memory.

Conditions for clearing the DTC 

The MIL is cleared if the malfunction does not return in three consecutive trips in which the diagnostic runs. The MIL, the Pending DTC, the Confirmed DTC, and the freeze data can be cleared with the scan tool Clear command or by disconnecting the 12 volt battery.