LEMON Manuals: Even more car manuals for everyone: 1960-2025
Home >> Honda >> 2019 >> Clarity Plug-In Hybrid >> Repair and Diagnosis >> Engine Performance >> System >> Engine Control System - Advanced Diagnostics (P081C - U160B) (Plug-In) >> Advanced Diagnostics >> DTC P2872
April 5, 2026: LEMON Manuals is launched! Read the announcement.

DTC P2872

DTC P2872:  Over Drive Clutch Stuck Engaged

General Description 

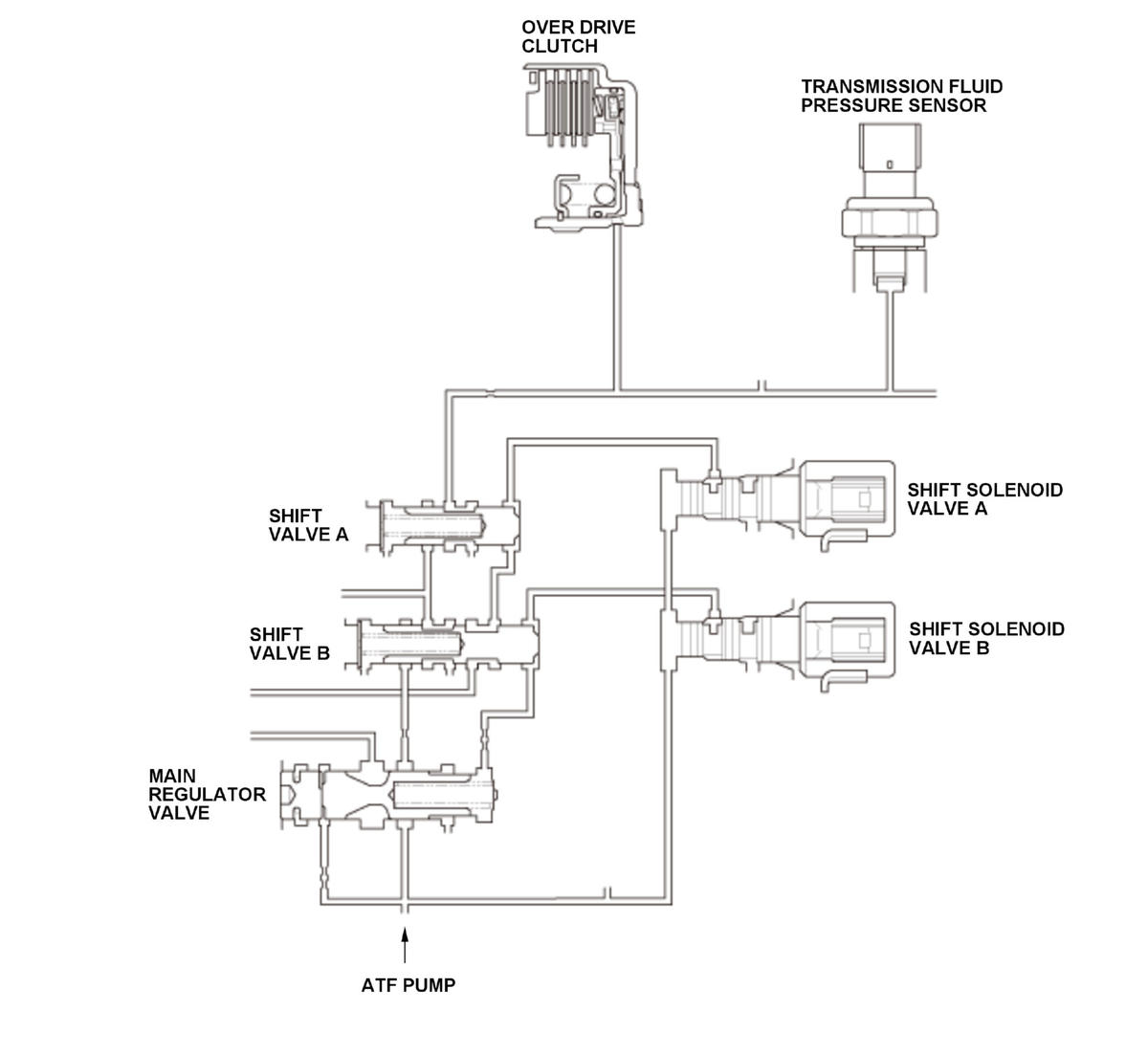
GHH416935Courtesy of HONDA, U.S.A., INC.
Capacity of Over Drive Clutch Shift Solenoid Valve A
ON (12 V) OFF (0 V)
Shift Solenoid Valve B ON (12 V) ON OFF
OFF (0 V) OFF OFF

Shift solenoid valve A is installed on the transmission housing. It is controlled by the ON/OFF signal from the powertrain control module (PCM) to apply line pressure to shift valve A. The signal from the PCM is output so that the line pressure is supplied to the clutch piston under the condition that overdrive clutch engagement is requested during running at 44 mph (70 km/h) or more. When the signal to shift solenoid valve A from the PCM is ON, and the line pressure is applied to shift valve A, it operates against the shift valve A spring. When the signal to shift solenoid valve A from the PCM is OFF, and the line pressure is discharged, shift valve A is inactive. The PCM monitors the transmission fluid pressure sensor, and detects a failure of the over drive clutch stuck engaged and stores a DTC when the transmission fluid pressure sensor is at specified value or more when both shift solenoid valve A and B are outputting an OFF signal in the over drive clutch disengagement process in response to a request for disengagement of the engaged over drive clutch.

Monitor Execution, Sequence, Duration, DTC Type 

Execution Continuous
Sequence None
Duration 1.0 seconds or more
DTC Type One drive cycle, MIL on, shift position indicator blinks

Enable Conditions 

Condition Minimum Maximum
12 volt battery voltage [BATTERY VOLTAGE] 10 V -
Over drive clutch OFF
State of the vehicle Engine driving mode

[ ]: HDS Parameter

Malfunction Threshold 

The transmission fluid pressure sensor value is at a specified pressure for 0.8 seconds or more when both shift solenoid valve A and B are outputting an OFF signal in the over drive clutch disengagement process in response to a request for disengagement of the over drive clutch.

Possible Cause 

NOTE: The causes shown may not be a complete list of all potential problems, and it is possible that there may be other causes.
  • Both Shift solenoid valve A and Shift solenoid valve B stuck on
  • Shift valve failure

Confirmation Procedure 

Operating Condition 

  1. Enter the maintenance mode, then start the engine. Hold the engine speed [ENGINE SPEED] at 3, 000 RPM without load (in P or N) until the radiator fan comes on, then let it idle.
  2. Drive the vehicle at a steady speed of 44 mph (70 km / h) or more, turn off the APP sensor and turn off the overdrive clutch by decelerating the vehicle.

Diagnosis Details 

Conditions for setting the DTC 

When a malfunction is detected, the MIL comes on, the shift position indicator blinks and a Pending DTC, a Confirmed DTC, and the freeze data are stored in the PCM memory.

Conditions for clearing the DTC 

The shift position indicator comes off by turning the vehicle to the OFF (LOCK) mode. The Pending DTC, the Confirmed DTC, and the freeze data can be cleared with the scan tool Clear command or by disconnecting the 12 volt battery.