LEMON Manuals: Even more car manuals for everyone: 1960-2025
Home >> Honda >> 2019 >> Fit EX, Standard Trans >> Repair and Diagnosis (Single Page) >> Accessories & Equipment >> Communication Devices >> Integrated Control Systems - Testing & Troubleshooting >> Circuit Diagram >> Multiplex Integrated Control System Circuit Diagram
April 5, 2026: LEMON Manuals is launched! Read the announcement.

Multiplex Integrated Control System Circuit Diagram

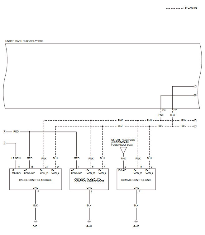
GHH82246Courtesy of HONDA, U.S.A., INC.
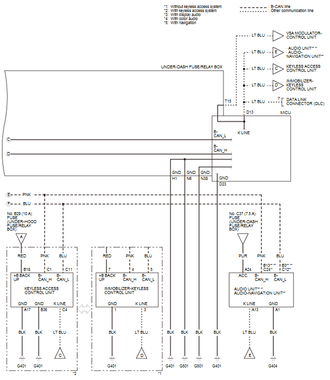
GHH82247Courtesy of HONDA, U.S.A., INC.
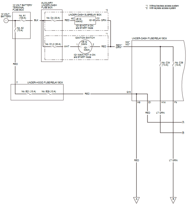
GHH82248Courtesy of HONDA, U.S.A., INC.