LEMON Manuals: Even more car manuals for everyone: 1960-2025
Home >> Honda >> 2019 >> Fit EX, Standard Trans >> Repair and Diagnosis (Single Page) >> Steering >> Power Steering >> Steering System - Testing & Troubleshooting >> Description >> EPS System Description - EPS Control (KA/KC models)
April 5, 2026: LEMON Manuals is launched! Read the announcement.

EPS System Description - EPS Control (KA/KC models)

The base current is a basic current value to drive the motor. Base current is calculated using steering torque and vehicle speed.

EPS motor torque tends to be lower as the vehicle begins to move, and higher as it decreases in speed due to inertia of the rotating body. Inertia compensation increases the base current in acceleration and decreases it in deceleration to reduce the impact of the inertia. The inertia compensation current is calculated using steering torque, vehicle speed, and motor speed.

The steering wheel may receive a jiggling vibration from the road surface during braking or cornering. Damping compensation reduces the jiggling vibration on the steering wheel by applying damping effect through motor current control. Damping compensation current is calculated using steering torque, vehicle speed, and motor speed.

The target current is a value necessary to perform a feedback control of the motor. Target current is determined by applying inertia and damping compensations to the base current and adding steering torque direction.

Current feedback control monitors the motor current through sensors and reduces any deviation of motor current compared to the target current, thus accurately running the motor.

Unloader control reduces motor current at the lock to lock (full right or left) of the steering wheel to protect the system. This value is determined using target current and motor speed.

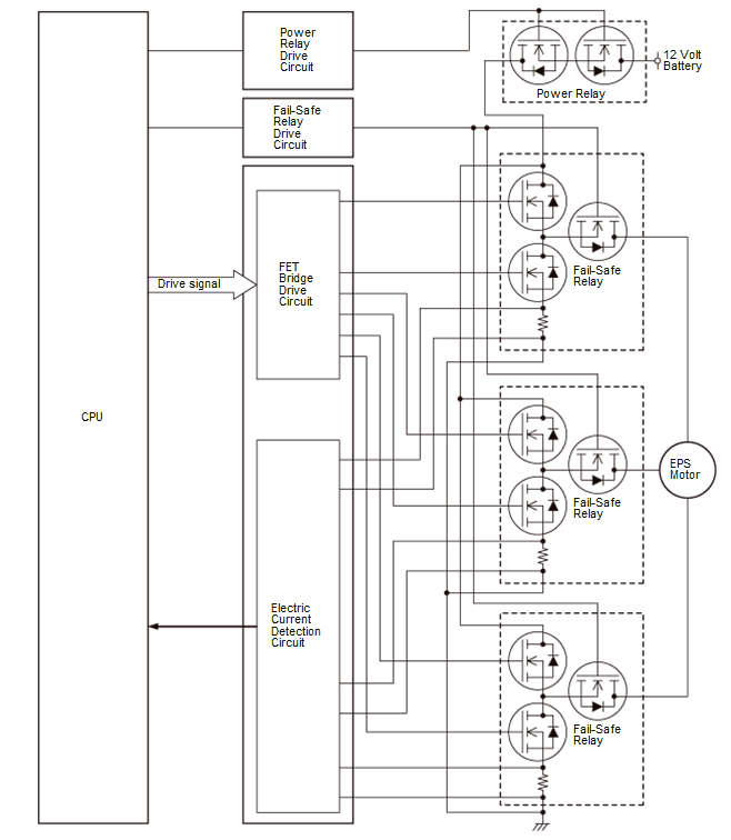
EPS Motor Control Circuit 

The EPS motor control circuit is composed of a system control CPU, the FET (field-effect transistor) bridge drive circuit, the power relay, the fail-safe relay, the electric current detection circuit, and the EPS motor. With the signal from the input sensor, the CPU calculates and duty cycle outputs the appropriate three-phase current for the FET drive circuit. This operation is duty controlled.

GHH83304Courtesy of HONDA, U.S.A., INC.

Motor Output Limit Control 

The motor output limit control reduces the motor current in the event of repeated turning of the steering wheel when the vehicle is not in motion. This control gradually reduces power assist force. Power assist force resumes gradually from steering torque of 0 N.m (0 kgf.m, 0 lbf.ft) or from having the ignition switch in the off position and it may take up to 30 minutes to go back to normal assist force conditions. The motor output limit control activates based on the motor and the internal temperature of the control system.