DTC U1205 (Battery Condition Monitor Module)
DTC U1205: EP-CAN Malfunction (Battery Condition Monitor Module - Traction Motor Control Module)
General Description
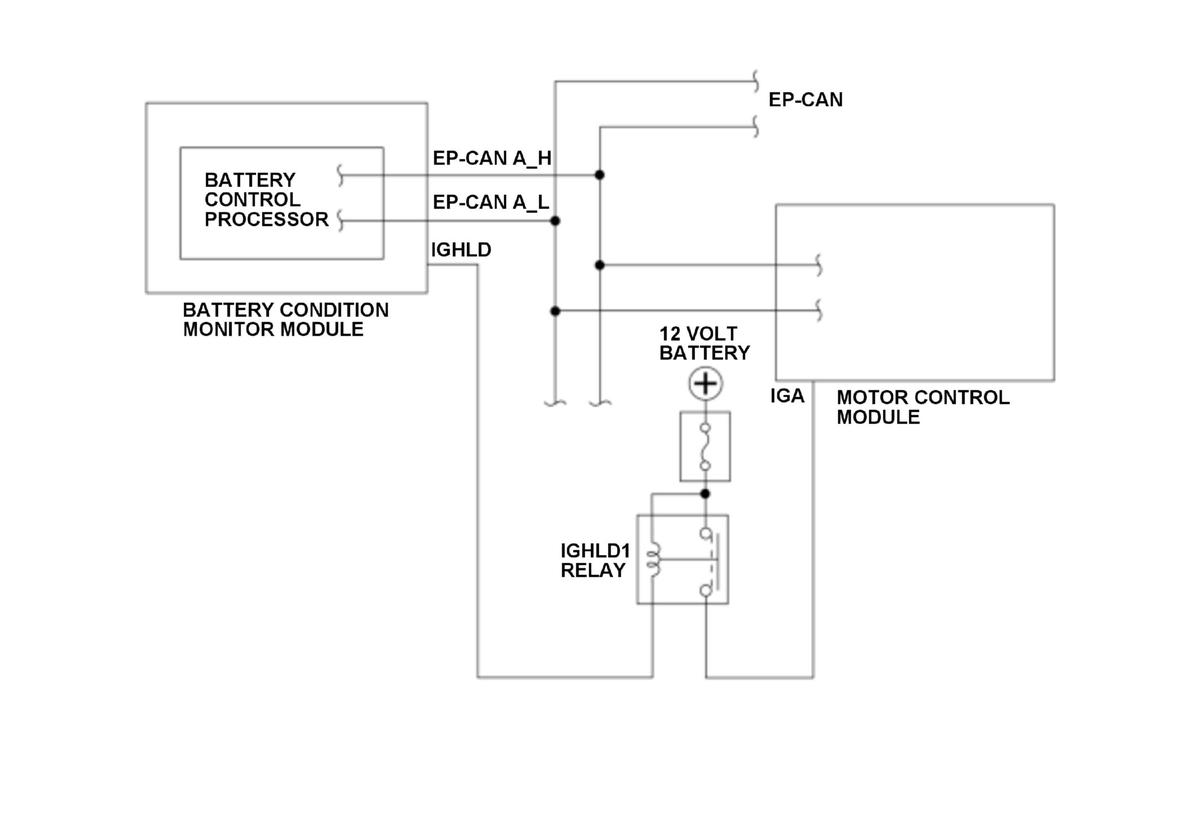
The controller area network (CAN) transmits/receives pulsing signals to/from the control modules simultaneously by using two signal lines (H line and L line). When the battery control processor in the battery condition monitor module does not receive the signals from the motor control module via the EP-CAN lines or the received data is abnormal for a specified time, a malfunction is detected and a DTC is stored.
Monitor Execution, Sequence, Duration, DTC Type
| Execution | Continuous |
| Sequence | None |
| Duration | 2.0 seconds or more |
| DTC Type | One drive cycle, MIL on, POWER SYSTEM indicator on |
Enable Conditions
| Condition | Minimum | Maximum |
|---|---|---|
| Elapsed time since the 12 volt battery voltage reaches to a specified value after the vehicle condition is turned to the ON mode | 5.0 seconds | - |
| 12 volt battery voltage | 10.2 V | - |
Malfunction Threshold
One of these conditions is met:
- The battery condition monitor module does not receive any signals via the EP-CAN lines for at least 2.0 seconds.
- The information sent from the motor control module is abnormal at least 500 milliseconds.
Possible Cause
NOTE: The causes shown may not be a complete list of all potential problems, and it is possible that there may be other causes.
- EP-CAN circuit EP-CAN A_H line open
- EP-CAN circuit EP-CAN A_L line open
- EP-CAN circuit EP-CAN A_H line short
- EP-CAN circuit EP-CAN A_L line short
- IGHLD1 relay IGHLD
- IGHLD1 relay IGA line open
- IGHLD1 relay stuck off
- Motor control module failure
- Battery condition monitor module failure
Diagnosis Details
Conditions for setting the DTC
When a malfunction is detected, the MIL comes on and a Pending DTC, a Confirmed DTC, and the freeze data are stored in the battery condition monitor module memory.
Conditions for clearing the DTC
The MIL is cleared if the malfunction does not return in three consecutive trips in which the diagnostic runs. The MIL, the Pending DTC, the Confirmed DTC, and the freeze data can be cleared with the scan tool Clear command.