LEMON Manuals: Even more car manuals for everyone: 1960-2025
Home >> Honda >> 2020 >> Accord EX >> Repair and Diagnosis (Single Page) >> Accessories & Equipment >> Anti-Theft Systems >> Security System / Keyless Entry System - Testing & Troubleshooting (Except Hybrid) >> Circuit Diagram >> Keyless Access System Circuit Diagram
April 5, 2026: LEMON Manuals is launched! Read the announcement.

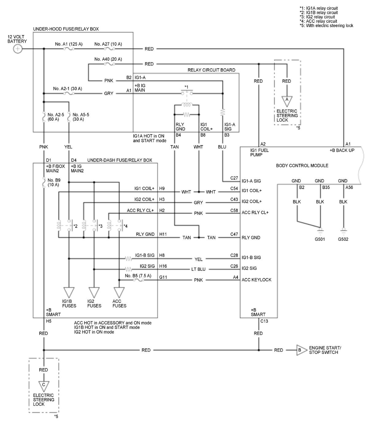
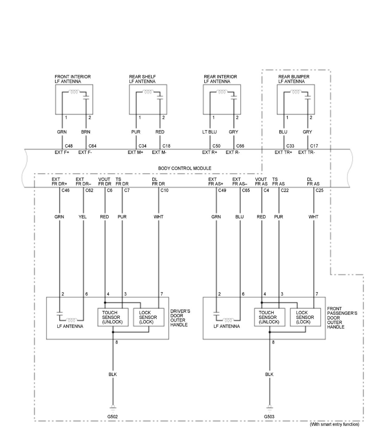
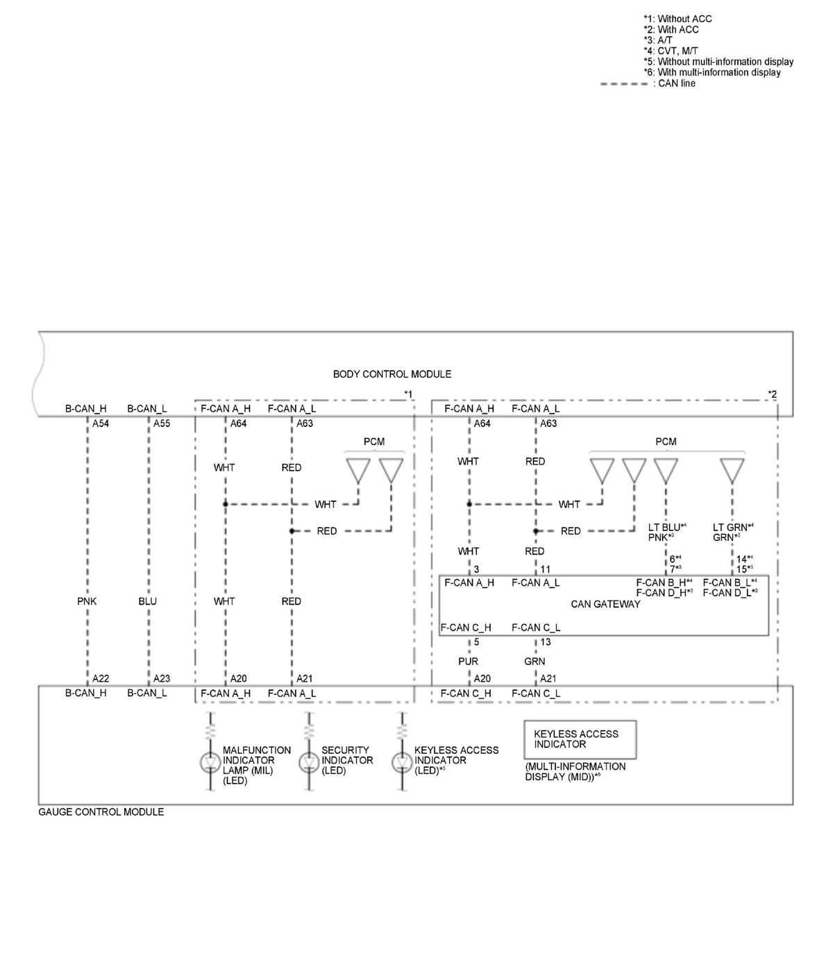
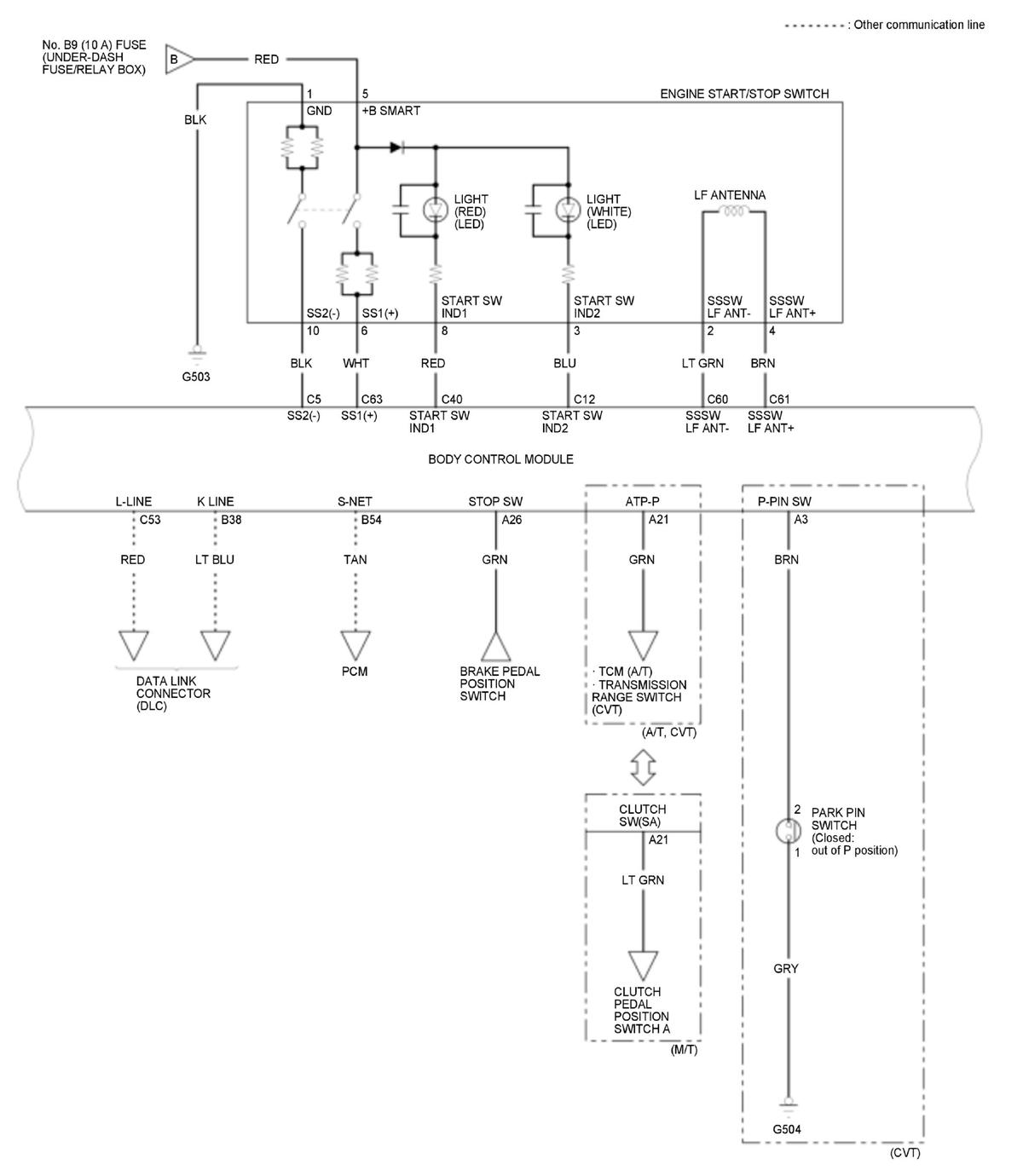
Keyless Access System Circuit Diagram

GHH397916Courtesy of HONDA, U.S.A., INC.
GHH397917Courtesy of HONDA, U.S.A., INC.
GHH397918Courtesy of HONDA, U.S.A., INC.
GHH397919Courtesy of HONDA, U.S.A., INC.
GHH397920Courtesy of HONDA, U.S.A., INC.