LEMON Manuals: Even more car manuals for everyone: 1960-2025
Home >> Honda >> 2020 >> Accord EX >> Repair and Diagnosis (Single Page) >> Accessories & Equipment >> Anti-Theft Systems >> Security System / Keyless Entry System - Testing & Troubleshooting (Except Hybrid) >> Circuit Diagram >> Keyless/Power Door Locks/Security System Circuit Diagram
April 5, 2026: LEMON Manuals is launched! Read the announcement.

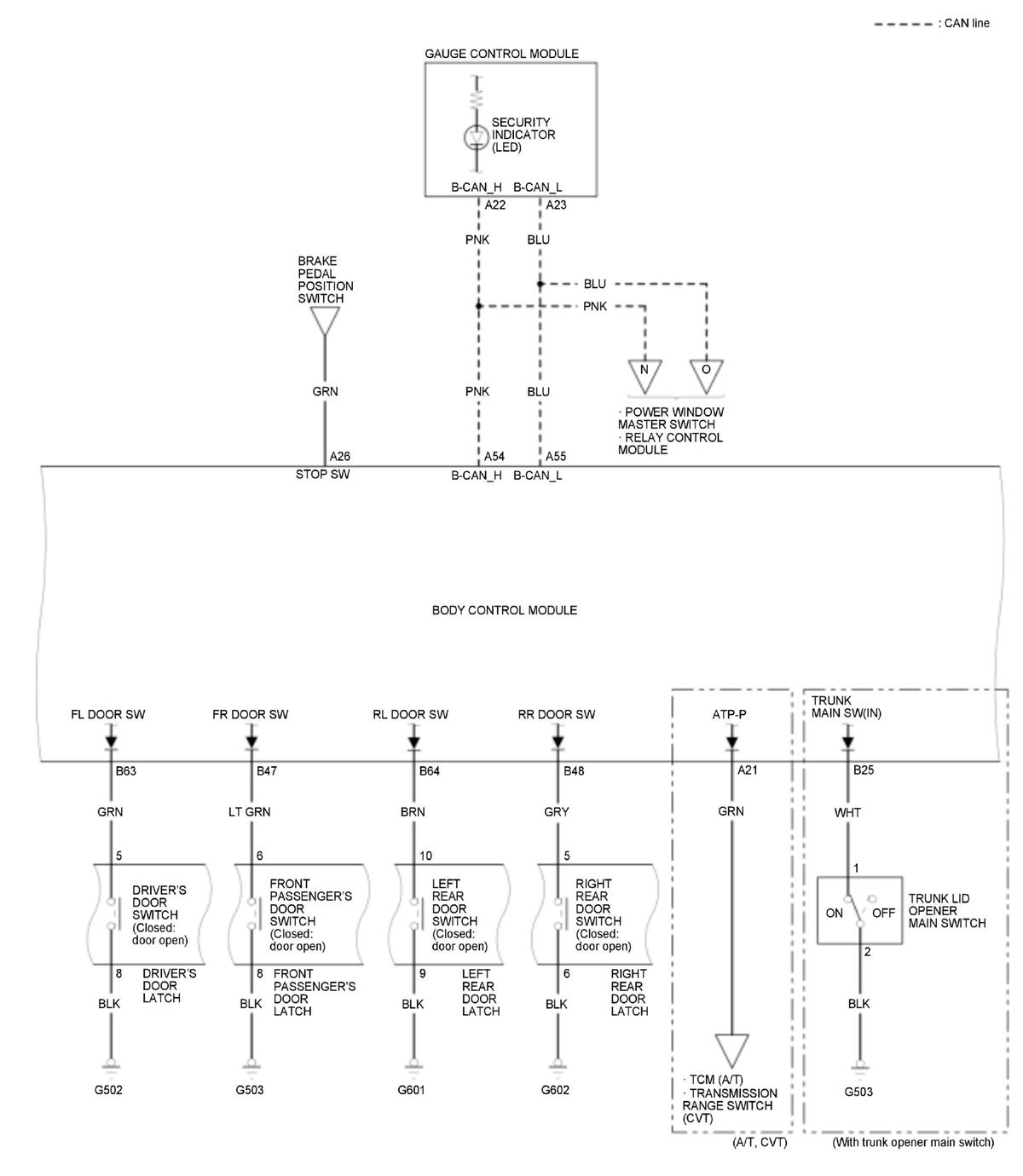
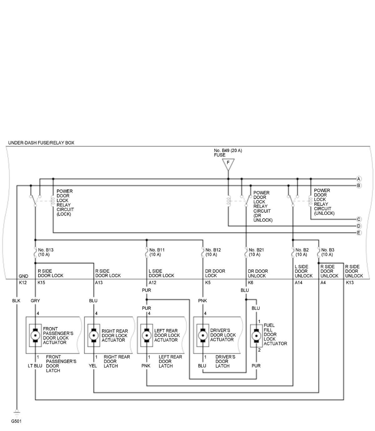
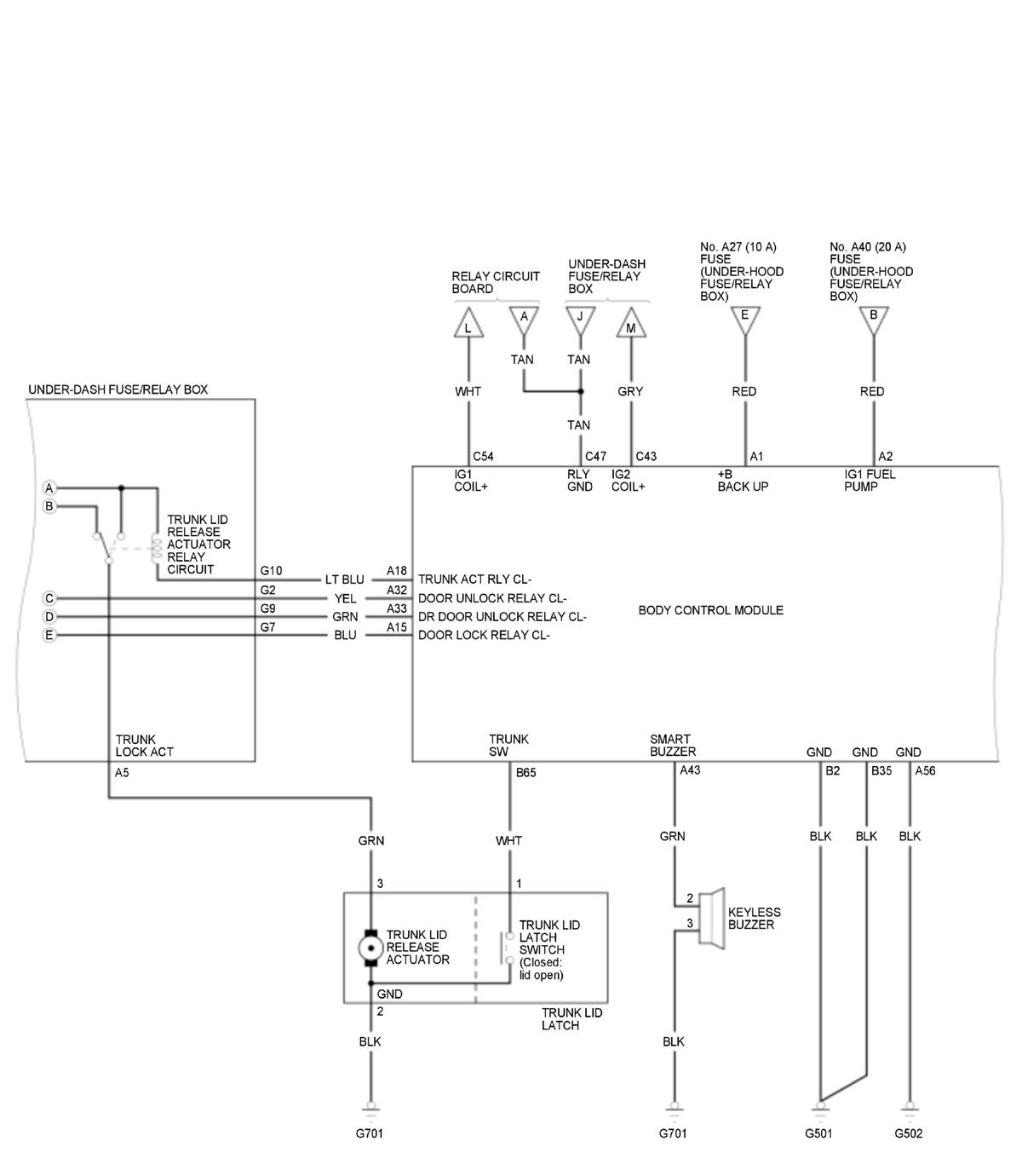
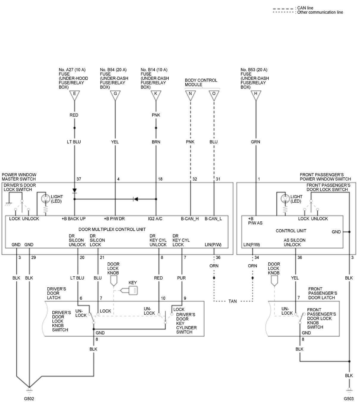
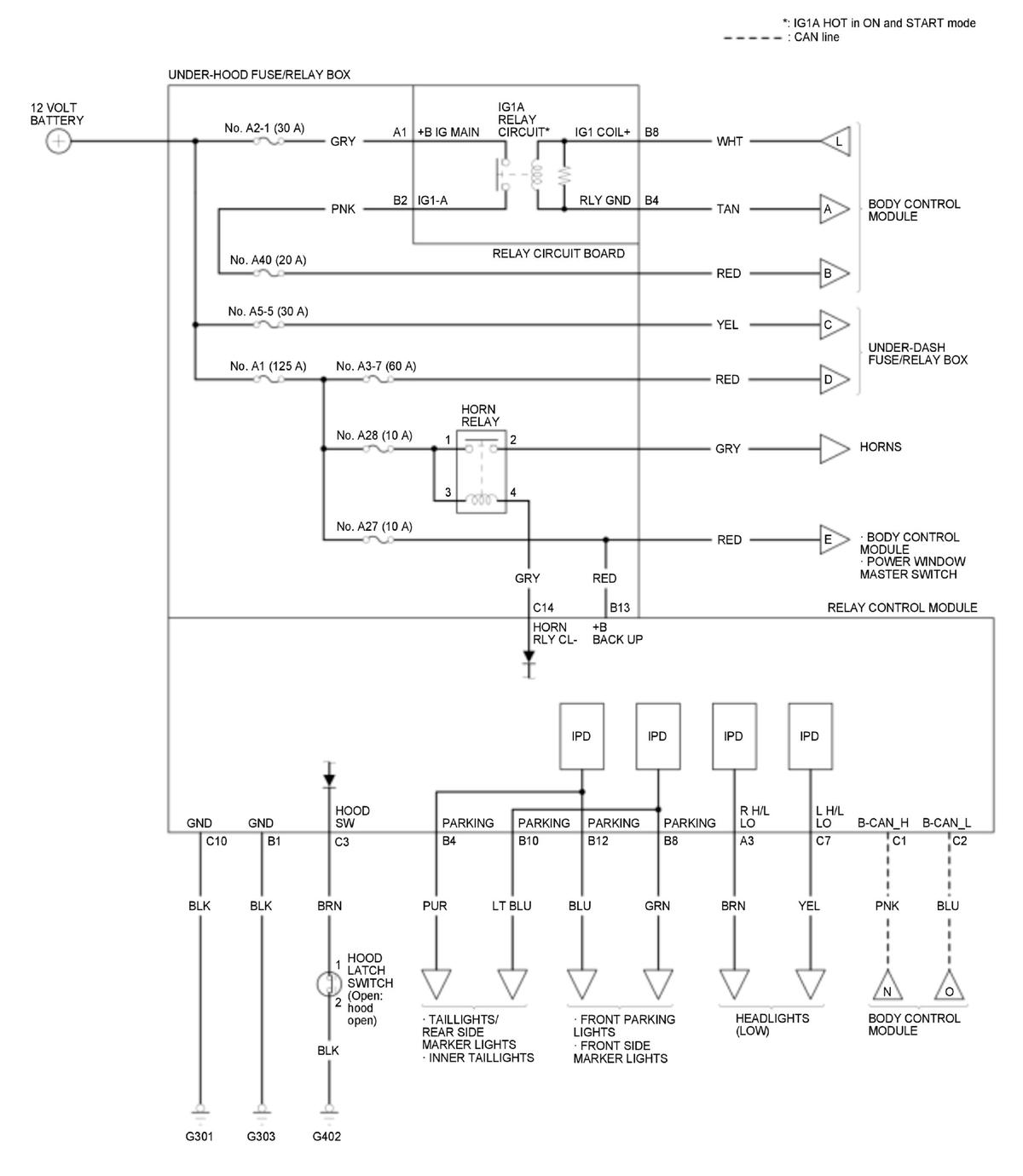
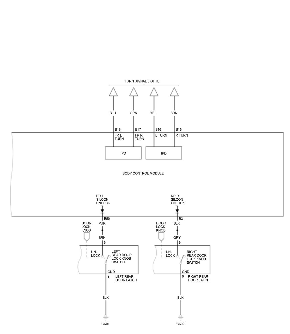
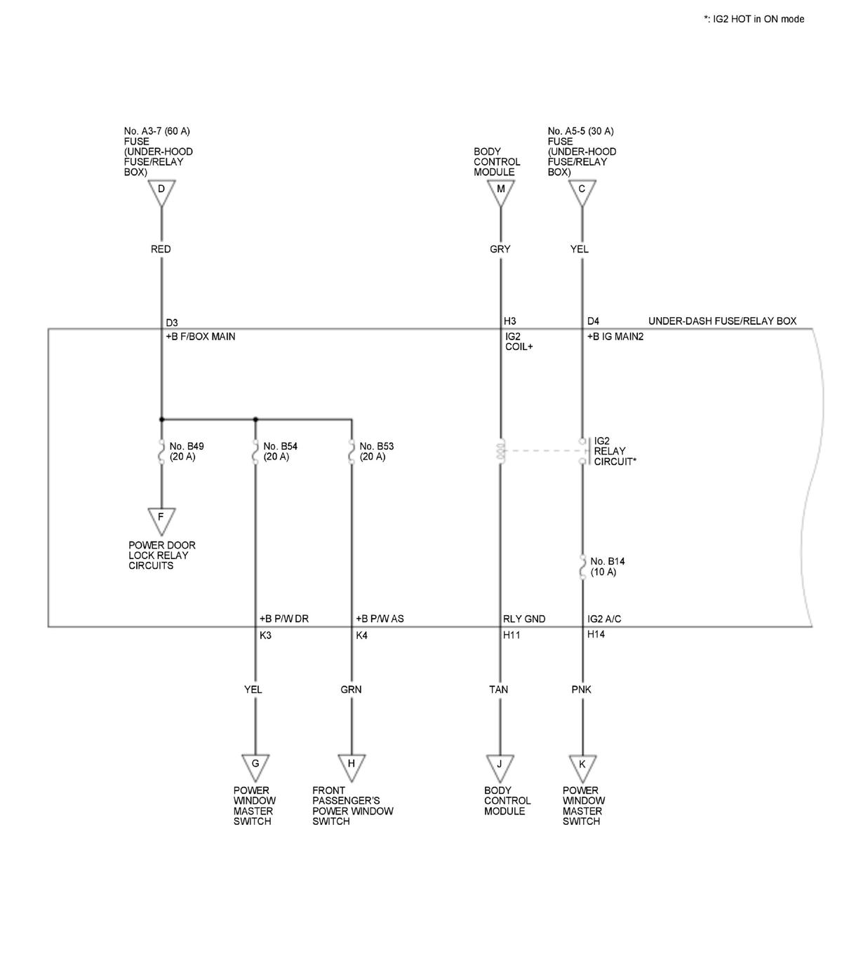
Keyless/Power Door Locks/Security System Circuit Diagram

GHH397921Courtesy of HONDA, U.S.A., INC.
GHH397922Courtesy of HONDA, U.S.A., INC.
GHH397923Courtesy of HONDA, U.S.A., INC.
GHH397924Courtesy of HONDA, U.S.A., INC.
GHH397925Courtesy of HONDA, U.S.A., INC.
GHH397926Courtesy of HONDA, U.S.A., INC.
GHH397927Courtesy of HONDA, U.S.A., INC.