LEMON Manuals: Even more car manuals for everyone: 1960-2025
Home >> Honda >> 2020 >> Clarity Plug-In Hybrid >> Repair and Diagnosis >> Body & Frame >> Door Locks >> Security System / Keyless Entry System - Testing & Troubleshooting - (Plug-In) >> Circuit Diagram >> HomeLink Remote Control System
April 5, 2026: LEMON Manuals is launched! Read the announcement.

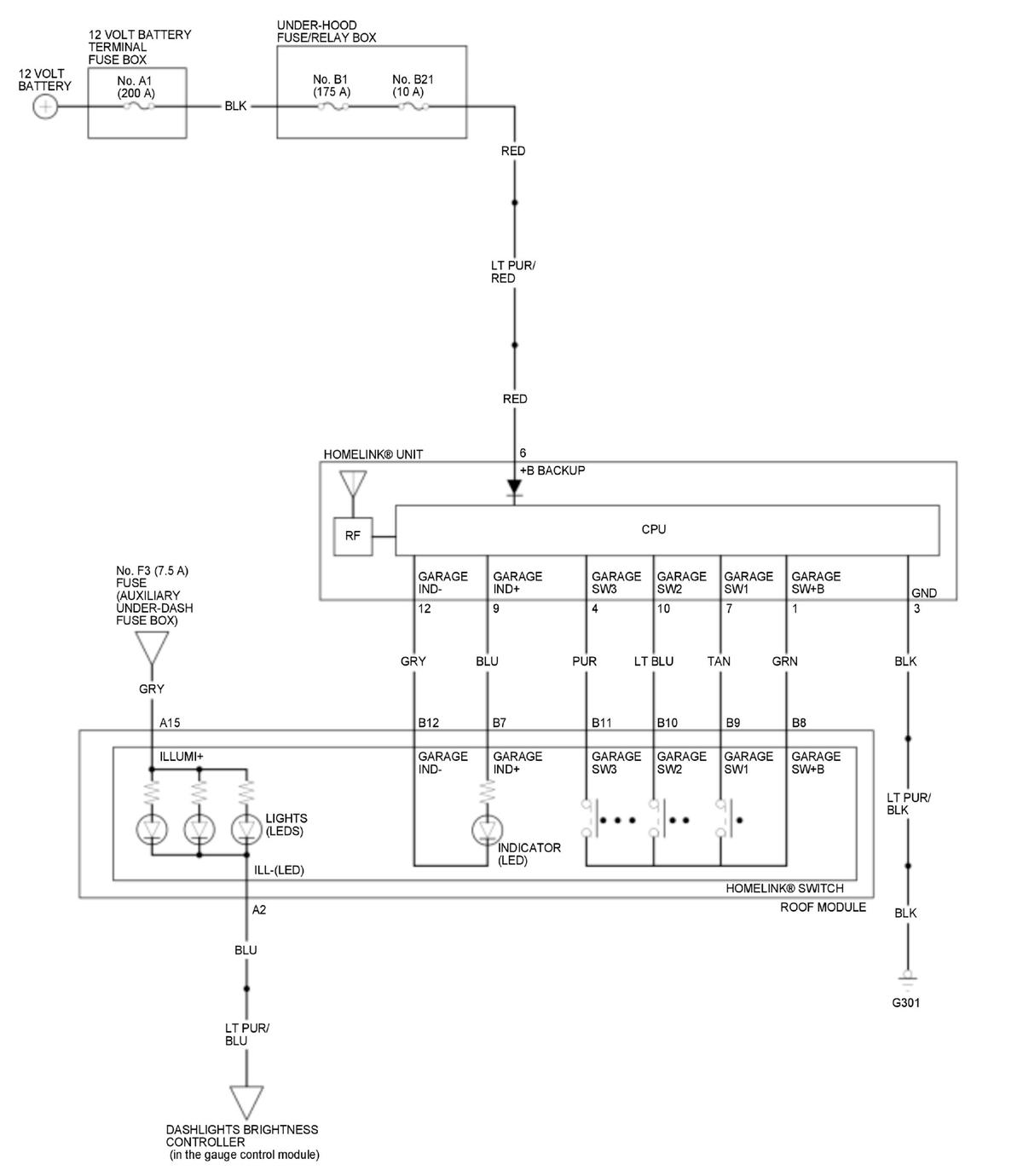
HomeLink Remote Control System

GHH420602Courtesy of HONDA, U.S.A., INC.