LEMON Manuals: Even more car manuals for everyone: 1960-2025
Home >> Honda >> 2021 >> CR-V EX, FWD >> Repair and Diagnosis >> External Pages >> Different variant/trim >> Section 50 (Security System / Keyless Entry System - Testing & Troubleshooting (Hybrid)) >> Circuit Diagram >> Keyless/Power Door Locks/Security System Circuit Diagram
April 5, 2026: LEMON Manuals is launched! Read the announcement.

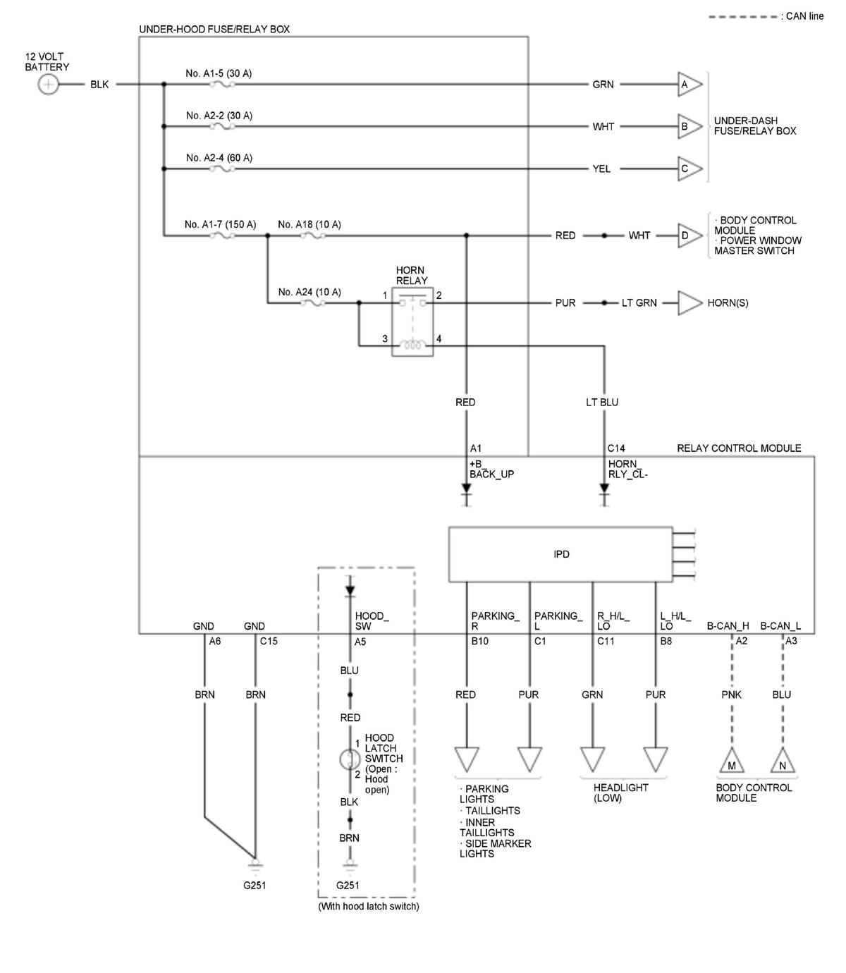
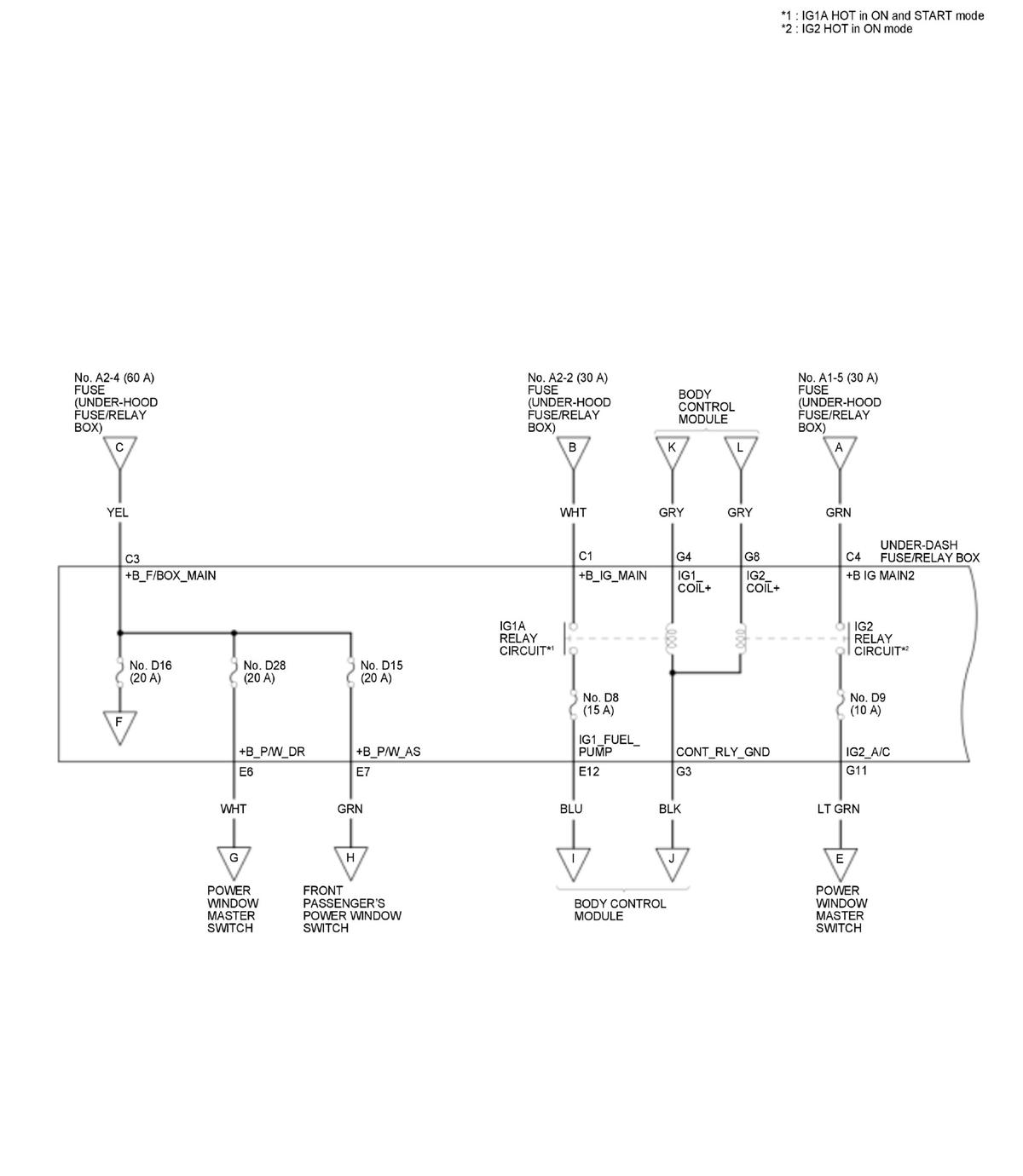
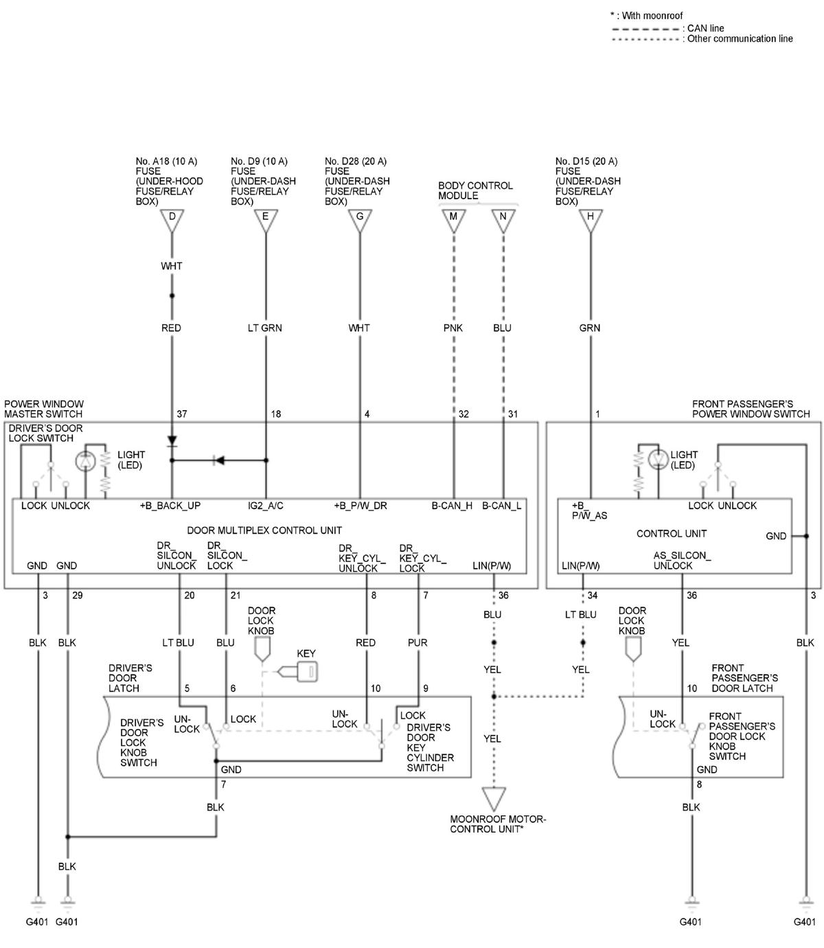
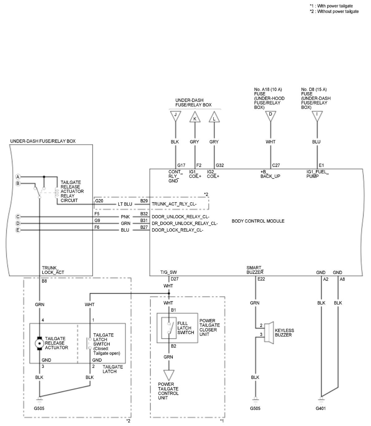
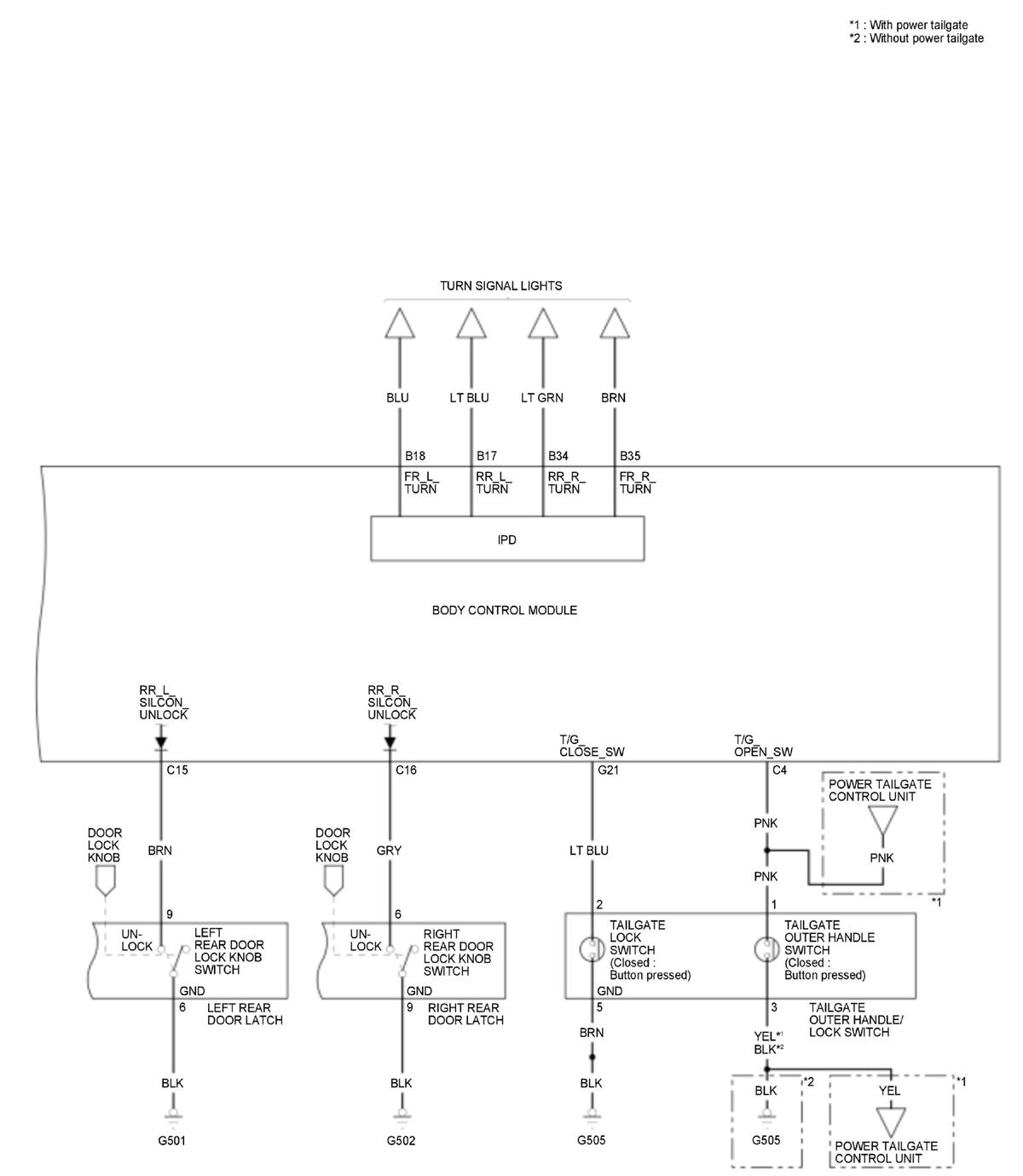
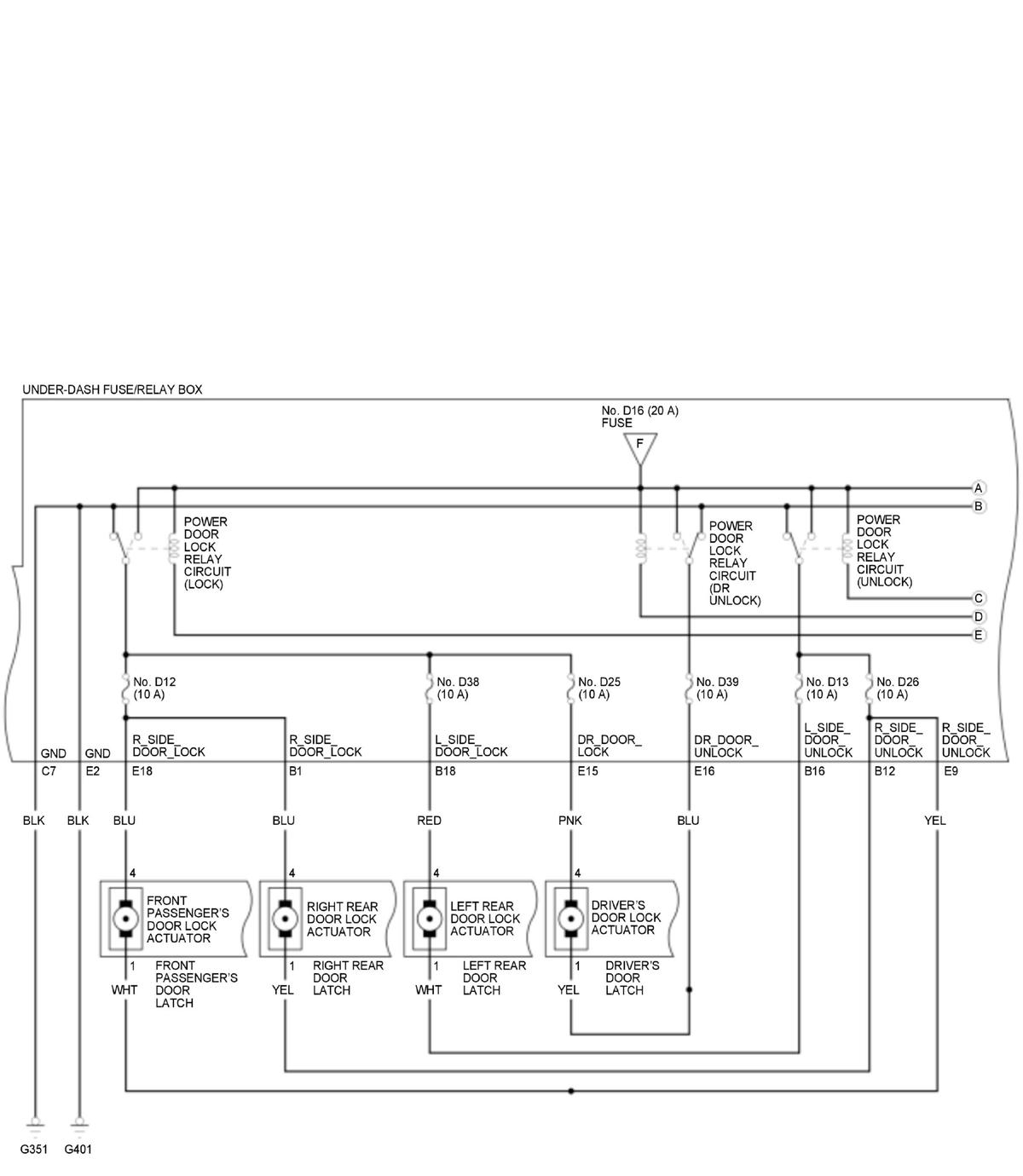
Keyless/Power Door Locks/Security System Circuit Diagram

WARNING: This page is about a different variant/trim than selected.
GHH381053Courtesy of HONDA, U.S.A., INC.
GHH381054Courtesy of HONDA, U.S.A., INC.
GHH381055Courtesy of HONDA, U.S.A., INC.
GHH381056Courtesy of HONDA, U.S.A., INC.
GHH381057Courtesy of HONDA, U.S.A., INC.
GHH381058Courtesy of HONDA, U.S.A., INC.
GHH381059Courtesy of HONDA, U.S.A., INC.